Herunterladen Inhalt Inhalt Diese Seite drucken

IAI RCP6S Betriebshandbuch Seite 53

Feldbus-kommunikation
Inhaltsverzeichnis
RCP6S
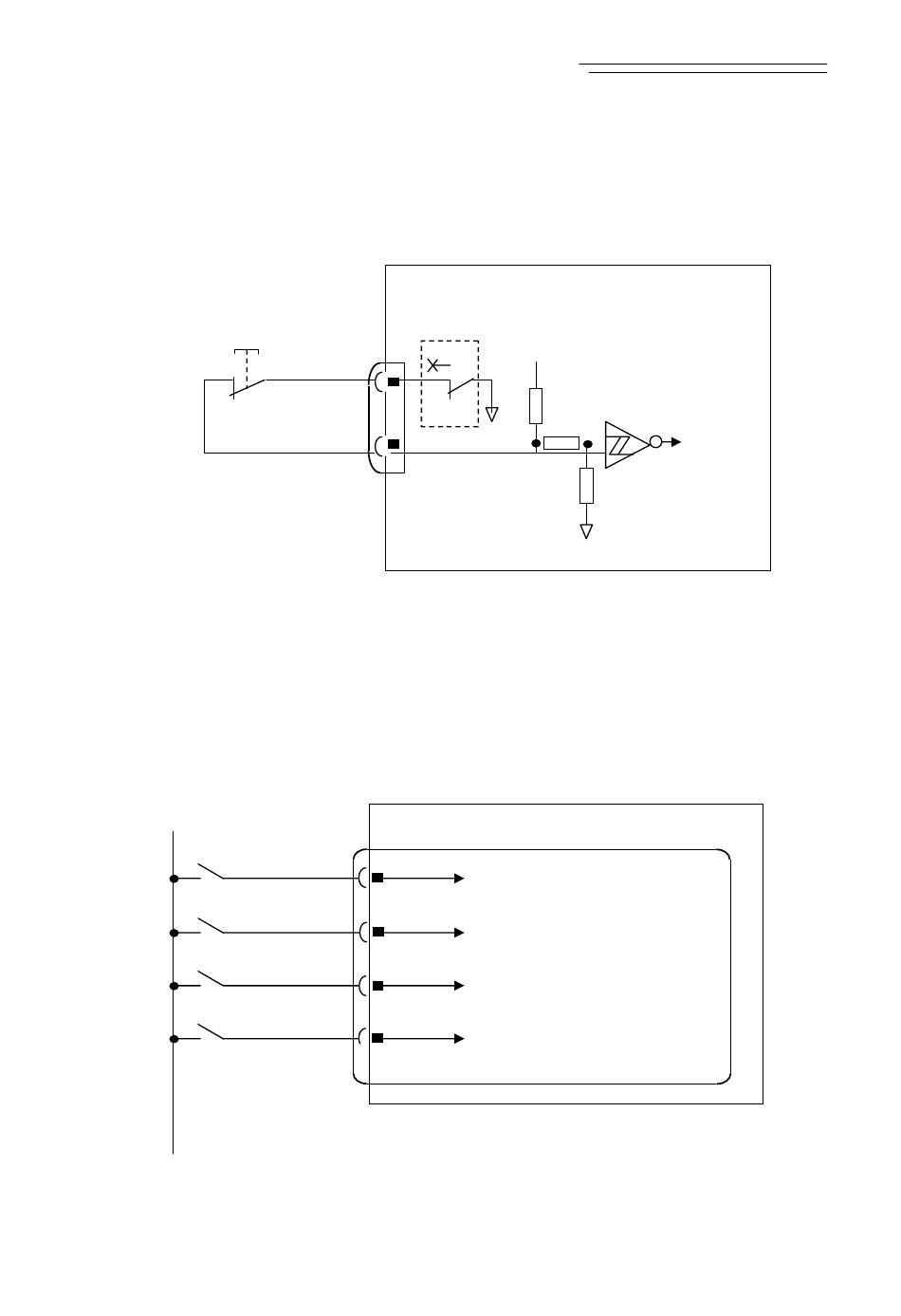
[3] Aufbau der Moduswechselschaltung
Wenn ein Wechsel des Betriebsmodus (AUTO/MANU) über eine externe Eingabe erforderlich ist,
schließen Sie eine Vorrichtung wie z. B. einen Schalter zwischen AUTO/MANU + und
AUTO/MANU – an.
Wenn nicht extern umgeschaltet werden soll, bringen Sie einen Jumper an AUTO/MANU + und
AUTO/MANU − an.
Externer
Betriebsmodus-
schalter
(AUTO/MANU)
AUS : AUTO
EIN : MANU
[4] Aufbau der Schaltung für den externen Bremseingang
Sehen Sie die Schaltung vor, wenn bei Verwendung einer Achse mit Bremse das externe
Zwangslösen der Bremse ermöglicht werden soll. Wenn kein externes Lösen erforderlich ist, ist
diese Schaltung nicht notwendig.
Es wird die Bremse einer RCP6S-Achse gelöst, die direkt mit der Gateway-Einheit verbunden ist.
Dieser Eingang ist ungültig, falls ein Verteiler angeschlossen ist. Lösen Sie in diesem Fall die
Bremse mit Hilfe des Bremsfreigabeschalters an der Verteilereinheit.
24V
BK_AX0
BK_AX4
BK_AX8
BK_AX12
0V wird mit der Steuerspannungsversorgung gemeinsam verwendet.
Auch wenn die Hauptspannungsversorgung der Steuerung nicht eingeschaltet ist, kann die
Bremse gelöst werden, sofern die Steuerspannung der RCP6S-Gateway-Einheit eingeschaltet
ist.
42
Feldbus-Kommunikation
Externer Betriebs-
modusschalter
(AUTO/MANU)
AUTO/MANU+
8
9
AUTO/MANU−
System-I/O-Anschluss
System-I/O-Anschluss
6
7
13
14
RCP6S GW
MANU
24V
5,6 kΩ
AUTO
100 kΩ
20 kΩ
RCP6S GW
Bremsfreigabe-Eingangsschaltung
Achse Nr. 0
Bremsfreigabe-Eingangsschaltung
Achse Nr. 4
Bremsfreigabe-Eingangsschaltung
Achse Nr. 8
Bremsfreigabe-Eingangsschaltung
Achse Nr. 12
Interne
Spannungs-
versorgung
Inhaltsverzeichnis
loading

Inhaltsverzeichnis