Herunterladen Inhalt Inhalt Diese Seite drucken

Nice M3BAR Installations- Und Bedienungsanleitung Seite 330

Inhaltsverzeichnis
Verfügbare Sprachen
  • DE

Verfügbare Sprachen

  • DEUTSCH, seite 198
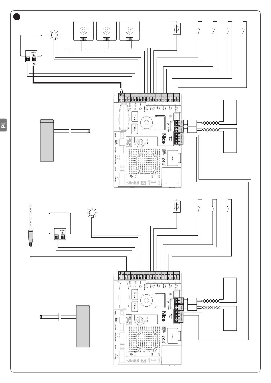
48
OGI
24V 4W
FLASH
MASTER
FLASH
SLAVE
330 – POLSKI
EPMB/EPLB
TX
Bluebus
Bluebus
Bluebus
Light
OGI
24V 4W
Light
RX
Flash
OGI Bluebus Stop SbS Open Close HPSbS
Flash
OGI Bluebus Stop SbS Open Close HPSbS
NO
NC
NO
NO
NO
NO
8K2
LOOP1
LOOP2
NO
NC
NO
NO
NO
NO
8K2
LOOP1
LOOP2
NO
Inhaltsverzeichnis
loading

Diese Anleitung auch für:

M5barM7barL9bar

Inhaltsverzeichnis