Herunterladen Inhalt Inhalt Diese Seite drucken

Schaltbild "Ventil" - Simocode Pro V Pn, Pro V Eip - Siemens Simcode Pro Handbuch

Inhaltsverzeichnis
Schaltungsbeispiele Steuerfunktionen
3.13 Ventil
3.13.2

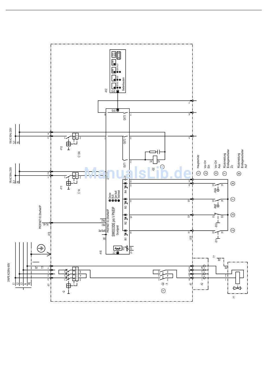
Schaltbild "Ventil" - SIMOCODE pro V PN, pro V EIP

Bild 3-47
Schaltbild "Ventil", SIMOCODE pro V PN, pro V EIP
SIMOCODE pro - Anwendungsbeispiele
62
Applikationshandbuch, 04/2017, A5E40508055001A/RS-AA/001
Inhaltsverzeichnis
loading

Inhaltsverzeichnis