Herunterladen Inhalt Inhalt Diese Seite drucken

Siemens Simotics Handbuch Seite 168

T-1fw6
Vorschau ausblenden Andere Handbücher für Simotics:
Inhaltsverzeichnis
Einbauzeichnungen / Maßblätter
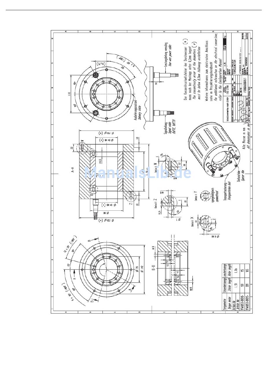
10.2 Einbauzeichnung / Maßblatt 1FW6053-xxB
Bild 10-4
1FW6053-xxB (Aktivteil-Länge 10 und 15, elektrischer Anschluss axial mit Hülse)
Selbstgekühlte Einbau-Torquemotoren SIMOTICS T-1FW6 für SINAMICS S120
168
Projektierungshandbuch, 02/2015, 6SN1197-0AE01-0AP2
Inhaltsverzeichnis
loading

Inhaltsverzeichnis