Anmelden
Hochladen
Herunterladen
Inhalt
Inhalt
Zu meinen Handbüchern
Löschen
Teilen
URL dieser Seite:
HTML-Link:
Lesezeichen hinzufügen
Hinzufügen
Handbuch wird automatisch zu "Meine Handbücher" hinzugefügt
Diese Seite drucken
×
Lesezeichen wurde hinzugefügt
×
Zu meinen Handbüchern hinzugefügt
Anleitungen
Marken
REHM Anleitungen
Schweißgeräte
INVERTIG.PRO COMPACT 240 DC
Betriebsanleitung
Stromlaufpläne - Rehm Invertig.pro Compact 240 Dc Betriebsanleitung
Wig-schutzgas-schweißanlagen
Vorschau ausblenden
Andere Handbücher für INVERTIG.PRO COMPACT 240 DC
:
Betriebsanleitung
(90 Seiten)
,
Betriebsanleitung
(130 Seiten)
1
2
3
4
5
6
7
8
9
10
11
12
13
14
15
16
17
18
19
20
21
22
23
24
25
26
27
28
29
30
31
32
33
34
35
36
37
38
39
40
41
42
43
44
45
46
47
48
49
50
51
52
53
54
55
56
57
58
59
60
61
62
63
64
65
66
67
68
69
70
71
72
73
74
75
76
77
78
79
80
81
82
83
84
85
86
87
88
89
90
91
92
93
94
95
96
97
98
99
100
101
102
103
104
105
106
107
108
109
110
111
112
113
114
115
116
117
118
119
120
121
122
123
124
125
126
127
128
129
130
131
132
133
134
135
136
137
138
139
140
141
142
143
144
145
146
147
148
149
150
151
152
153
154
Seite
von
154
Vorwärts
/
154
Inhalt
Inhaltsverzeichnis
Fehlerbehebung
Lesezeichen
Inhaltsverzeichnis
Verfügbare Sprachen
DE
EN
Verfügbare Sprachen
DEUTSCH, seite 1
ENGLISH, page 78
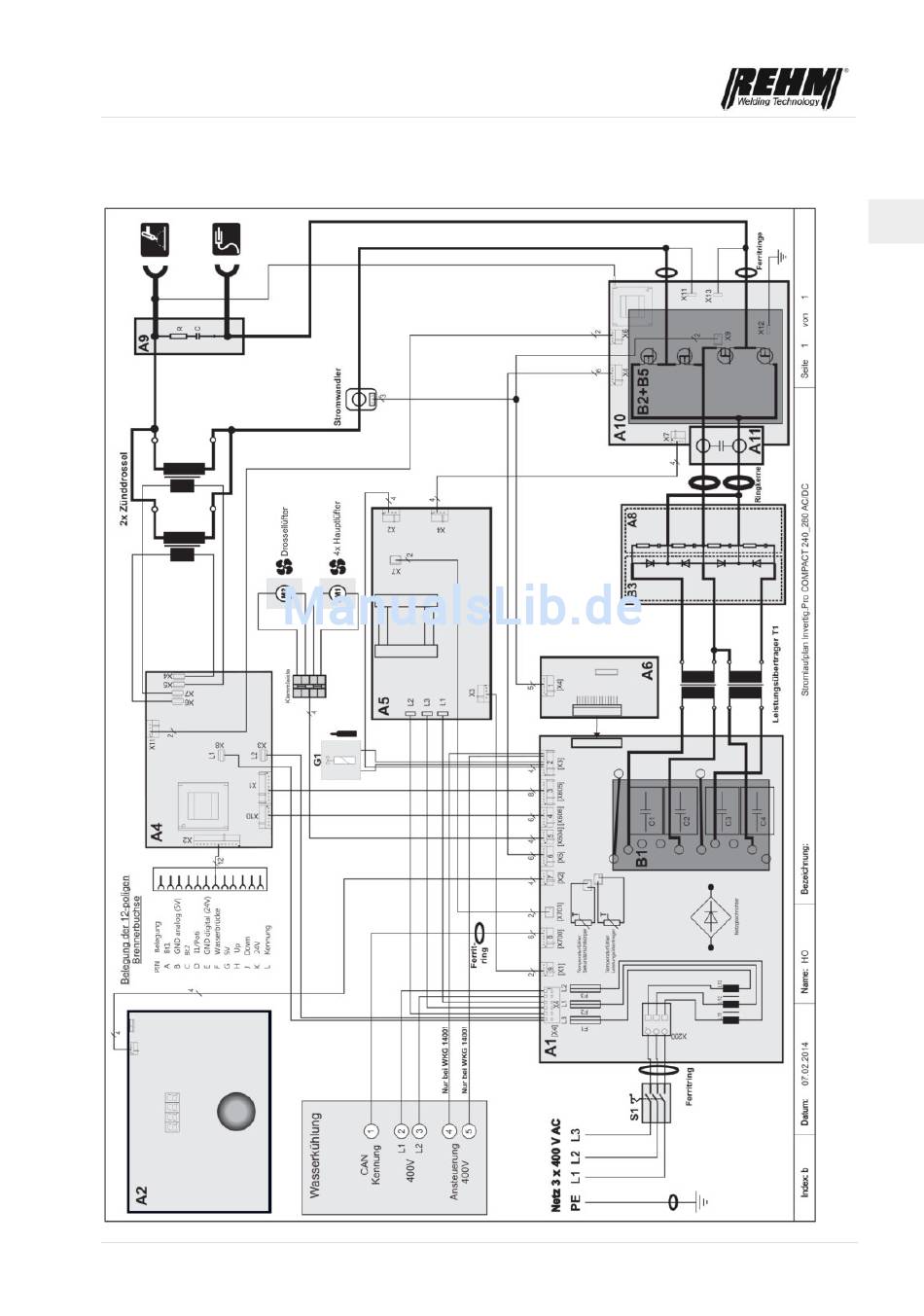
Stromlaufpläne
10.
Stromlaufpläne
D
57
Inhalt
sverzeichnis
Vorherige
Seite
Nächste
Seite
1
...
54
55
56
57
58
59
60
61
Quicklinks anzeigen
Quicklinks:
Beschreibung der Bedienungselemente
Störtabelle
Fehlermeldungen
Quicklinks ausblenden:
Permanent
Temporär
Abbrechen
Kapitel
Deutsch
3
English
79
Inhaltsverzeichnis
Verwandte Anleitungen für REHM INVERTIG.PRO COMPACT 240 DC
Schweißgeräte REHM INVERTIG.PRO 240 DC Betriebsanleitung
(130 Seiten)
Schweißgeräte rehm INVERTIG.PRO digital 240 DC Betriebsanleitung
Wig-schutzgas-schweißanlagen (90 Seiten)
Schweißgeräte Rehm MEGA.PULS FOCUS 230 Betriebsanleitung
Mig/mag impuls-schweißanlagen (100 Seiten)
Schweißgeräte Rehm BOOSTER.PRO 170 Betriebsanleitung
Schweißinverter (25 Seiten)
Schweißgeräte REHM MEGAPULS 250 Betriebsanleitung
Mig/mag-schutzgas-schweißanlage (106 Seiten)
Schweißgeräte Rehm PANTHER 202 PULS Betriebsanleitung
(33 Seiten)
Schweißgeräte REHM TIGER DIGITAL 230 AC/DC ULTRA Betriebsanleitung
Wig-schutzgas-schweißanlagen (82 Seiten)
Schweißgeräte REHM TIGER DIGITAL 182 AC/DC ULTRA Betriebsanleitung
(80 Seiten)
Schweißgeräte REHM Synergic.Pro 251 Kurzanleitung
(17 Seiten)
Schweißgeräte REHM INVERTIG i 260 DC HIGH INVERTIG i 310 DC HIGH INVERTIG i 350 DC HIGH INVERTIG i 450 DC HIGH Betriebsanleitung
Wig schutzgas-schweißanlagen (92 Seiten)
Schweißgeräte REHM SYNERGIC.PRO2 170-2 Betriebsanleitung
(62 Seiten)
Schweißgeräte REHM TIGER 170 DC Betriebsanleitung
Wig-schutzgas-schweißanlage (64 Seiten)
Schweißgeräte REHM MEGA.ARC2 250 Betriebsanleitung
(80 Seiten)
Schweißgeräte REHM SYNERGIC.ARC 251 Betriebsanleitung
Mig/mag schweißanlagen (84 Seiten)
Schweißgeräte REHM Synergic Betriebsanleitung
Drahtschweissmaschinen (30 Seiten)
Schweißgeräte REHM FOCUS.ARC P 250 Betriebsanleitung
Mig/mag impuls-schweißanlagen (82 Seiten)
Verwandte Inhalte für REHM INVERTIG.PRO COMPACT 240 DC
TIGER DIGITAL 182 AC/DC ULTRA Stromlaufpläne
REHM TIGER DIGITAL 182 AC/DC ULTRA
TIGER DIGITAL 230 AC/DC ULTRA Stromlaufpläne
REHM TIGER DIGITAL 230 AC/DC ULTRA
INVERTIG.PRO 240 DC Stromlaufpläne
REHM INVERTIG.PRO 240 DC
INVERTIG.PRO digital 240 DC Stromlaufpläne
rehm INVERTIG.PRO digital 240 DC
TIGER 230 AC/DC ULTRA Stromlaufpläne
Rehm TIGER 230 AC/DC ULTRA
BOOSTER.PRO 170 Stromlaufpläne
Rehm BOOSTER.PRO 170
TIGER 170 DC Stromlaufpläne
REHM TIGER 170 DC
Diese Anleitung auch für:
Invertig.pro compact 240 ac/dc
Invertig.pro compact 350 ac/dc
Invertig.pro compact 280 dc
Invertig.pro compact 450 dc
Invertig.pro compact 450 ac/dc
Invertig.pro compact 280 ac/dc
...
Alle anzeigen
Invertig.pro compact 350 dc
Inhaltsverzeichnis
Drucken
Lesezeichen umbenennen
Lesezeichen löschen?
Möchten Sie es aus Ihren Handbüchern löschen?
Anmelden
Anmelden
ODER
Mit Facebook anmelden
Mit Google anmelden
Anleitung hochladen
Von PC hochladen
Von URL hochladen