Herunterladen Inhalt Inhalt Diese Seite drucken
Inhaltsverzeichnis
Verfügbare Sprachen

Verfügbare Sprachen

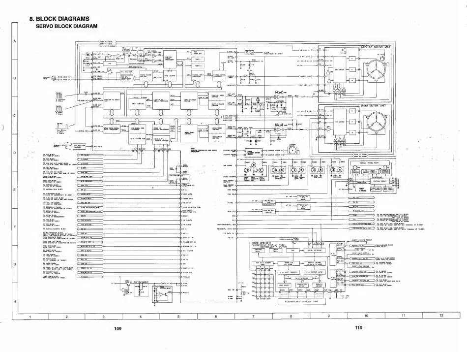
8. BLOCK DIAGRAMS
SERVO BLOCK DIAGRAM
"16 Yee pLock
"
(TO FINI
OF
IcaGty
DRUM
PG
SIGNAL
DRim
FG
SIGNAL
CAPSTAN
FG
SIGNAL
P
7
co
enen= ee er
————:
CAPSTAN
!
!
!
1
i4
i
'
3
09
]
1
!
i
1
!
DRUM
FG
SIGHAL
DRUM
PG
SIGNAL
8
—2y
——
i
Se
ewer
Ao suet si)
av
eastern
sence
ean
at iadaaiat aaa,
re
ro
V 4.0Vp-p
f
ct signaL
[ote eee eees
'
TER
CAPSTAN FG
ee
PB ETLY
boa
een
fet
pce
H
WrSYNC. Ney
atiactis
C-SiNC.
'
1
FG AM
:
gf TL AMP IW
>
>
oor
pS
|
opt ptt. }
r}
CrIa.721
FROM PIN25 OF 1¢401)
H
i
:
ATIS
eT Awe
Eas
CONTROL
notte teens
Phi
et
$$
—____-—_—_{
v fir 128i
25v
gp cain
2008 AMe,
Sina
per
TIMER 1}
;
Geez
ee
t
}
sEAva
at iav—{ Mm iay epeite Be lav
eae)
be
eee
eee
me
Sere
TPZ
faacva
REF
IN
=A
}
vee
oS
crit
——
i
AT SY
Lown
RECS /cos/cHAR
H
a
|
PRE DRIVER
AT Sv
CTL
AW
sw,
RCTLO
vS¥A
R217
CTL
HEAD}
é
WRITE
CHANGE
NSYHC, JAPUT | INPUT
YaSYNC, SIGNAL
eteabin
j
pris
2¢eTiB
"
6
SE
fear
&-
aera
| | |
Y
[J
TRAPEZOIDAL
=
AEG START
pis
en
CiveT
ee
HERS
CTL HEAD (4)
Gy STL HEADIN
WAVE GEN,
ven
atie =| SRI20
Mores
I
I
1
|
wera
142
coz
CAP,_EFRL_ AYP.
PACREC
AFG
ae
|
ALAT
CAPSTAN
SPIED
Pu?
RT37
PCTLO
vse
conTROL
CAPSTAN CTL
H TGCQHsSPI
CAPSTAR
FG SIGNAL
APG
Caps tah FG
RAPA
faPStaN
SPEO
¥
SVa-p
DRUM FS
ANP.
SiGNal, PROCESSOR
contra.
|
|
Peer
re enn
L
we coon ||
rae
meee
eee
PB/AEC
CONTHCL.
i
eeennene n=
w= Vee
AT
jav—-{ M
lev
|
lzv
H G00He
V SVp-p
vce
1
f-APC
SHORTIL?
AT ay —-—————_)—__+{)=
av
¢-acc/STOP
D-Acc/ STOP
PBCREC
i
ae
A,o-FG In
BO Seat
Lee 2a!
D-PG
IN"
:
ar
a e
Y psu
DAUM PG
ae
a
¥ 5¥p-p
H
1
|
HEAD AMP. 4
=
t
:
H
(ROTATE
CONTROL |
INFRARED RAYES
RoC RECEIVER'
SIGNAL
(9 Rec PULSE
"
-
;
¥-
YUP PE HSW HS
ere
my
:
70
ee
enenere
ae
ke
Ee
'SYSTEM CONTROLLER AND SERVO
COADING MOTOR,
are
:
i
=
:
mre
Edm bm
bs
'
N D
ah
> scans
= ; ances MOTOR I+) )
'
3
ae
a
few
I
ie Pina DF
as
LOADING MOTOR
tmuven
@&
idi6R t -
ne
_
1G Piwad DF Icaow
S$
:
aR
—©
GL Losoins vidtGR 1-1)
we
"
:
A
'
1
a
cre
3
70, Wa Block
C_ vse
id
-
!
—__—
(TO Pint OF Icx00)
wot
-
re
:
at wv
-
1
a
bean
ee
ae
1 OuTPaT
"1
'
END SESOR
=
(¥)
ee
EE
eS
TO HéA AND Y¥/C BLOCK
(TD PIN2 DF ICSO!
AND BASE
OF 9543)
FROM
H/a
BL
FAO
PjKI4
FROM Hed BLOCK
ROM
PINZT OF IC3D1)
TO
KARADKE
BLOCK
(TO
PIN
14
OF
ICG205)
OCK
OF
I¢3003
TO
AUDIOS-Fiti7n
BLOCK
TO
HinF¥sUDIO
BLOCK
(TO
BASE
OF
O6SOS/PINIT
OF
ICGO()
TO
l4-Fi
42ND
JACK
BLOCK
17
GASE
OF
Oasi4
AND
JACK
BLOCK)
ITG
HA
4¢C
BLOCK)
ITO
BASE
OF
O207,263i
TO
BECODER.Y/C
BLOCK
ITO
B&S€
DF
GSSD,RINCG
OF
1C2501)
TO
SfCAM
ALOOK
110
BASE
DF
G5307)
TD SECAM
BLOCK
ITG BASE
OF 05303,05304)
TO Y/C BLOCK
{70 PINIG OF ao
19 4/0 BLOCK
ITO PiNIS OF Itaon
TO
AUDIO.N-FLCODH/A
BLOCK
TO
FT
CONVERTER
SLOCK
FOR
FPM
MODELS(TO
BASE
OF
CBSD)
EXCEPT
FRM
MODECSITO
PINS
OF
CNVA45!)
FROM
OSD/AUK-2
BLOCK
(FROM
PINI2
OF
ICSSOI/PINE
OF
SCZ2502)
FROM
SYNC
SEP.
BLOCK
(FROM
EMITTER
OF
GFOD/PINS
DOF
IC2401)
FROM
¥/C
BLOCK
(FROM PINT
OF ICaon
TO
TUNER
BLOCK
(FROM
PiNd
OF
TUISO(?
ITO O50 6LOCK
(TO
PINS
OF
(C5801)
TO
TUNER
BLOCK
(TO
CS
TERMINAL
OF
TUISSI)
TO
sUOIC
BL OtK
ITO
PIRI(
OF
ICBO
TO
FRONT
AV
JACK
ANO
TUNER
BLOCK
ITO
AUDIO
BLOCK
4NO
V-SEL,
BLOCK
TO
KARSOKE
BLOCK
ITO
PINiE
OF
lte2D2I
FROM
POWLA
BLOCK
(FHOM
COLLECTOR
OF
Of23)
Hy
(SUPPLY)
mS
}
T eo SOE espa CTL
AECL. SENSOR
i
:
( ru
cAM swag
9
aint
MwuTE
cAM swaQ
@ stereo Mure
: |
SIG. 60 at
"p-coh
9 =
:
-
—@ ¥-BW DATAFNTSC 3.98
,
.
|
:
1
RTE EE
SEH}
Ss
a
ee
9 SEEM on
BIAS CTL @®
'
—O9
SECAM
5p4 (i
Ca
4p
A
é
t
YéC S-DATA
sc. @
ry
J
(3) ¥/C 5-CLK
FIPS¥-SW/OSD/PLL
CLK GD
216
mE,
EE tL)
1
FIPZ0S0/PLL
BATA
ouTey
1
i:
Vcr is
3 VCR (L}
FIP PATA
IN
G@
1
(
[stow
ch in
€) SLOW
CTL
IN
FIP C5
1
1
1
(SEE
DET
==.
..
_<
SYNCYEE
DCT. IN
|
(MESECAM DET. IN
6) MESECAM DET. IN
|
1
i
Sa
rrr
63 AFT
5-CURVE
|
1
I:
asp
ts
}
osD cs
! 1
i
I
Ch
@ PLL CS
H
{
'
J
|
CA
Gp Aux
I
8
i
rrr ay
H
|
C__KEYEON PULSE
(@ KRYCON CiL
1
i
1
P-FASLIL)
'
AT Sv
A-Vad
| aT Sv
D-Vad
H
on
Rec TIP
SB5t
RESCT=L
|
REC TIP
1
Sw.
H
0-GHD
l
AAGND
1
J
{
1
Na
rt
er
a
©
AT
12V
To Pc SV
REG,
-
0563
AT
(av
Iss
@v
REG,
OBE4-6
ATSY
a
a
rr
rere sn mh
osc
R3003
#78004
TCS001 UPOTESIZ
ao,
FLUGRESCENT
DISPLAY
TUBE
CONTROLLER
/ DRIVER
1
1
1
COMMAND
TIMING
SER
NTERF ACE
H
eXRCUIT
ee
1
1
1
1
1
1
1
|
7
DISPLAY
MEMORY
16
bi xX I)
WORD
SYSTEM
SYSTEM
4
im
SegO
Vax
Veo
Vee
KEY
MATRIX
i6¥41
—(€)
—{5)
@)
Co
ea
aera
FLP
|FLP
Fie
cs
|DAT.
AICCK
phe
CASSETTE
CET.
ao
bt
| LATEH
POL DAV
ire
tal
:
bab Vn pes o h ,
Pan
skew!
eT
»
e
<
a--=O--
Qh
EA
ba7 OK BIH 7
caystaL
!
CATCH [Bic TURE
&D
29
1
!
|
AT
5V
MOTOR UNIT!
cae OREE Se.
DRUM MOTOR UNIT
FG HCaD
|
|
|
|
|
|
f
im
——
i
|
Lazan
EFPROM ARRAY
|
1
=
:
re
:
Ac
;
i o-
Te | |
H
7b
|
:
TA
ADDAESS
1
:
{ Hy
DECOGER
bee eee
Jest
EH
a
ee
CONTA,
CIRCUIT
Lee
|
a
MODECTEST)
es]
f
Ld
cn 4
,
;
cac4
POWER VOLT,
ie! cin
vot, | |
Vee
1
DET. CIRCUIT] "| GEN, CIRCUIT
Epp
|
r
FiPs¥-SW/O5D0/PLL_
CLK
[—
FIP/OSD/PLL_DATA
OUT
>
EXCEPT
KARAOKE
MODELS
=D
C_etycon
SW oN
ieee
om
EXCEPT
ti-F>
MODELS
at
wv
aT
SV
€ NORMAL DET. tH mL)
|
[Foc Day
EXCEPT
PDC/
MODCLS
°
o
aT
Sv
SYSTCM M/DKBG tH)
CRYSTAL PIETURE tH
[PAL SKEW Cu
=
{4.34) °
:
AT -254
1 SPE
AO
ITO
PIN
AND PINI& OF IC6IOt
TO IGR DECODER,NICAM
AND Hi-Fi SLOCK
(TO
PIKZO
OF
ICISO2.PINSS
OF
{CITOI
AND
PIRIB
OF
ICBIOI
TO
Osi
OCK
AND
TUNER
BLOCK
ito pitta OF fcago!
AND
PLL
CLK
TERMINAL
OF
TUISSIS
i
TO
OSD
BLOCK
AND
TUNE?
BLOCK
Bu
ITO
PINS
OF
1CSSD|
AND
PLL
DSTA
TERMINAL
OF
TUISS))
FROM
KARAOKE
ALDCK
(FROM
SE7ON
FROM
H-Fi
SU0I0
BLOCK
(FROM
PINeS
OF
ICG301)
TO
VPS/PRC
GLOcK
(TO
PINS
OF
{C1401}
TO IF BOcK
110
GASE
OF
OFS504)
TO
if
BLOCK
(TO
BASE
OF
D1SO7)
TO
¥4C
BLOCK
ITO
BASE
OF
O54?
AND
O@/4)
TO
¥7C
BLOCK
'¥O
BASE
OF
asa)
Inhaltsverzeichnis
loading

Diese Anleitung auch für:

Vc-m231smVc-m43smVc-m431sm

Inhaltsverzeichnis