Herunterladen Inhalt Inhalt Diese Seite drucken

Funktionsbeschreibung; Funktionsbeschreibung Kühlturm - Prominent Dulcometer Cool-Control D1C Betriebsanleitung

Vorschau ausblenden Andere Handbücher für DULCOMETER Cool-Control D1C:
Inhaltsverzeichnis
5

Funktionsbeschreibung

5.1
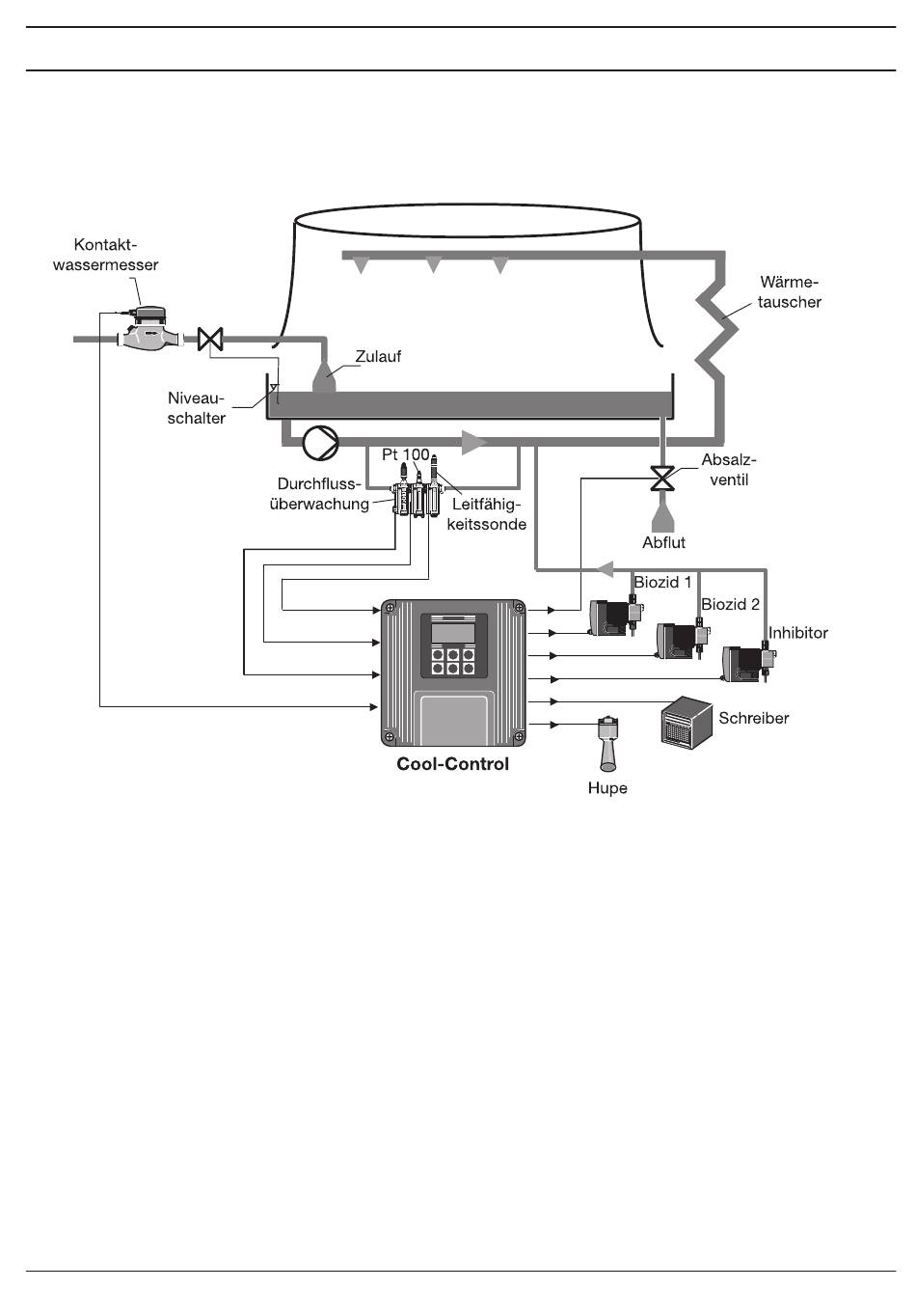
Funktionsbeschreibung Kühlturm
Das verdampfte Wasser des Kühlturmes wird durch den Zulauf ergänzt. Den Wasserspiegel hält ein
unabhängiger Niveauschalter konstant. Durch diese Vorgänge steigt der Salzgehalt des Umlaufwassers
an. Um ihn zu senken, muss das Absalzventil in bestimmten Abständen geöffnet werden, diese Abflut wird
durch den Zulauf ergänzt.
Um der Korrosion und der Verkalkung des Kühlturmes vorzubeugen, muss proportional zum Zulauf ein
Inhibitor zugesetzt werden.
Damit das Wasser des Kühlturmes nicht verkeimt, müssen ihm in bestimmten Abständen Biozide zugesetzt
werden.
ProMinent
®
Funktionsbeschreibung
Seite 15

Quicklinks ausblenden:

Inhaltsverzeichnis
loading

Inhaltsverzeichnis