Herunterladen Inhalt Inhalt Diese Seite drucken

Control Techniques SP0201 Benutzerhandbuch Seite 239

Baugrößen 0 bis 6 universeller -
Inhaltsverzeichnis
Sicherheitsin-
Produktinfor-
Mechanische
formationen
mationen
Installation
Abbildung 11-42 SM I/O 24 V Protected (Digital-E/A): Logikdiagramm
Abbildung 11-43 SM I/O 24 V Protected (Relais-Logikdiagramm)
Relais 1
Anzeige
Relais 1
Relais 2
Anzeige
Relais 2
Codierung
Eingangs-
anschluss-
klemmen
Ausgangs-
klemmen
Alle Parameter sind mit ihren Standardeinstellungen dargestellt
Unidrive SP Benutzerhandbuch
Ausgabenummer: 12
Elektrische
Bedienung und
Basispa-
Installation
Softwarestruktur
rameter
Status
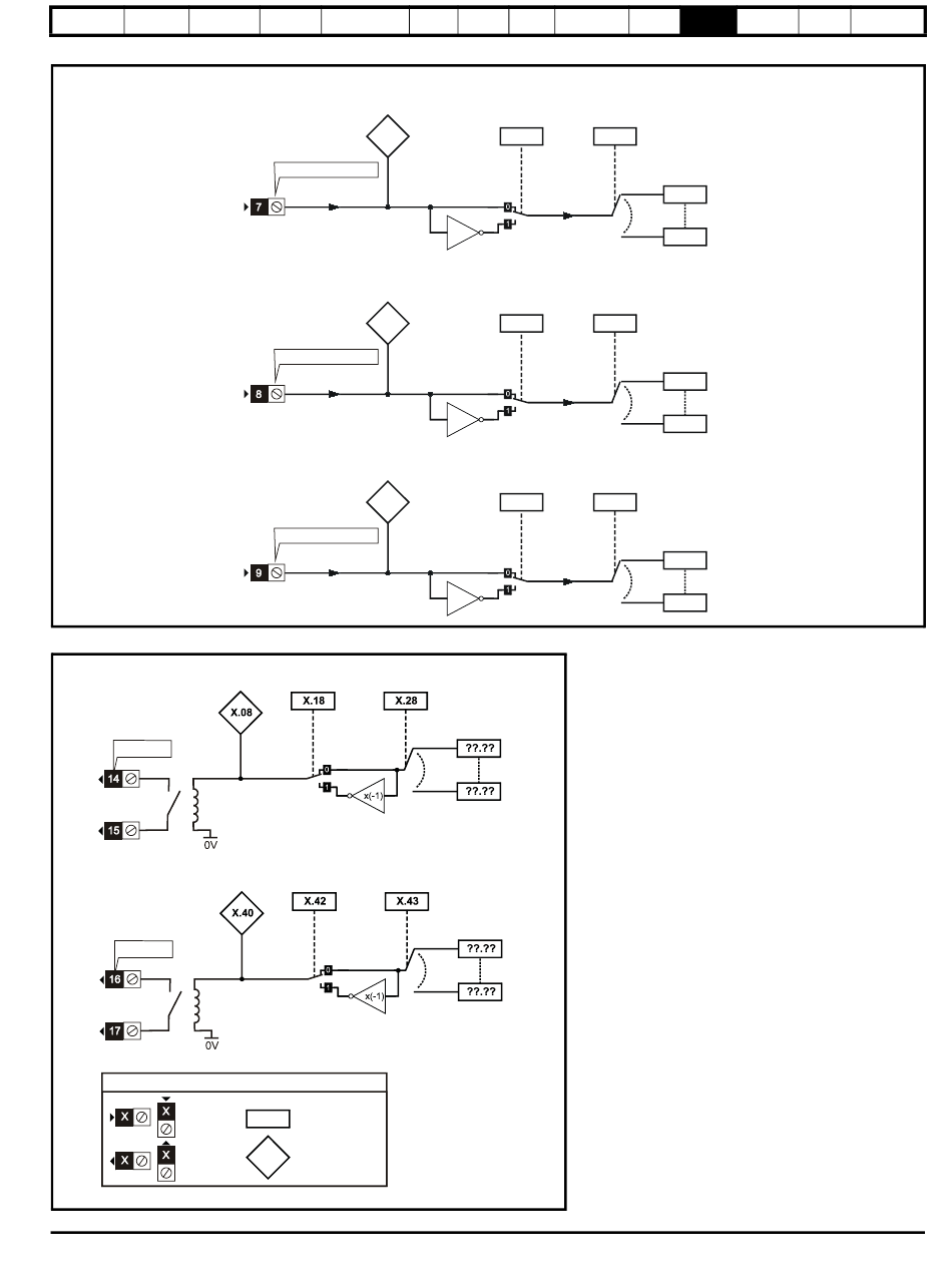
Digitaleingang 5
(T7)
X.05
T7: Digitaleingang 5
Status
Digitaleingang 6
(T8)
X.06
T8: Digitaleingang 6
Status
Digitaleingang 7
(T9)
X.07
T9: Digitaleingang 7
Invertierung
Relais 1:
Relaissignal 1
Quellparameter
Relais 2:
Invertierung
Quellparameter
Relaissignal 2
RW- Parameter
0.XX
0.XX
RO- Parameter
www.controltechniques.de
Inbetrieb-
Optimie-
SMARTCARD-
nahme
rung
Betrieb
Invertierung
Zielparameter
Digitaleingang 5
Digitaleingang 5
(T7)
(T7)
X.15
X.25
x(-1)
Zielparameter
Invertierung
Digitaleingang 6
Digitaleingang 6
(T8)
(T8)
X.16
X.26
x(-1)
Zielparameter
Invertierung
Digitaleingang 7
Digitaleingang 7
(T9)
(T9)
X.17
X.27
x(-1)
Beliebiger Bit-
oder Ganzzahl-
Parameter
Beliebiger Bit-
oder Ganzzahl-
Parameter
Onboard-
Erweiterte
Technische
Fehlerdia-
SPS
Parameter
Daten
gnose
Jeder
ungeschützte
Parameter
? ? .? ?
? ? .? ?
Jeder
ungeschützte
Parameter
? ? .? ?
? ? .? ?
Jeder
ungeschützte
Parameter
? ? .? ?
? ? .? ?
Hinweise zum
UL-Protokoll
239

Quicklinks ausblenden:

Inhaltsverzeichnis
loading

Inhaltsverzeichnis