Herunterladen Inhalt Inhalt Diese Seite drucken

SICK TR4 Direct Cylindrical Betriebsanleitung Seite 166

Vorschau ausblenden Andere Handbücher für TR4 Direct Cylindrical:
Inhaltsverzeichnis
Verfügbare Sprachen
  • DE

Verfügbare Sprachen

  • DEUTSCH, seite 3
fr
Chapitre 5
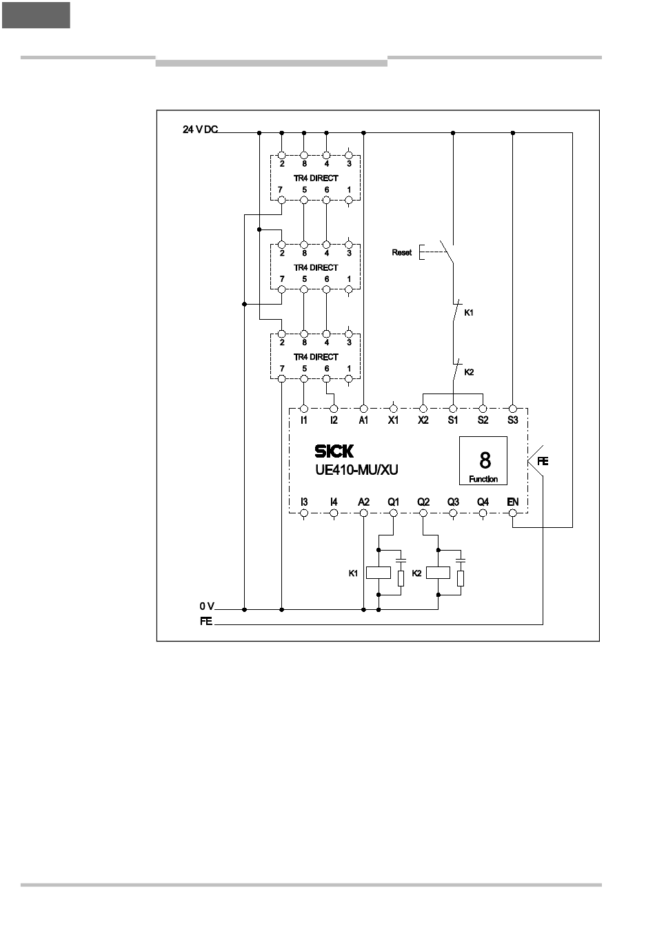
Fig. 8 : Raccordement
en cascade de plusi-
eurs interrupteurs de
sécurité TR4-S..01C
166
© SICK AG • Industrial Safety Systems • Allemagne • Tous droits réservés
Installation électrique
Raccorder les interrupteurs de sécurité comme indiqué Fig. 8.
Notice d'instructions
TR4
8014465/YTD7/2016-03-29
Sujet à modification sans préavis
Inhaltsverzeichnis
loading

Inhaltsverzeichnis