Herunterladen Inhalt Inhalt Diese Seite drucken

Verkabelung Von Drei-Phasen-Tandempumpen - Veeder-Root Red Jacket Quick-Set Installation, Betrieb Und Wartung

Inhaltsverzeichnis
Installation

Verkabelung von Drei-Phasen-Tandempumpen

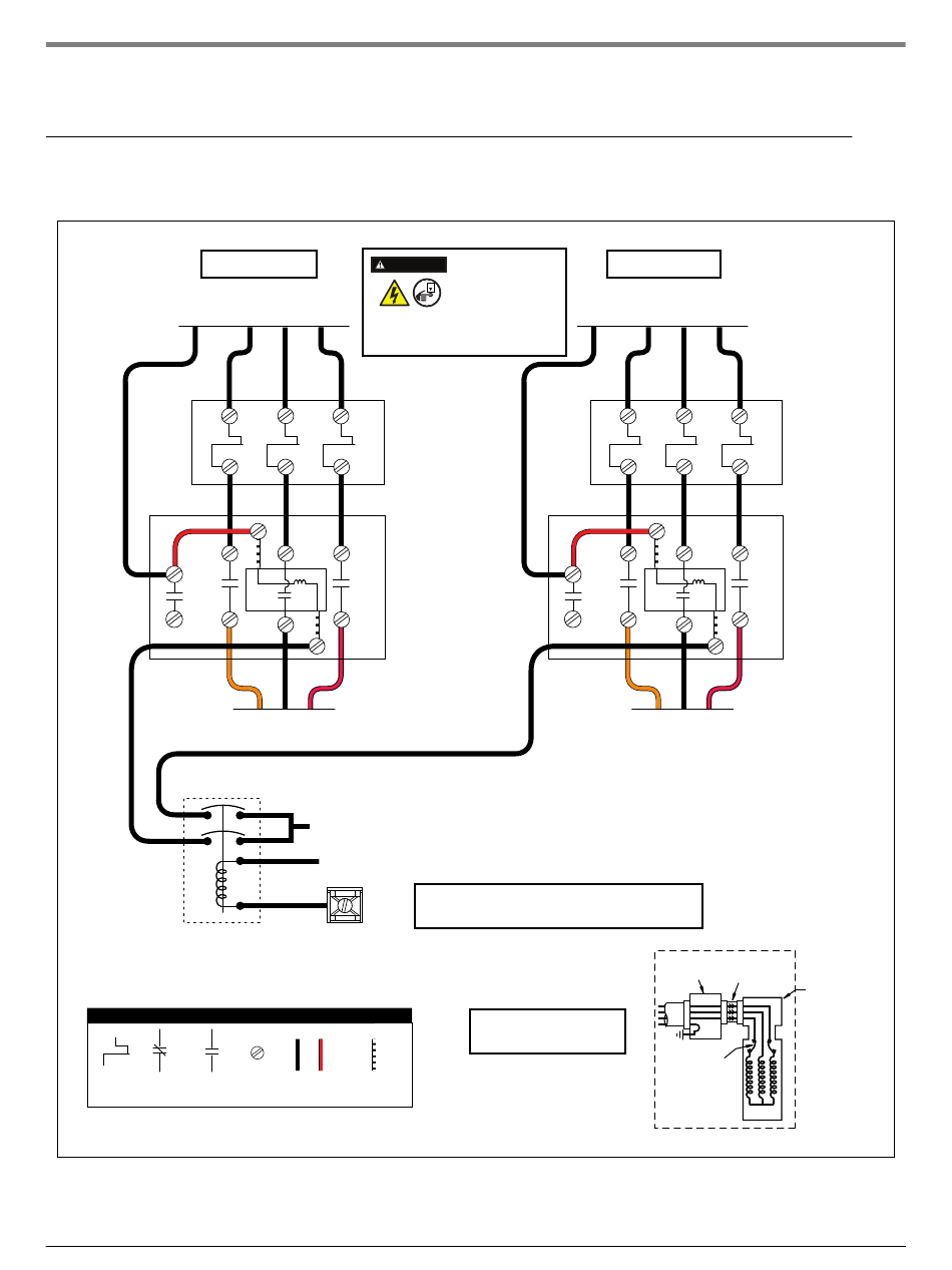
Abbildung 20 zeigt ein Anschlussschema, das es erlaubt, dass zwei Drei-Phasen-STPs gleichzeitig und mit jeder
Kombination von eingeschalteten Zapfsäulen betrieben werden können.
240 V-Spule
Zur 380 - 415 Volt-Versorgung
N
L1
3
2
Orange
2-poliges
Relais
(240 V-Spule)
LEGENDE
Bi-Metall-
Normalerweise
Normaler-
Schalter
geschlossener
weise offe-
Kontakt
ner Kontakt
Abbildung 20. Empfohlene Verkabelung von Drei-Phasen-Tandempumpen
WARNUNG
L1
L2
L3
L1
L2
L3
Manueller
Motorschutz
Siehe Anhang C
L2
L3
Schütz für
Fernsteuerung
COIL
Schwarz
Rot
Zur Tauch-Turbinenpumpe
L1 (380-415 V)
Neutralleiter der Stromversorgung
TB1
240 V
Isotrol
ATG
Schrauban-
Vom Techniker
Vom Hersteller
schluss
angeschlosse-
angeschlossenes
nes Kabel
Kabel
SCHALTEN SIE DIE
STROMVERSORGUNG
AM STROMVERTEILER
OFF
AUS, SPERREN SIE SIE
UND KENNZEICHNEN
Zur 380 - 415 Volt-Versorgung
SIE DIES, BEVOR SIE
DIE PUMPE
ANSCHLIESSEN.
3
2
Orange
Der ATG-Anschluss hat die gleiche Spannung und die
gleiche Phasenlage wie die Stromversorgung an L1.
Erdung gemäß den lokalen
Vorschriften ausführen.
26
Verkabelung von Drei-Phasen-Tandempumpen
240 V-Spule
N
L1
L2
L3
L1
L2
L3
L2
L1
L3
COIL
Schwarz
Rot
Zur Tauch-Turbinenpumpe
Anschlussdose in
der Verzweigung
Elektrische
Sperre
R
O
G
Wicklungsschutzschalter
Motor
STP
Manueller
Motorschutz
Siehe Anhang C
Schütz für
Fernsteuerung
Herausnehmbarer
Pumpenkopf
Inhaltsverzeichnis
loading

Inhaltsverzeichnis