Herunterladen Inhalt Inhalt Diese Seite drucken

CTC Enertech EcoLogic Pro Installations-, Wartungs-, Und Bedienungsanleitung Seite 101

Inhaltsverzeichnis
EcoLogic-System 5
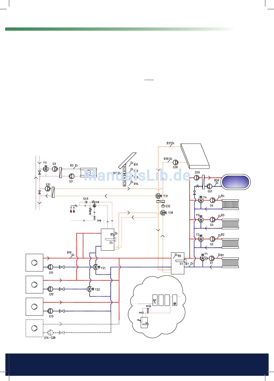
Die gesamte Heizleistung der Wärmepumpen und Zusatzwärmequellen gelangt zum
Heizkreis über den Pufferspeicher, der gegenüber dem Heizkreis eine konstante
Temperatur beibehält.
Beim EcoLogic-System 5 befindet sich die Zusatzwärmequelle
der Warmwasseranlage, während sie beim EcoLogic-System 4
Warmwasseranlage liegt.
Die Wärmepumpen A1 und A2 können über Umschaltventile angeschlossen
werden, die den Durchsatz so regeln, dass entweder die Warmwasseranlage oder
der Heizkreis versorgt wird. Die anderen Wärmepumpen sind an den Heizkreis
angeschlossen.
Solarenergie kann über Umschaltventile entweder zum Warmwasserspeicher oder
zu einem Pufferspeicher oder bei Erdwärmesystemen zur Energierückführung in den
Boden geleitet werden.
Eine Kühlung lässt sich problemlos an die Erdwärmeheizanlage anschließen.
Solekreislauf
Kühlung
WP A1
WP A2
WP A3
+
WP A4 bis A10
Gebläsekonvektor
WW
Alt A
WW-
Speicher
Für den Installateur
hinter
vor
der
Solarkollektoren
Pufferspeicher mit
Zusatzwärme
WW OPT B
CTC EcoLogic Pro/Family
Pool
Heizkreis 4
Heizkreis 3
Heizkreis 2
Heizkreis 1
101
Inhaltsverzeichnis
loading

Diese Anleitung auch für:

Ecologic family

Inhaltsverzeichnis