Herunterladen Inhalt Inhalt Diese Seite drucken

probst POWERPLAN PP Betriebsanleitung Seite 214

Flächenfertiger
Inhaltsverzeichnis
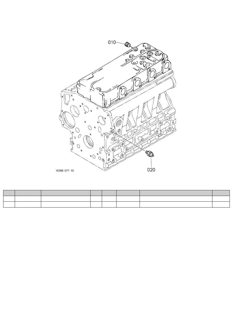
V1505-E4B-KEA-1 -> ENGINE -> 040600 OIL SWITCH/THERMOMETER/PLUG ## V1505-E4B-KEA-1
No
Part Number
010
15841-96020 PLUG
020
15841-39010 SWITCH,OIL
Update Date: 03/06/2015, Printing Date: 09/03/2016
Interchangeable =, Not Interchangeable NI, New for Old >>, Old for New <<
Part Name
Qty
1
1
IC
S/N
Remarks
Kg
0.02
0.03
Inhaltsverzeichnis
loading

Inhaltsverzeichnis