Herunterladen Inhalt Inhalt Diese Seite drucken

A 12.4 Relaisausgang Am Industriellen Prozessinterface - Micro-Epsilon Thermometer Tim 8 Betriebsanleitung

Vorschau ausblenden Andere Handbücher für thermoMETER TIM 8:
Inhaltsverzeichnis
Anhang | Prozessinterface-Schaltungen für thermoIMAGER TIM 40
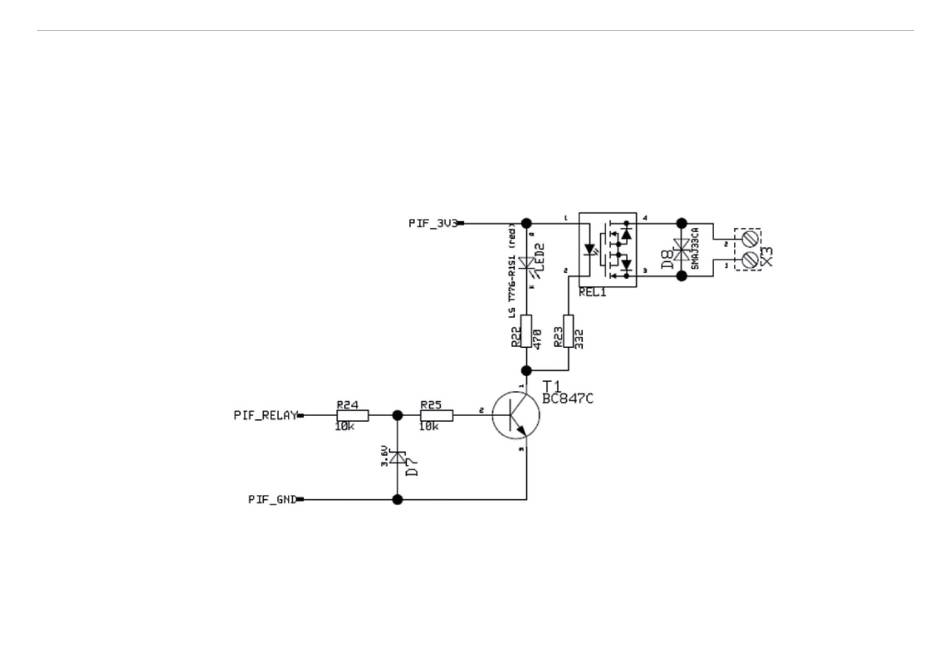
A 12.4
Der Analogausgang muss auf Alarm eingestellt sein.
Die Spannungspegel für AO1 - AO3 können in der Software eingestellt werden:
- kein Alarm: 0 V
- Alarm: 2 – 10 V
REL1-3 (D01-D03):
Abb. 65 Relaisausgang
thermoMETER TIM 8 / thermoIMAGER TIM 40 / TIM 41
Relaisausgang am industriellen Prozessinterface
U
= 30 VDC
max
I
= 400 mA
max
Seite 101
Inhaltsverzeichnis
loading

Diese Anleitung auch für:

Thermoimager tim 40Thermoimager tim 41

Inhaltsverzeichnis