Herunterladen Inhalt Inhalt Diese Seite drucken

Hydraulische Systemeinbindung - Rotex Solaris Bedienungs- Und Installationsanleitung

Vorschau ausblenden Andere Handbücher für Solaris:
Inhaltsverzeichnis
7

Hydraulische Systemeinbindung

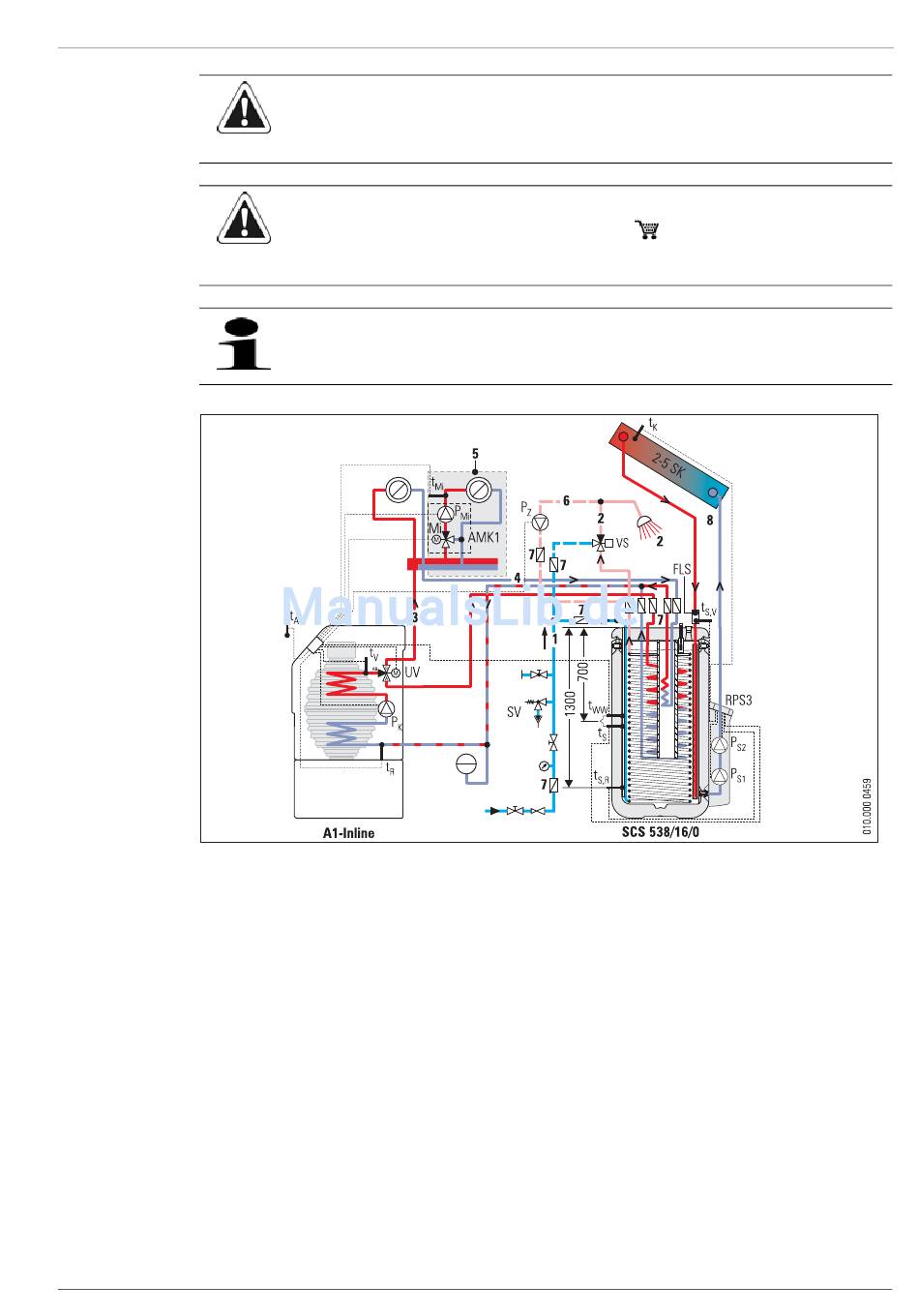
Bild 7-1
1)
Der Edelstahl-Wellrohr-Tauscher zur Heizungsunterstützung im Sanicube Solaris kann ca. 0,2 kW pro Kelvin Übertemperatur gegenüber der mittleren Tem-
peratur in der Solarzone des Speichers übertragen.
2)
Der zweite Edelstahl-Wellrohr-Ladetauscher im Sanicube Solaris kann ca. 1,0 kW pro Kelvin Übertemperatur gegenüber der mittleren Temperatur in der
Warmwasserzone des Speichers übertragen.
FA ROTEX Solaris - 08/2007
WARNUNG!
Im Solarspeicher können hohe Temperaturen auftreten. Bei der Warmwasser-Installation ist auf einen ausrei-
chenden Verbrühschutz (z. B. automatische Warmwasser-Mischeinrichtung) zu achten.
VORSICHT!
Optional können die ROTEX-Geräte mit Schwerkraftbremsen (
werden. Diese sind für Betriebstemperaturen von maximal 95 °C geeignet. Soll ein Wärmetauscher mit mehr
als 95 °C betrieben werden, ist bauseits eine andere Schwerkraftbremse zu installieren.
Nachfolgend ist eine Auswahl der am häufigsten installierten Anlagenschemata zusammengestellt. Die gezeig-
ten Anlagenschemata sind beispielhaft und ersetzen keinesfalls die sorgfältige Anlagenplanung. Weitere Sche-
mata entnehmen sie bitte der ROTEX Homepage.
Standard-Solaris-Einbindung mit SCS 538/16/0
7
x
Hydraulische Systemeinbindung
16 50 70) aus Kunststoff ausgerüstet
1) 2)
53

Quicklinks ausblenden:

Inhaltsverzeichnis
loading

Inhaltsverzeichnis