Herunterladen Inhalt Inhalt Diese Seite drucken

Maßzeichnungen - Sick Microscan3 Betriebsanleitung

Vorschau ausblenden Andere Handbücher für microScan3:
Inhaltsverzeichnis
13
TECHNISCHE DATEN
13.7
Maßzeichnungen
172
B E T R I E B S A N L E I T U N G | microScan3 – EFI-pro
112
Ø 99,5
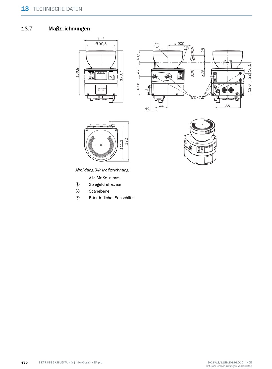
Abbildung 94: Maßzeichnung
Alle Maße in mm.
Spiegeldrehachse
1
Scanebene
2
Erforderlicher Sehschlitz
3
≤ 200
1
2
3
M5×7,5
44
12
85
8021912/11JN/2018-10-25 | SICK
Irrtümer und Änderungen vorbehalten

Quicklinks ausblenden:

Inhaltsverzeichnis
loading

Inhaltsverzeichnis