Anmelden
Hochladen
Herunterladen
Inhalt
Inhalt
Zu meinen Handbüchern
Löschen
Teilen
URL dieser Seite:
HTML-Link:
Lesezeichen hinzufügen
Hinzufügen
Handbuch wird automatisch zu "Meine Handbücher" hinzugefügt
Diese Seite drucken
×
Lesezeichen wurde hinzugefügt
×
Zu meinen Handbüchern hinzugefügt
Anleitungen
Marken
Rotex Anleitungen
Durchlauferhitzer
Solaris RPS3
Bedienungs- und installationsanleitung
Rotex Solaris RPS3 25M Bedienungs- Und Installationsanleitung Seite 36
Vorschau ausblenden
Andere Handbücher für Solaris RPS3 25M
:
Installationsanleitung
(48 Seiten)
,
Bedienungs und installationsanleitung handbuch
(56 Seiten)
1
2
Inhalt
3
4
5
6
7
8
9
10
11
12
13
14
15
16
17
18
19
20
21
22
23
24
25
26
27
28
29
30
31
32
33
34
35
36
37
38
39
40
41
42
43
44
45
46
47
48
49
50
51
52
53
54
55
56
57
58
59
60
Seite
von
60
Vorwärts
/
60
Inhalt
Inhaltsverzeichnis
Fehlerbehebung
Lesezeichen
Inhaltsverzeichnis
5
x
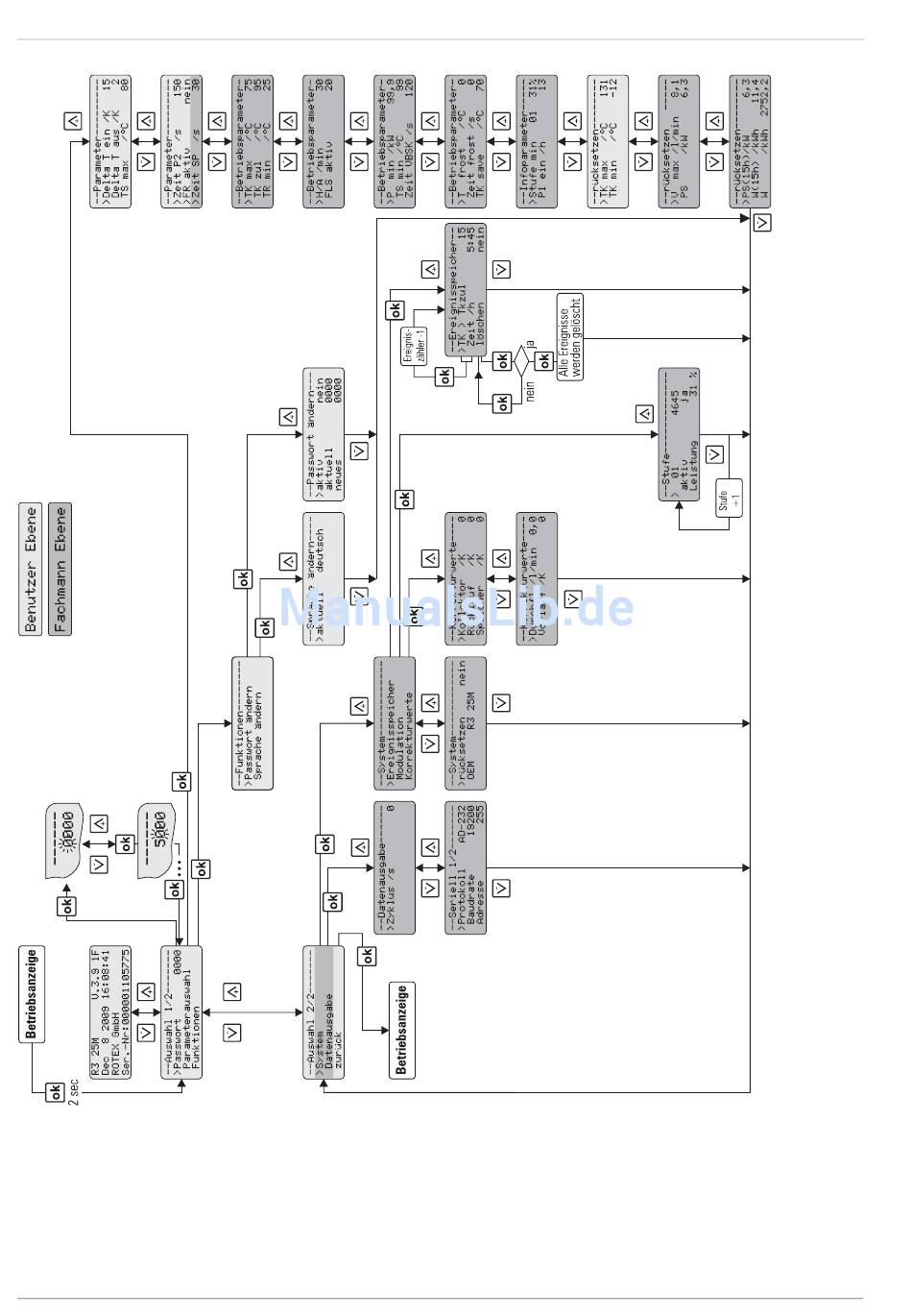
Regelung - Bedienung
Bild 5-5
Einstellmenü
36
FA ROTEX Solaris RPS3 25M - 03/2010
Inhalt
sverzeichnis
Vorherige
Seite
Nächste
Seite
1
...
33
34
35
36
37
38
39
40
Quicklinks anzeigen
Quicklinks:
Ereignisanzeige
Quicklinks ausblenden:
Permanent
Temporär
Abbrechen
Inhaltsverzeichnis
Fehlerbehebung
Fehler und Störungen
43
Störungsbehebung
44
Verwandte Anleitungen für Rotex Solaris RPS3 25M
Regelkreise Rotex Solaris RPS3 Bedienungs Und Installationsanleitung Handbuch
(56 Seiten)
Solaranlage Rotex Solaris RPS3 Installationsanleitung
Solarsystem regelungs- und pumpeneinheit (48 Seiten)
Durchlauferhitzer Rotex RKHTS200A Installationsanleitung
(68 Seiten)
Durchlauferhitzer Rotex RHBH04CA9W Installationsanleitung
(218 Seiten)
Verwandte Produkte für Rotex Solaris RPS3 25M
Rotex Solaris RPS3 P2
ROTEX Solaris V21P
ROTEX Solaris H26P
ROTEX Solaris V26P
Rotex Solaris V21A
Rotex Solaris H26A
Rotex Solaris V26A
Rotex RPS4
Rotex RKHBX008AA Serie
Rotex RRLQ014CAW1
Rotex R2CND024A4AA
Rotex R2TND012A4AA
Rotex RRHQ008ADV38
Rotex RKHTS260AB
Rotex RHSXB08P50D
ROTEX RKHH2E260AAV33
Inhaltsverzeichnis
Drucken
Lesezeichen umbenennen
Lesezeichen löschen?
Möchten Sie es aus Ihren Handbüchern löschen?
Anmelden
Anmelden
ODER
Mit Facebook anmelden
Mit Google anmelden
Anleitung hochladen
Von PC hochladen
Von URL hochladen