Herunterladen Inhalt Inhalt Diese Seite drucken

Grenzwerte Einstellen [Limits] - Prominent Dulcometer Compact Montage- Und Betriebsanleitung

Compact regler/messgröße: konduktive leitfähigkeit
Vorschau ausblenden Andere Handbücher für DULCOMETER Compact:
Inhaltsverzeichnis
Bedienmenüs
9.2
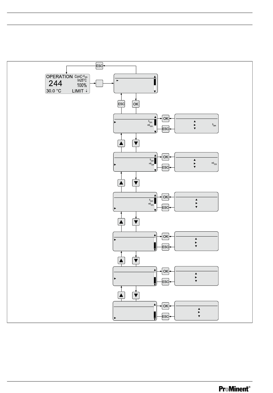
Grenzwerte einstellen
Abb. 25: Grenzwerte einstellen (LIMITS)
62
[LIMITS]
≡MENU
LIMITS
MENU
CONTROL
INPUT
※LIMITS
LIMIT↑= 0.020
LIMIT↓= 0.010
HYST.=
5%
※LIMITS
LIMIT↑= 0.020
LIMIT↓= 0.010
HYST.=
5%
※LIMITS
LIMIT↓= 0.020
LIMIT↑= 0.010
HYST.=
5%
※LIMITS
TLIMIT↑= 80.0 °C
TLIMIT↓=
0.0 °C
TIMELIM.=
0min
※LIMITS
TLIMIT↑= 80.0 °C
TLIMIT↓=
0.0 °C
TIMELIM.=
0min
※LIMITS
TLIMIT↑= 80.0 °C
TLIMIT↓=
0.0 °C
TIMELIM.=
0min
※LIMITS
LIMIT↑=
00.020
※LIMITS
LIMIT↓=
00.010
※LIMITS
05 %
HYST. =
※LIMITS
80.0 °C
TLIMIT↑=
※LIMITS
000.0 °C
TLIMIT↓=
※LIMITS
TIMELIM.= 000min
A1620
Inhaltsverzeichnis
loading

Inhaltsverzeichnis