Anmelden
Hochladen
Herunterladen
Inhalt
Inhalt
Zu meinen Handbüchern
Löschen
Teilen
URL dieser Seite:
HTML-Link:
Lesezeichen hinzufügen
Hinzufügen
Handbuch wird automatisch zu "Meine Handbücher" hinzugefügt
Diese Seite drucken
×
Lesezeichen wurde hinzugefügt
×
Zu meinen Handbüchern hinzugefügt
Anleitungen
Marken
Rotex Anleitungen
Regelkreise
Solaris RPS3
Bedienungs und installationsanleitung handbuch
Rotex Solaris RPS3 Bedienungs Und Installationsanleitung Handbuch Seite 48
Vorschau ausblenden
Andere Handbücher für Solaris RPS3
:
Installationsanleitung
(48 Seiten)
,
Bedienungs- und installationsanleitung
(60 Seiten)
1
2
Inhalt
3
4
5
6
7
8
9
10
11
12
13
14
15
16
17
18
19
20
21
22
23
24
25
26
27
28
29
30
31
32
33
34
35
36
37
38
39
40
41
42
43
44
45
46
47
48
49
50
51
52
53
54
55
56
Seite
von
56
Vorwärts
/
56
Inhalt
Inhaltsverzeichnis
Fehlerbehebung
Lesezeichen
Inhaltsverzeichnis
7
x
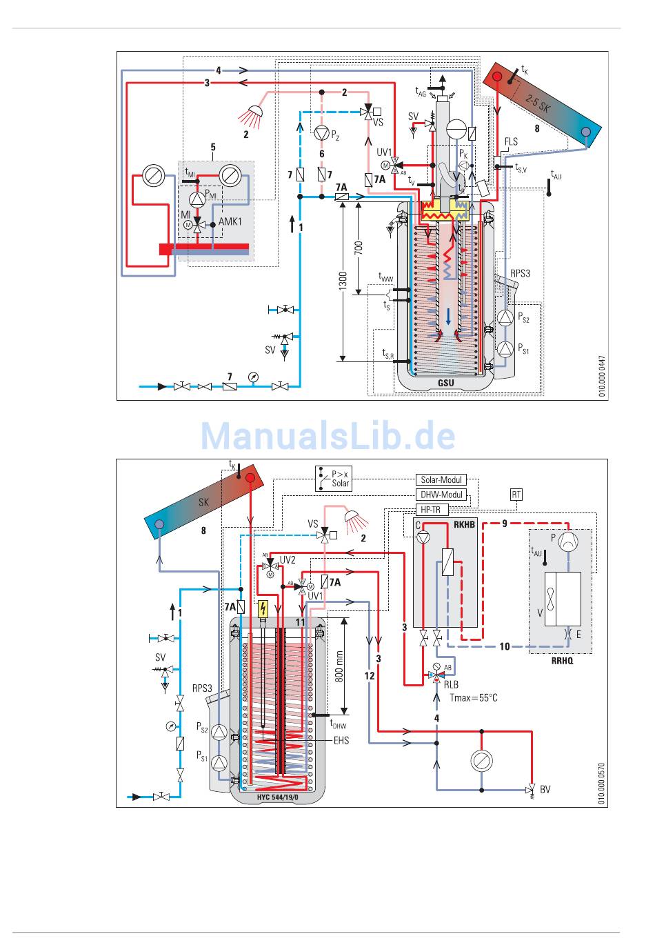
Hydraulische Systemeinbindung
Bild 7-2
Bild 7-3
48
Standard-Solaris-Einbindung mit GasSolarUnit (GSU)
Standard-Solaris-Einbindung mit Luft-Wasser-Wärmepumpe (HPSU Bi-Bloc mit Raumheiz- und Kühlfunktion)
1)
1)
FA ROTEX Solaris RPS3 - 02/2010
Inhalt
sverzeichnis
Vorherige
Seite
Nächste
Seite
1
...
45
46
47
48
49
50
51
52
Quicklinks anzeigen
Quicklinks:
Regelungs- und Pumpeneinheit Rps3
Montage Temperaturfühler
Funktionsweise der Regelung
Quicklinks ausblenden:
Permanent
Temporär
Abbrechen
Inhaltsverzeichnis
Fehlerbehebung
Fehler und Störungen
43
Störungsbehebung
44
Verwandte Anleitungen für Rotex Solaris RPS3
Durchlauferhitzer ROTEX Solaris RPS3 25M Bedienungs- Und Installationsanleitung
(60 Seiten)
Solaranlage Rotex Solaris RPS3 Installationsanleitung
Solarsystem regelungs- und pumpeneinheit (48 Seiten)
Verwandte Produkte für Rotex Solaris RPS3
Rotex Solaris RPS3 P2
ROTEX Solaris V21P
ROTEX Solaris H26P
ROTEX Solaris V26P
Rotex Solaris V21A
Rotex Solaris H26A
Rotex Solaris V26A
Rotex RPS4
Rotex RKHBX008AA Serie
Rotex RRLQ014CAW1
Rotex R2CND024A4AA
Rotex R2TND012A4AA
Rotex RRHQ008ADV38
Rotex RKHTS260AB
Rotex RHSXB08P50D
ROTEX RKHH2E260AAV33
Inhaltsverzeichnis
Drucken
Lesezeichen umbenennen
Lesezeichen löschen?
Möchten Sie es aus Ihren Handbüchern löschen?
Anmelden
Anmelden
ODER
Mit Facebook anmelden
Mit Google anmelden
Anleitung hochladen
Von PC hochladen
Von URL hochladen