Herunterladen Inhalt Inhalt Diese Seite drucken

Hydraulische Systemeinbindung; Schemata - Daikin Rotex Rps4 Betriebs Und Installationsanleitung

Regelungs- und pumpeneinheit für solaris solarsysteme
Inhaltsverzeichnis
8

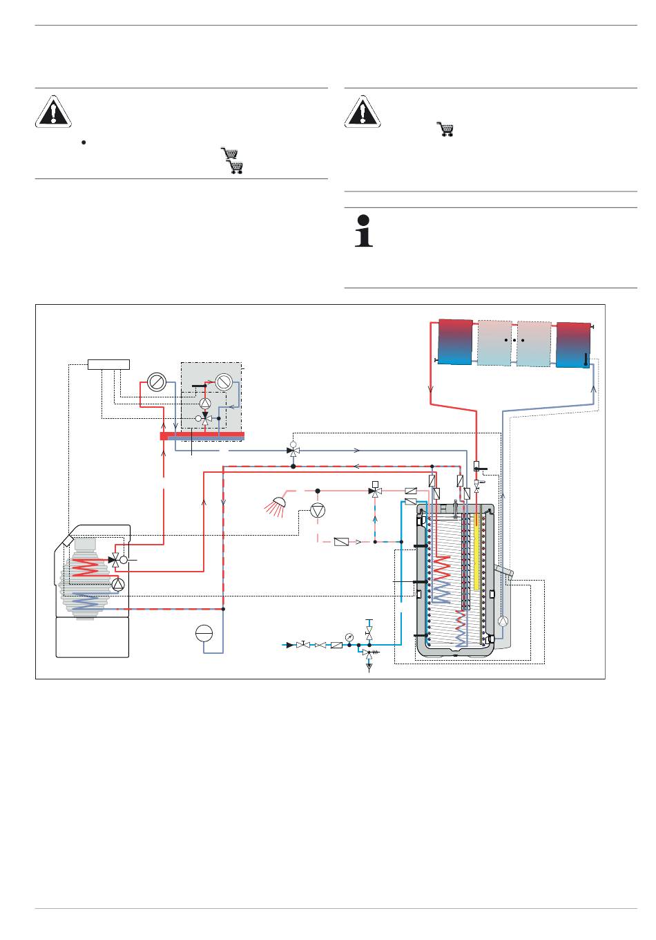
Hydraulische Systemeinbindung

8.1 Schemata

WARNUNG!
Im Solarspeicher können Temperaturen über 60 °C
auftreten.
Verbrühschutz einbauen.
– Verbrühschutz VTA32 (
– Verschraubungs-Set 1" (
RoCon M1
RoCon
(BF)
AB B
3UV1
M
A
P
K
A1
Bild 8-1
Standard-Solaris-Einbindung mit SCS 538/16/0 und A1Gas- oder A1-Ölbrennwertkessel
FA ROTEX Solaris RPS4 - 06/2015
15 60 15)
15 60 16)
5
H
H
1
2
t
MI
P
MI
MIX
M
4
MK1/MK2
3
DHW
MAG
CW
8
x
Hydraulische Systemeinbindung
VORSICHT!
Optional können die ROTEX-Geräte mit Zirkulations-
bremsen (
werden. Diese sind für Betriebstemperaturen von
maximal 95 °C geeignet. Soll ein Wärmetauscher mit
mehr als 95 °C betrieben werden, ist bauseits eine
andere Zirkulationsbremsen zu installieren.
Nachfolgend ist eine Auswahl der am häufigsten instal-
lierten Anlagenschemata zusammengestellt. Die
gezeigten Anlagenschemata sind beispielhaft und
ersetzen keinesfalls die sorgfältige Anlagenplanung.
Weitere Schemata entnehmen sie bitte der ROTEX
Homepage unter http://www.rotex.de.
3UV3
M
VS
2
P
Z
6
7
T
S
t
DHW
1
T
R
7
SV
16 50 70) aus Kunststoff ausgerüstet
SK
8
FLS
T
V
7a
FLG
RPS4
P
S
S#H
1)
T
K
37
Inhaltsverzeichnis
loading

Diese Anleitung auch für:

Rotex solaris r4

Inhaltsverzeichnis