Herunterladen Inhalt Inhalt Diese Seite drucken

Permatherm ® D Universa Mit Universal Einbauraumtemperaturregler Rei 011 Mz - Dimplex Permatherm Servicehandbuch

Elektro-speicherheizungen
Inhaltsverzeichnis
PERMATHERM
die Elektromeister-Heizung
4.2.3.
PERMATHERM
®
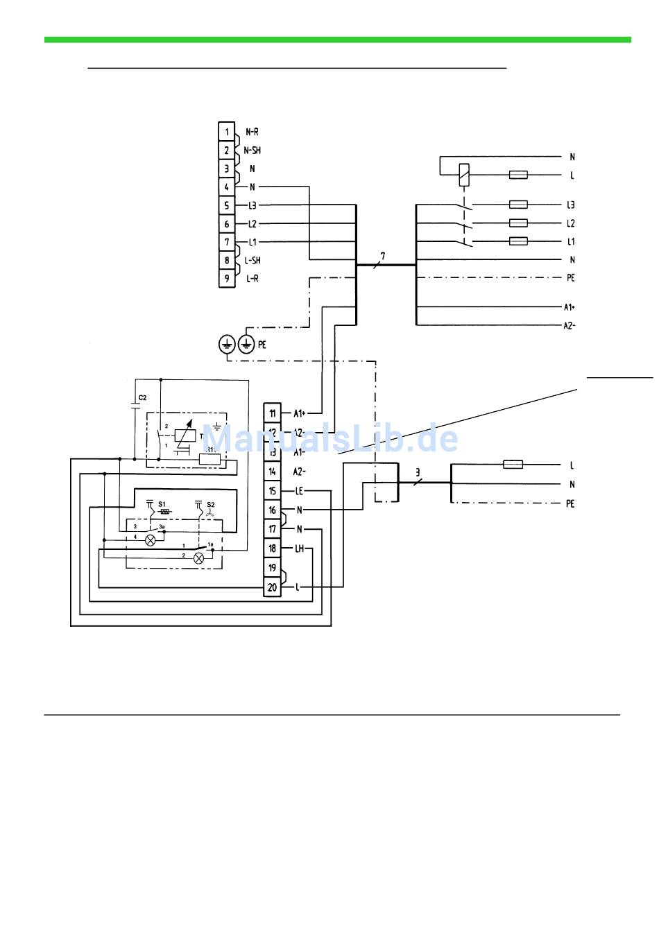
Standardinstallation mit Heizungsschütz
(Innere Verdrahtung
nicht dargestellt)
Klemmenbezeichnungen:
N-R
Spannungsversorgung (Mittelleiter) für AC/DC-Aufladeregler
N-SH
Mittelleiter - Direktansteuerung über SH-Kontakt
N
Mittelleiter
L1, L2, L3
Außenleiter
L-SH
Außenleiter- Direktansteuerung über SH-Kontakt
L-R
Spannungsversorgung (Außenleiter) für AC/DC-Aufladeregler
PE
Schutzleiter
A1 + / A2-
Steuersignal - DC-Aufladesteuerung
(Gleichspannung 0,91 - 1,43V)
A1∼ ∼ ∼ ∼ / A2 ∼ ∼ ∼ ∼
Steuersignal - AC-Aufladesteuerung
(Wechselspannung 230V ED%)
LE
Außenleiter - Lüfteransteuerung extern
LH
Außenleiter - Zusatzheizung
D Universa mit Universal-Einbauraumtemperaturregler REI 011 MZ
}
Bauteile:
C2
Entstörkondensator
R11
Kompensationswiderstand
S1
Schalter - Nachtabsenkung
S2
Schalter - Zusatzheizung
TR
Temperaturregler
Servicehandbuch
Steuersignal
DC 0,91 – 1,43V
oder wahlweise
Steuersignal
230V ED% an
Klemmen A1~
und A2~
(Klemmen 13/14)

Quicklinks ausblenden:

Inhaltsverzeichnis
loading

Inhaltsverzeichnis