Herunterladen Inhalt Inhalt Diese Seite drucken

Aufbaumöglichkeiten Mit Antennenweiche (2-4 Antennen) - Siemens Simatic Rf200 Systemhandbuch

Vorschau ausblenden Andere Handbücher für SIMATIC RF200:
Inhaltsverzeichnis
RF200-System planen
4.3 Einbaurichtlinien
4.3.5.1
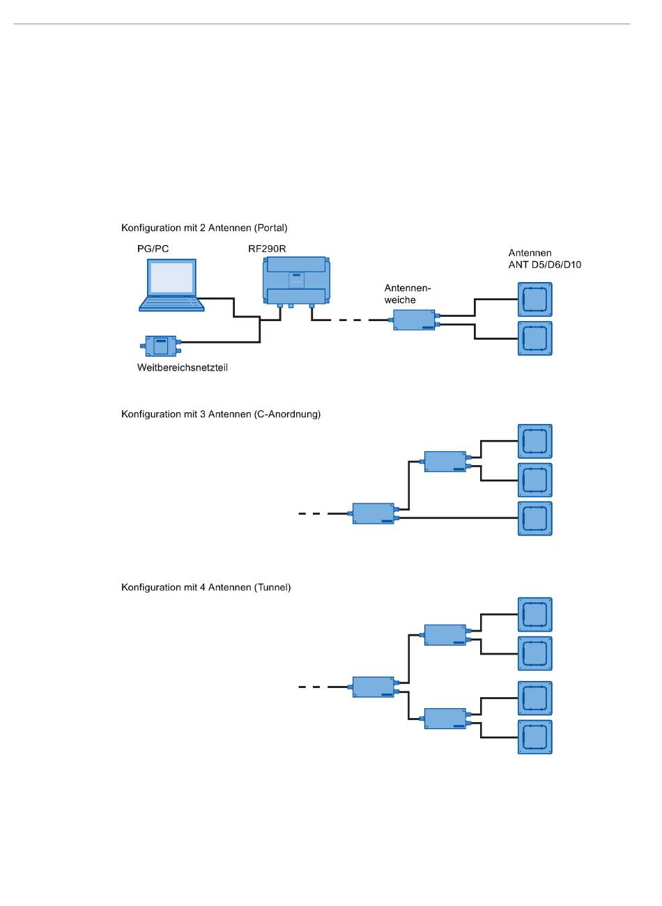
Aufbaumöglichkeiten mit Antennenweiche (2-4 Antennen)
Mögliche Konfigurationen der Antennen
Die hier beschriebenen Antennenaufbauten wurden zum Lesen von Smart Labels
(Transpondern) an Waren auf Förderbändern, Fördersystemen oder Paletten konzipiert.
Voraussetzung ist, dass keine größeren magnetisch leitenden Stoffe (z. B. Metall) in der
Nähe der Antenne oder des Labels sind.
Bild 4-16
98
Mögliche Konfiguration RF290R mit ANT D5/D6/D10
Systemhandbuch, 03/2019, J31069-D0227-U001-A11-0019
SIMATIC RF200
Inhaltsverzeichnis
loading

Inhaltsverzeichnis