Herunterladen Inhalt Inhalt Diese Seite drucken

Belegung Der Platine Eos Compact Dc - Eos Compact Dc Montage- Und Gebrauchsanweisungen

Steuergerät für saunakabinen
Inhaltsverzeichnis
DE
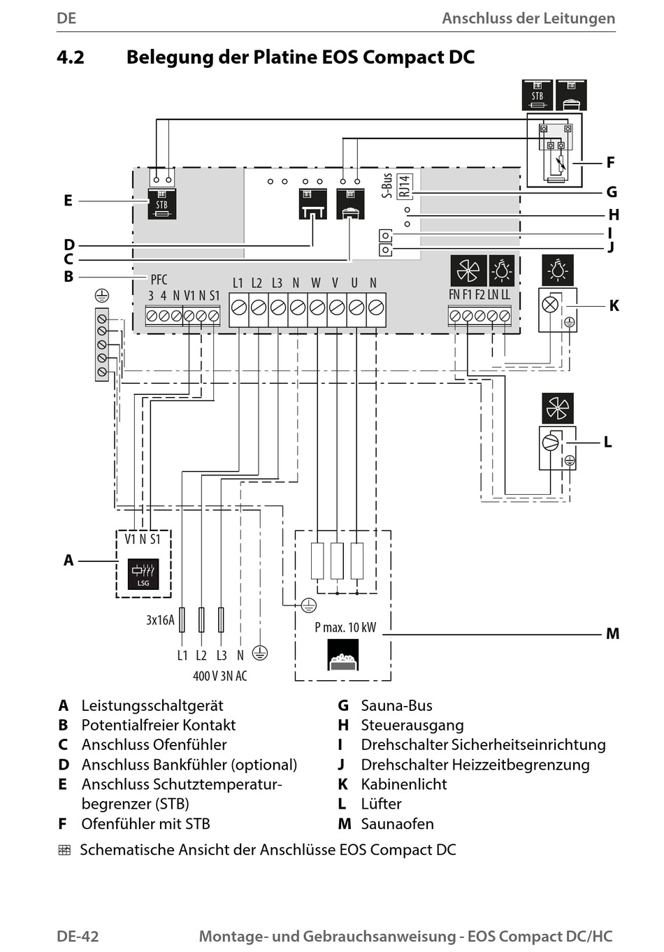
4.2

Belegung der Platine EOS Compact DC

E
STB
D
C
B
PFC
3 4 N
V1 S1
N
A
LSG
3x16A
L1 L2 L3 N
A Leistungsschaltgerät
B Potentialfreier Kontakt
C Anschluss Ofenfühler
D Anschluss Bankfühler (optional)
E Anschluss Schutztemperatur-
begrenzer (STB)
F Ofenfühler mit STB
 Schematische Ansicht der Anschlüsse EOS Compact DC
DE-42
L1 L2 L3 N W V U N
V1 S1
N
400 V 3N AC
Montage- und Gebrauchsanweisung - EOS Compact DC/HC
P max. 10 kW
G Sauna-Bus
H Steuerausgang
I
Drehschalter Sicherheitseinrichtung
J Drehschalter Heizzeitbegrenzung
K Kabinenlicht
L Lüfter
M Saunaofen
Anschluss der Leitungen
STB
FN F1 F2 LN LL
F
G
H
I
J
K
L
M
Inhaltsverzeichnis
loading

Diese Anleitung auch für:

Compact hc

Inhaltsverzeichnis