Herunterladen Inhalt Inhalt Diese Seite drucken

Ausbau Des Set02; Anschluß Weiterer Xbus-Eingabegeräte - Lenz Digital Plus Set02 Information

Inhaltsverzeichnis

Ausbau des SET02

14
Ausbau des SET02
Trafo
Trafo
Trafo
In diesem Abschnitt erfahren Sie
wie Sie weitere Eingabegeräte (Handregler etc.) an Ihr SET02
-
anschließen können
wie Sie einen größeren Leistungsbedarf Ihrer Modellbahn decken
-
wie Sie Ihr SET02 mit der Zentrale LZ100 ausbauen, um die Anzahl
-
der gespeicherten Lokdaten zu erhöhen und Rückmeldungen
auswerten zu können.
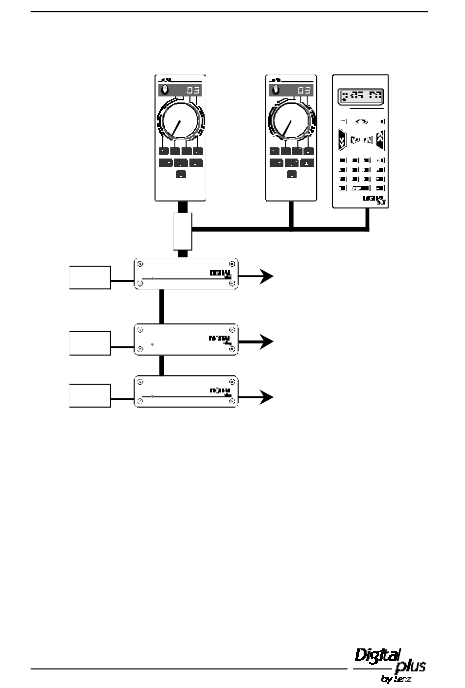
14.1 Anschluß weiterer XBUS-Eingabegeräte
Unter XBUS-Eingabegeräten verstehen wir Handregler, Stellwerk,
Interface und Übersetzungsmodul, also alle Geräte, von denen aus die
Modellbahn gesteuert wird. Der LH200 ist im SET02 gleichzeitig
Eingabegerät und Zentrale, wie schon weiter oben geschrieben. Als
Zentrale erzeugt er nicht nur das Gleisformat, sondern er kann auch
LH200
Adapter
LA152
LV101
LV101
LV101
LV101
LV101
LV101
LH200
LH100
LH 100
Gleisbereich 1
Gleisbereich 2
Gleisbereich 3
37

Quicklinks ausblenden:

Inhaltsverzeichnis
loading

Inhaltsverzeichnis