Herunterladen Inhalt Inhalt Diese Seite drucken

Testen Eines 3- Phasen Photovoltaik-System (Mit F1-Taste) - Ht Instruments Solar300N Betriebsanleitung

Inhaltsverzeichnis
7.2.

TESTEN EINES 3- PHASEN PHOTOVOLTAIK-SYSTEM (MIT F1-TASTE)

Die maximale zulässige Spannung an den D1, D2, A1, A2, A3 Eingängen ist
1000V / CAT IV 600V zu Erde. Messe keine Spannungen die das – in dieser
Anleitung - beschriebene
überschritten werden, kann das eine Beschädigung am Gerät zur Folge
haben und /oder Ihre Sicherheit gefährdet werden.
Wenn möglich, schalten Sie vor dem Anschluss des Messgerätes, dessen
Kontaktierungspunkte mit Hilfe der Schalter S1 und S2 ab.
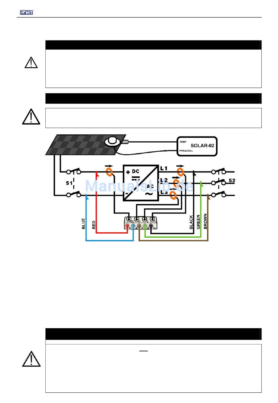
Abb. 212: Messgeräteanschluss an einem 3-Phasen-Photovoltaik System
1. Überprüfen Sie, und wenn notwendig, verändern Sie die Grundeinstellungen des
Instrumentes. Wählen Sie die Konfiguration 3-PV. Überprüfen Sie auch die Parameter des
Photovoltaik-Systems, in Anbetracht der eingestellten korrespondierenden Werte.
2. Benutzen Sie das SOLAR-02 und überprüfen Sie es auf korrekte Einstellung zur
Referenzzelle HT304.
3. Verbinden Sie die Eingänge D1 und D2 mit den entsprechenden positiven und negativen
Messleitungsanschlüssen. Verbinden Sie die Eingänge A1, A2 und A3 mit den 3 Phasen
L1, L2 und L3 entsprechend den Farben wie obiger Abbildung gezeigt.
4. Verbinden Sie den Ausgangsstecker des DC Stromwandlers mit dem I
SOLAR300N.
VOR DEM UMLEGEN DER DC STROMZANGEN AN DEN LEITER
Schalten Sie die Stromzange ein, überprüfen Sie die LEUCHTDIODE, die
den Status der internen Batterie der Stromzange anzeigt (falls vorhanden),
wählen Sie den korrekten Bereich aus, drücken Sie die ZERO Taste auf der
DC Stromzange und überprüfen Sie auf dem Display des SOLAR 300N ob
der Idc Wert auf 0,00A DC zurückgesetzt wird (Werte bis zu 0.02A sind akzeptabel)
ACHTUNG
Limit
übersteigen. Sollte das Spannungslimit
ACHTUNG
ACHTUNG
- 160 -
SOLAR300N
Eingang des
DC
Inhaltsverzeichnis
loading

Diese Anleitung auch für:

10020514

Inhaltsverzeichnis