Herunterladen Inhalt Inhalt Diese Seite drucken
Inhaltsverzeichnis
Diagramme
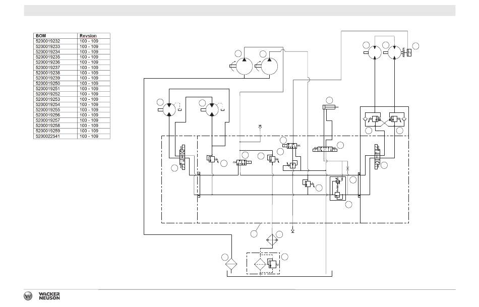
12.23 Hydraulikschema — 1
wc_gr012975
5
EP
6 GPM
7
6
EM
EM
A
B
EF
ER
EP
b
4000 PSI
10
276 bar
9
8
a
24
150
4
DP
6 GPM
14
G-EP
B
DP
SR
SL
12
15
b
a
13
11
90 PSI
6 bar
3500 PSI
241 bar
3000 PSI
207 bar
21
1000 PSI
69 bar
TF
G-DP
T
25
22
23
RT / RTx
3
2
1
DM
DM
A
B
16
17
A
B
a
18
.125
b
19
20
wc_gr007273
wc_tx003865de_FM10.fm
Inhaltsverzeichnis
loading

Inhaltsverzeichnis