Herunterladen Inhalt Inhalt Diese Seite drucken

Elektrischer Anschluss; Anschlussplan Torrix; Anschlussplan Torrix Ex; Abbildung 7: Anschlussplan Für Torrix - Fafnir Torrix Technische Dokumentation

Vorschau ausblenden Andere Handbücher für TORRIX:
Inhaltsverzeichnis
5

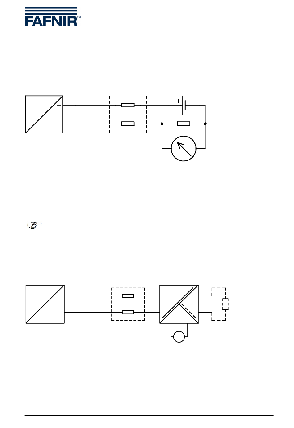
Elektrischer Anschluss

5.1

Anschlussplan TORRIX

Der Füllstandsensor ohne Ex-Zulassung wird nach dem folgenden Anschlussplan installiert:
TORRIX
Y
U
= 8 V
_
min
I
Abbildung 7: Anschlussplan für TORRIX
Spannungsquelle: U
max
Mindestversorgungsspannung: U
Zulässiger Gesamtwiderstand (inkl. Leitungswiderstände und Bürde):
ΣR = (U - U
) / 0,0215 A
min
Zum Anschluss des Kabels siehe Kapitel 5.4
5.2

Anschlussplan TORRIX Ex

Der Füllstandsensor mit Ex-Zulassung wird in explosionsgefährdeter Umgebung nach dem
folgenden Anschlussplan installiert:
(Ex-Ausführung)
TORRIX
(Ex-Ausführung)
Y
+
8...30 V
4...20 mA
-
I
Abbildung 8: Anschlussplan für TORRIX Ex
Spannungsquelle: U
max
Mindestversorgungsspannung: U
Zulässiger Gesamtwiderstand (inkl. Leitungswiderstände und Bürde):
ΣR = (U - U
) / 0,0215 A
min
Seite 9/44
R1
R2
Leitungswiderstände
Leitungswiderstände
= 30 V DC
= 8 V
min
R1
R2
Leitungswiderstände
Leitungswiderstände
= 30 V DC
= 8 V
min
Spannungsquelle
Spannungsquelle
U
= 30 V
max
R3
Bürde
Bürde
U
Trennverstärker (Beispiel)
Trennverstärker
(Beispiel)
+
4...20 mA
-
Hilfsenergie
Hilfsenergie
Elektrischer Anschluss

Quicklinks ausblenden:

Inhaltsverzeichnis
loading

Inhaltsverzeichnis