Anmelden
Hochladen
Herunterladen
Inhalt
Inhalt
Zu meinen Handbüchern
Löschen
Teilen
URL dieser Seite:
HTML-Link:
Lesezeichen hinzufügen
Hinzufügen
Handbuch wird automatisch zu "Meine Handbücher" hinzugefügt
Diese Seite drucken
×
Lesezeichen wurde hinzugefügt
×
Zu meinen Handbüchern hinzugefügt
Anleitungen
Marken
Wilo Anleitungen
Industrielle Ausrüstung
Isar-MODH1
Einbau- und betriebsanleitung
Wilo Isar-MODH1 Einbau- Und Betriebsanleitung Seite 25
Vorschau ausblenden
1
2
3
4
5
6
7
8
9
10
11
12
13
14
15
16
17
18
19
20
21
22
23
24
25
26
Inhalt
27
28
29
30
31
32
33
34
35
36
37
38
39
40
41
42
43
44
45
46
47
48
49
50
51
52
53
54
55
56
57
58
59
60
61
62
63
64
Seite
von
64
Vorwärts
/
64
Inhalt
Inhaltsverzeichnis
Fehlerbehebung
Lesezeichen
Inhaltsverzeichnis
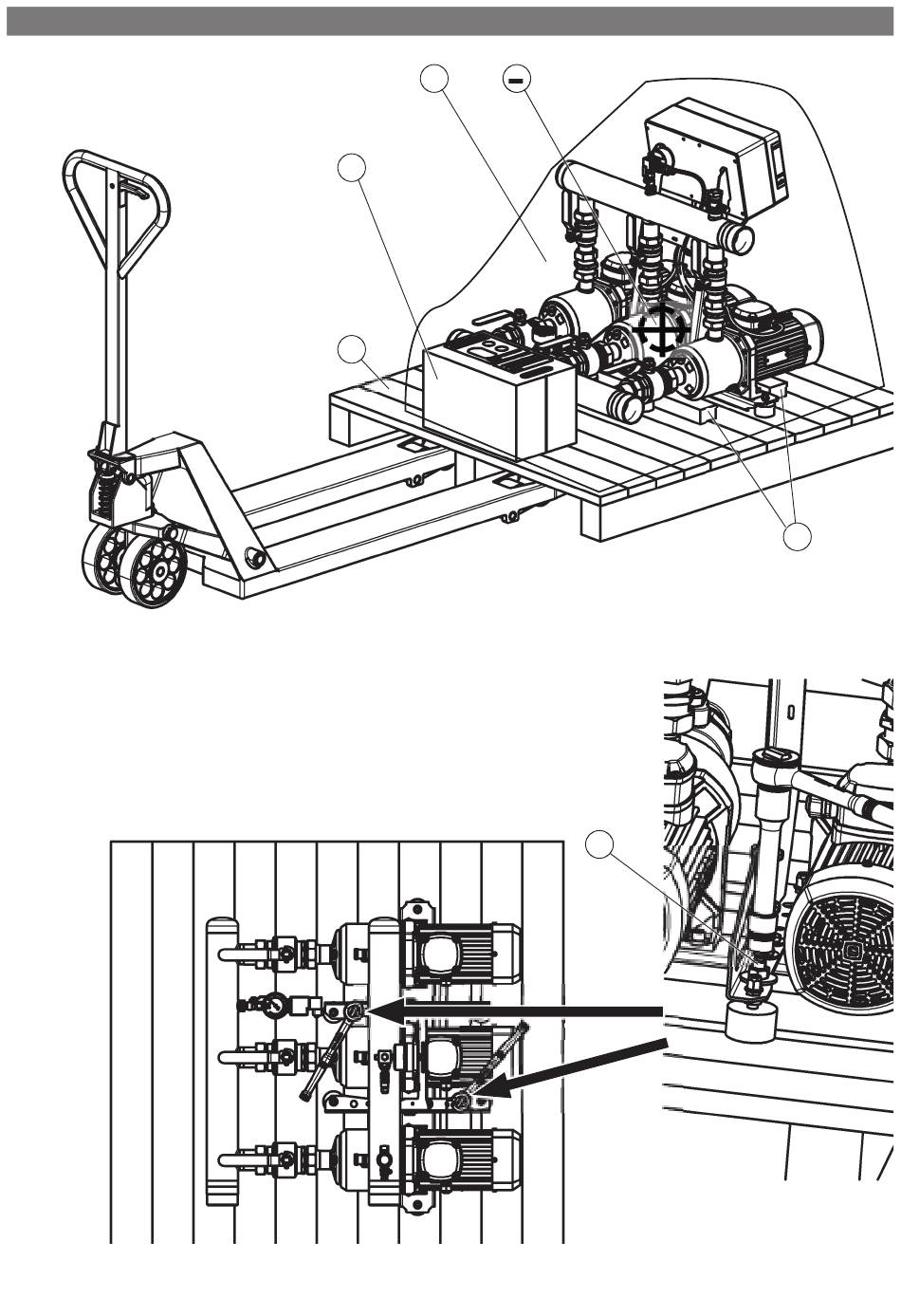
Fig. 13a
Fig. 1
59
60
60
58
55
57
2x
56
Inhalt
sverzeichnis
Vorherige
Seite
Nächste
Seite
1
...
22
23
24
25
26
27
28
29
Inhaltsverzeichnis
Verwandte Anleitungen für Wilo Isar-MODH1
Industrielle Ausrüstung Wilo Wilo-Flumen OPTI-RZP 20-1-Serie Einbau- Und Betriebsanleitung
(20 Seiten)
Industrielle Ausrüstung Wilo Sinum Einbau- Und Betriebsanleitung
(48 Seiten)
Industrielle Ausrüstung Wilo Tagus Vac Einbau- Und Betriebsanleitung
(346 Seiten)
Industrielle Ausrüstung Wilo Comfort-CO MVI-Serie Einbau- Und Betriebsanleitung
(40 Seiten)
Industrielle Ausrüstung Wilo SiBoost Smart Einbau- Und Betriebsanleitung
(64 Seiten)
Industrielle Ausrüstung Wilo FE-80 Einbau- Und Betriebsanleitung
Füll- und entleerungsstation (22 Seiten)
Industrielle Ausrüstung Wilo OPTI-RZP 20-1-Serie Einbau- Und Betriebsanleitung
(44 Seiten)
Industrielle Ausrüstung Wilo Yonos PICO1.0 Einbau- Und Betriebsanleitung
(24 Seiten)
Industrielle Ausrüstung Wilo Wilo-EMU FA+T-Motor Installations- Und Betriebs-Anleitung
(404 Seiten)
Industrielle Ausrüstung Wilo EMU TR 14-40 Einbau- Und Betriebsanleitung
(1280 Seiten)
Industrielle Ausrüstung Wilo SiBoost Smart Helix V Einbau- Und Betriebsanleitung
(48 Seiten)
Industrielle Ausrüstung Wilo Sub TWI-Serie Bedienungsanleitung
(12 Seiten)
Industrielle Ausrüstung Wilo RexaBloc RE Einbau- Und Betriebsanleitung
(32 Seiten)
Industrielle Ausrüstung Wilo COF-2 Helix Einbau- Und Betriebsanleitung
(16 Seiten)
Industrielle Ausrüstung Wilo Flumen OPTI-TR 50-3-Serie Einbau- Und Betriebsanleitung
(52 Seiten)
Verwandte Produkte für Wilo Isar-MODH1
Wilo Wilo-IPH-W Series
Wilo IF Modul BACnet
Wilo IF Modul Modbus
Wilo Wilo-VeroLine IP-E 40-4
Wilo Wilo-VeroLine IP-E 160-2
Wilo Wilo-CronoLine IL 250 series
Wilo Wilo-IL series
Wilo Wilo-IPn serie
Wilo IF-Module Stratos
Wilo IL 100/360-15/4
Wilo Vero IPL 65/130-4/2
Wilo Crono IL 40/150-3/2
Wilo IF-Modul LON
Wilo Para ST15/7 IPWM2
Wilo IF-module LON
Wilo COF-2HELIX606-T-V-CPI
Diese Anleitung auch für:
Sar-modv1
Inhaltsverzeichnis
Drucken
Lesezeichen umbenennen
Lesezeichen löschen?
Möchten Sie es aus Ihren Handbüchern löschen?
Anmelden
Anmelden
ODER
Mit Facebook anmelden
Mit Google anmelden
Anleitung hochladen
Von PC hochladen
Von URL hochladen