Herunterladen Inhalt Inhalt Diese Seite drucken

mectron COMPACT PIEZO LED Installationshandbuch Seite 112

Vorschau ausblenden Andere Handbücher für COMPACT PIEZO LED:
Inhaltsverzeichnis
Verfügbare Sprachen
  • DE

Verfügbare Sprachen

  • DEUTSCH, seite 43
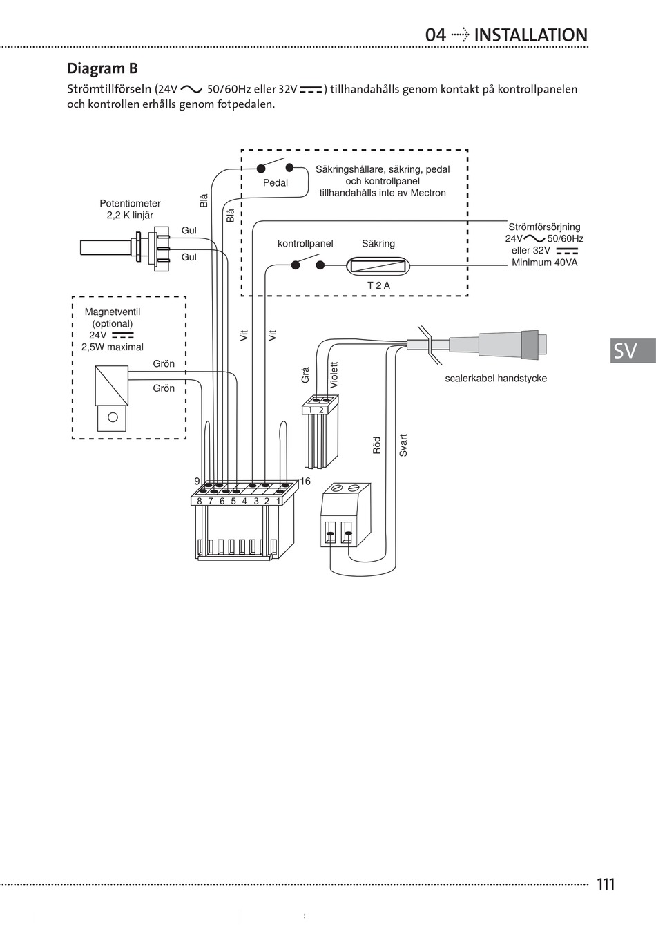
Diagram B
24V
Strömtillförseln (
och kontrollen erhålls genom fotpedalen.
Potentiometer
2,2 K linjär
Gul
Gul
Magnetventil
(optional)
24V
2,5W maximal
Grön
Grön
50/60Hz eller 32V
Säkringshållare, säkring, pedal
Pedal
kontrollpanel
1 2
9
16
8 7 6 5 4 3 2 1
04 Û INSTALLATION
) tillhandahålls genom kontakt på kontrollpanelen
och kontrollpanel
tillhandahålls inte av Mectron
Säkring
T 2 A
Strömförsörjning
24V
50/60Hz
eller 32V
Minimum 40VA
scalerkabel handstycke
SV
111
Inhaltsverzeichnis
loading

Inhaltsverzeichnis