Herunterladen Inhalt Inhalt Diese Seite drucken

GRAUPNER COMPACT CONTROL 44S Bedienungsanleitung Seite 31

Inhaltsverzeichnis
Verfügbare Sprachen

Verfügbare Sprachen

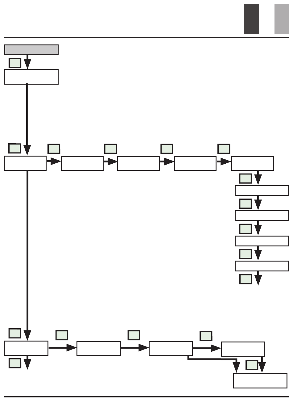
Diagramme de déroulement
MAN Setting
D
Temperature
Protection
D
R
Brake Off
Temps de coupure du moteur jusqu'à l'activation du frein. Possible entre 0-7 s.
à l'aide des boutons poussoir L-R.
Niveau de freinage initial en % possible entre 0-80% à l'aide des boutons
poussoir L-R.
Niveau de freinage final en % réglable par les boutons poussoir L-R
Vitesse du freinage (temps entre le début du freinage et l'atteinte de l'effet
final pré-fixé).
Le temps est réglé par les boutons poussoir L-R.
Si durant la sélection initiale on choisi BRAKE OFF et que l'on procède
ultérieurement sur la ligne OPERATION MODE AIRCRAFT avec le bouton
poussoir R pour le réglage du mode Heli :
Réglage pour modèle
d'hélicoptère sans régulation
constante de la vitesse
D
R
Operation mode
Aircraft
D
Jump to position
TIMING
Certains paramètres du régulateur pourront être réglée ou vérifiés manuellement.
Le niveau de protection en température du régulateur pourra être fixé avec les boutons poussoir
L-R.
Freinage redéfini :
La première valeur est le niveau de freinage initial en %, la seconde valeur le niveau de
freinage final en % et la troisième valeur le temps d'application du freinage entre la première et
la seconde intensité. Confirmer les réglages du freinage avec le bouton poussoir D.
Si le freinage est dé-commuté, ponter la ligne MODE OPERATION entre les modes Avion-
Hélicoptères.
R
Soft Brake
Heli normal
Réglage du nombre de pôles d'un moteur d'hélicoptère à l'aide des
boutons poussoir L-R.
R
Medium Brake
Réglage pour modèle
d'hélicoptère avec régulation
de la vitesse
R
Heli const. RPM
ID # 0058019
R
Hard Brake
Réglage pour vol de compétition
avec régulation de la vitesse
R
Heli const. RPM
3D
Opération
Brake Manual
Setting
D
Dead Time
D
Initial Brake
D
Final Brake
D
Brake Speed
D
Jump to position
TIMING
D
Motor Pole No
31
Inhaltsverzeichnis
loading

Inhaltsverzeichnis