Anmelden
Hochladen
Herunterladen
Inhalt
Inhalt
Zu meinen Handbüchern
Löschen
Teilen
URL dieser Seite:
HTML-Link:
Lesezeichen hinzufügen
Hinzufügen
Handbuch wird automatisch zu "Meine Handbücher" hinzugefügt
Diese Seite drucken
×
Lesezeichen wurde hinzugefügt
×
Zu meinen Handbüchern hinzugefügt
Anleitungen
Marken
Inxpect Anleitungen
Überwachungssysteme
LBK System
Betriebsanleitung
Anschluss Der Taste Für Die Freigabe Des Wiederanlaufs; Anschluss Des Ein- Und Ausgangs Für Die Muting-Funktion (Eine Sensorgruppe) - Inxpect Lbk System Betriebsanleitung
Radarsystem mit aktivem schutz
Vorschau ausblenden
Andere Handbücher für LBK System
:
Betriebsanleitung
(84 Seiten)
,
Installationsanleitung
(48 Seiten)
,
Betriebsanleitung
(76 Seiten)
1
2
3
4
5
6
7
8
9
10
11
12
13
14
15
16
17
18
19
20
21
22
23
24
25
26
27
28
29
30
31
32
33
34
35
36
37
38
39
40
41
42
43
44
45
46
47
48
49
50
51
52
53
54
55
56
57
58
59
60
61
62
63
64
Seite
von
64
Vorwärts
/
64
Inhalt
Inhaltsverzeichnis
Fehlerbehebung
Lesezeichen
Inhaltsverzeichnis
9. Technische Spezifikationen
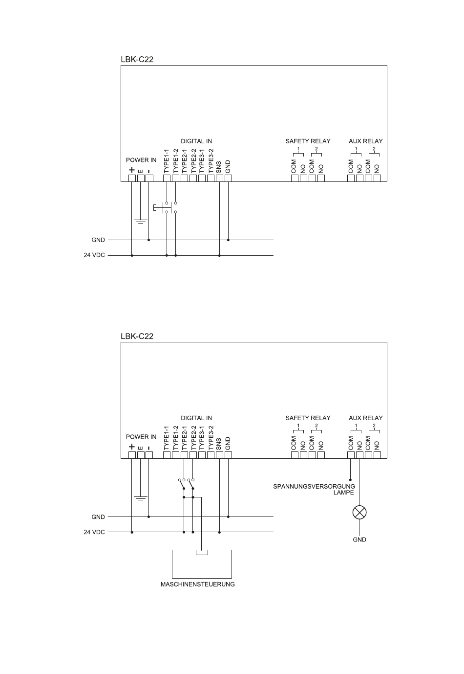
9.3.4 Anschluss der Taste für die Freigabe des Wiederanlaufs
Info: Diese Taste für die Freigabe des Wiederanlaufs schließt bei Betätigung den Kontakt.
Info: Die für die Verkabelung der Digitaleingänge verwendeten Kabel dürfen max. 30 m lang sein.
9.3.5 Anschluss des Ein- und Ausgangs für die Muting-Funktion (eine
Sensorgruppe)
Info: Die für die Verkabelung der Digitaleingänge verwendeten Kabel dürfen max. 30 m lang sein.
59
LBK System | Betriebsanleitung v1.2 FEB 2019 | LBK-System_instructions_de v1.2 | © 2018-2019 Inxpect SpA
Inhalt
sverzeichnis
Vorherige
Seite
Nächste
Seite
1
...
56
57
58
59
60
61
62
63
Quicklinks anzeigen
Quicklinks:
Steuerungseinheit Lbk-C22
Funktionsprinzipien des Sensors
Installation und Konfiguration von Lbk System
Quicklinks ausblenden:
Permanent
Temporär
Abbrechen
Kapitel
Inhaltsverzeichnis
3
Position Des Sensors
21
Installation Und Verwendung
38
Inhaltsverzeichnis
Fehlerbehebung
Prüfung des Systems mit Inxpect Safety
44
Wartung und Fehlerbehebung
47
Verwandte Anleitungen für Inxpect LBK System
Sicherheitssensoren Inxpect LBK System Betriebsanleitung
(84 Seiten)
Bewegungsmelder Inxpect LBK System Betriebsanleitung
(76 Seiten)
Sicherheitssensoren Inxpect LBK Serie Betriebsanleitung
(54 Seiten)
Sicherheitssensoren Inxpect LBK System Installationsanleitung
Sre - safety radar equipment (48 Seiten)
Überwachungssysteme Inxpect LBK ISC-03 Betriebsanleitung
(102 Seiten)
Überwachungssysteme Inxpect SBV-01 Betriebsanleitung
(88 Seiten)
Verwandte Inhalte für Inxpect LBK System
SBV-01 Anschluss Der Steuerungseinheit An Die Sensoren
Inxpect SBV-01
LBK ISC-03 Empfehlungen Für Die Position Des Sensors
Inxpect LBK ISC-03
Diese Anleitung auch für:
Lbk-c22
Lbk-s01
Inhaltsverzeichnis
Drucken
Lesezeichen umbenennen
Lesezeichen löschen?
Möchten Sie es aus Ihren Handbüchern löschen?
Anmelden
Anmelden
ODER
Mit Facebook anmelden
Mit Google anmelden
Anleitung hochladen
Von PC hochladen
Von URL hochladen