Anmelden
Hochladen
Herunterladen
Inhalt
Inhalt
Zu meinen Handbüchern
Löschen
Teilen
URL dieser Seite:
HTML-Link:
Lesezeichen hinzufügen
Hinzufügen
Handbuch wird automatisch zu "Meine Handbücher" hinzugefügt
Diese Seite drucken
×
Lesezeichen wurde hinzugefügt
×
Zu meinen Handbüchern hinzugefügt
Anleitungen
Marken
Dimplex Anleitungen
Wärmepumpen
WI 40CS
Montage- und gebrauchsanweisungen
Intern. Anschlusskasten - Dimplex Wi 40Cs Montage- Und Gebrauchsanweisungen
Vorschau ausblenden
1
2
3
4
5
6
7
8
9
10
11
12
13
14
15
16
17
18
19
20
21
22
23
24
25
26
27
28
29
30
31
32
33
34
35
36
Seite
von
36
Vorwärts
/
36
Inhalt
Inhaltsverzeichnis
Fehlerbehebung
Lesezeichen
Inhaltsverzeichnis
ANHANG: 12.4 STROMLAUFPLÄNE
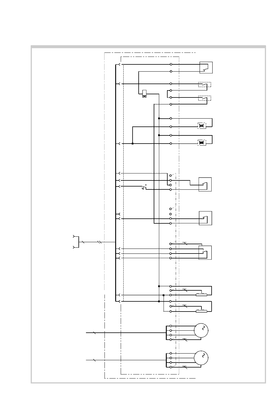
12.4.8 interner Anschlusskasten .. 90CS
28
Inhalt
sverzeichnis
Vorherige
Seite
Nächste
Seite
1
...
25
26
27
28
29
30
31
32
Kapitel
Inhaltsverzeichnis
2
Anhang
11
Inhaltsverzeichnis
Verwandte Anleitungen für Dimplex WI 40CS
Wärmepumpen Dimplex WI 35TU Montage- Und Gebrauchsanweisung
Wasser/wasserwärmepumpe für innenaufstellung (68 Seiten)
Wärmepumpen Dimplex SI 90TU Montage- & Bedienungsanleitung/Gebrauchsanweisung
(80 Seiten)
Wärmepumpen Dimplex WI 40 CS Gebrauchsanweisung
Wasser/wasser-wärmepumpe für innenaufstellung (60 Seiten)
Wärmepumpen Dimplex WI 10TU Montage- & Bedienungsanleitung/Gebrauchsanweisung
(72 Seiten)
Wärmepumpen Dimplex WI 10TU Montage- Und Gebrauchsanweisungen
Wasser-wasser-wärmepumpe für innenaufstellung (112 Seiten)
Wärmepumpen Dimplex WI 9 TE Montage- Und Gebrauchsanweisung
Wasser/wasserwärmepumpe für innenaufstellung (64 Seiten)
Wärmepumpen Dimplex WI 9 ME Gebrauchsanweisung
(40 Seiten)
Wärmepumpen Dimplex WI 9ME Montageanleitung Und Bedienungsanleitung
Wasser/wasser wärmepumpe für innenaufstellung (21 Seiten)
Wärmepumpen Dimplex WIH 120TU Montage- Und Gebrauchsanweisung
Wasser/wasserwärmepumpe für innenaufstellung (56 Seiten)
Wärmepumpen Dimplex WI 50TU Montage- Und Gebrauchsanweisung
Wasser/wasser-wärmepumpe für innenaufstellung (64 Seiten)
Wärmepumpen Dimplex WI 50TU Montage- Und Gebrauchsanweisung
(56 Seiten)
Wärmepumpen Dimplex WI 140TUR+ Montage- Und Gebrauchsanweisung
Reversible wasser/wasserwärmepumpe für innenaufstellung (60 Seiten)
Wärmepumpen Dimplex WI 9CS Montage- Und Gebrauchsanweisung
Wasser-wasser-wärmepumpe für innenaufstellung (32 Seiten)
Wärmepumpen Dimplex WI 65TU Montage- Und Gebrauchsanweisungen
(108 Seiten)
Wärmepumpen Dimplex WI 120TU Montage- Und Gebrauchsanweisungen
Wasser-wasserwärmepumpe für innenaufstellung (60 Seiten)
Wärmepumpen Dimplex WI 120TU Montage- Und Gebrauchsanweisungen
Wasser/wasser-wärmepumpe für innenaufstellung (132 Seiten)
Verwandte Inhalte für Dimplex WI 40CS
WI 40 CS Intern. Anschlusskasten / Internal Connection Box / Boîte De Connexion Interne Wi 40Cs
Dimplex WI 40 CS
SI 30CS Steuerungsverbindung Zwischen Der Basissteuerung Und Dem Anschlusskasten Der Wärmepumpe
Dimplex SI 30CS
Diese Anleitung auch für:
Wi 90cs
Inhaltsverzeichnis
Drucken
Lesezeichen umbenennen
Lesezeichen löschen?
Möchten Sie es aus Ihren Handbüchern löschen?
Anmelden
Anmelden
ODER
Mit Facebook anmelden
Mit Google anmelden
Anleitung hochladen
Von PC hochladen
Von URL hochladen