Herunterladen Inhalt Inhalt Diese Seite drucken
Inhaltsverzeichnis
5.3.4
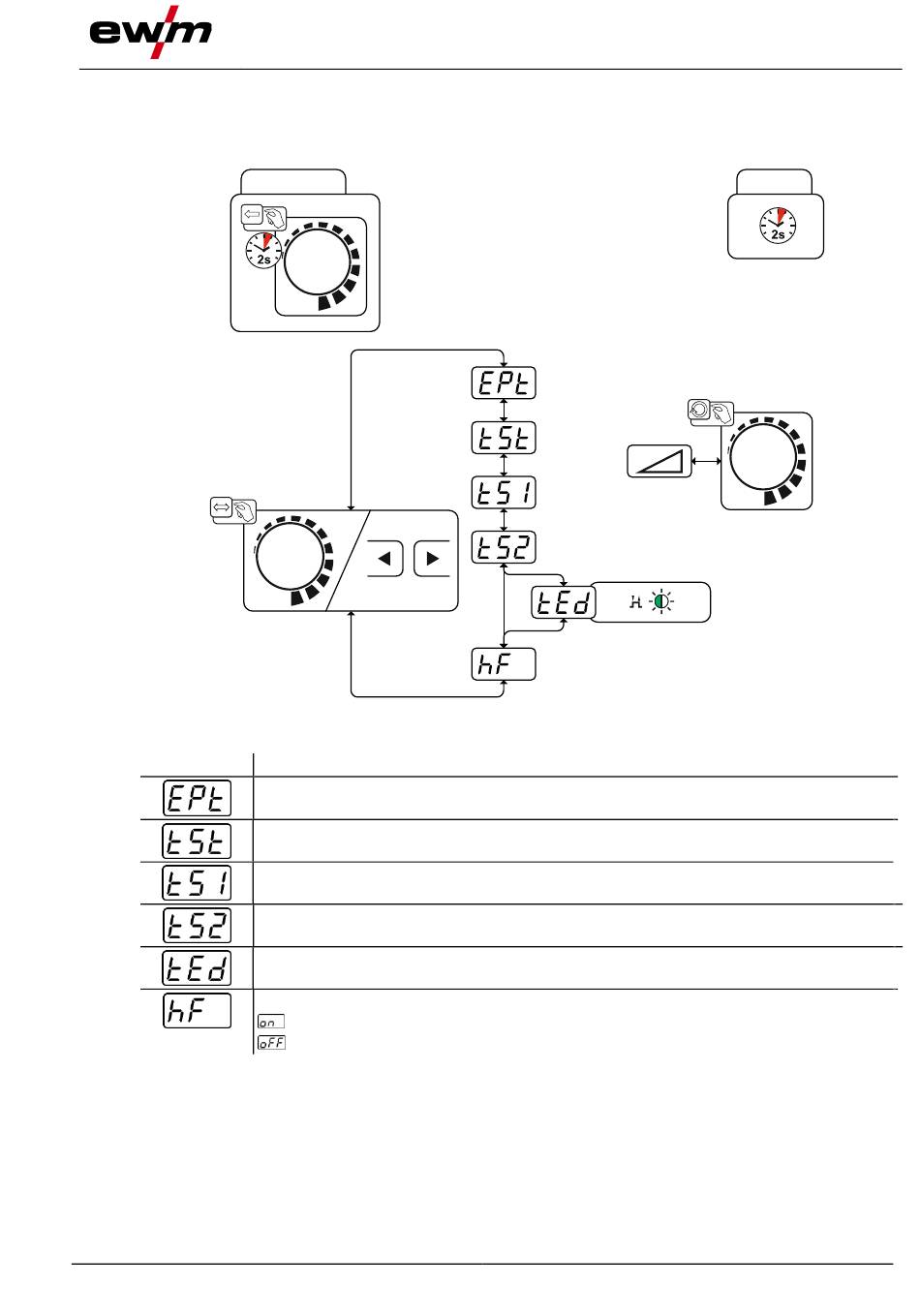
Expertmenü (WIG)
Im Expertmenü sind einstellbare Parameter hinterlegt, deren regelmäßiges Einstellen nicht erforderlich
ist. Die Anzahl der gezeigten Parameter kann durch z. B. eine deaktivierte Funktion eingeschränkt sein.
Anzeige
099-007033-EW500
4.1.2022
ENTER
Einstellung / Anwahl
Expertmenü
Startzeit (Dauer Startstrom)
Slope-Zeit (Hauptstrom auf Absenkstrom)
Slope-Zeit (Absenkstrom auf Hauptstrom)
Endstromzeit (Dauer Endstrom)
Zündungsart (WIG)
------ HF-Zündung aktiv (ab Werk)
------ Zündungsart Liftarc aktiv
Abbildung 5-20
Aufbau und Funktion
WIG-Schweißen
EXIT
41
Inhaltsverzeichnis
loading

Inhaltsverzeichnis