Herunterladen Inhalt Inhalt Diese Seite drucken

Stromlaufplan - Dimplex Dee 1803 Handbuch

Elektro-durchlauferhitzer
Vorschau ausblenden Andere Handbücher für DEE 1803:
Inhaltsverzeichnis

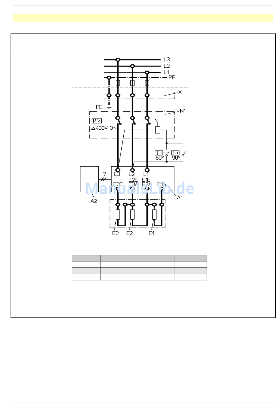
5.1.2 Stromlaufplan

Gerätetyp
E.-Nr.
Bemessungsleistung
DEE 1803
11/0814
DEE 2103
11/0815
DEE 2403
11/0816
alle Werte +/- 10%
Heizkörper ist defekt, wenn Widerstand ∞ (unendlich).
www.dimplex.de
Widerstand
ca. 27 Ω
18 kW
21 kW
ca. 23 Ω
24 kW
ca. 20 Ω
Heizkörper / Stromlaufpläne
21

Quicklinks ausblenden:

Inhaltsverzeichnis
loading

Diese Anleitung auch für:

Dee 2403Dee 2103

Inhaltsverzeichnis