Anmelden
Hochladen
Herunterladen
Inhalt
Inhalt
Zu meinen Handbüchern
Löschen
Teilen
URL dieser Seite:
HTML-Link:
Lesezeichen hinzufügen
Hinzufügen
Handbuch wird automatisch zu "Meine Handbücher" hinzugefügt
Diese Seite drucken
×
Lesezeichen wurde hinzugefügt
×
Zu meinen Handbüchern hinzugefügt
Anleitungen
Marken
Astralpool Anleitungen
Schwimmbadzubehör
Smart+ 60
Einbau- und betriebsanleitung
Astralpool Smart+ 60 Einbau- Und Betriebsanleitung Seite 89
Salt electrolysis equipment
Vorschau ausblenden
Andere Handbücher für Smart+ 60
:
Montage- und wartungshandbuch
(105 Seiten)
1
2
3
4
5
6
7
8
9
10
11
12
13
14
15
16
17
18
19
20
21
22
23
24
25
26
27
28
29
30
31
32
33
34
35
36
37
38
39
40
41
42
43
44
45
46
47
48
49
50
51
52
53
54
55
56
57
58
59
60
61
62
63
64
65
66
67
68
69
70
71
72
73
74
75
76
77
78
79
80
81
82
83
84
85
86
87
88
89
90
91
92
93
94
95
96
97
98
99
100
101
102
103
104
105
Seite
von
105
Vorwärts
/
105
Inhalt
Inhaltsverzeichnis
Lesezeichen
Inhaltsverzeichnis
Verfügbare Sprachen
DE
EN
FR
IT
ES
PT
Mehr
Verfügbare Sprachen
DEUTSCH, seite 70
ENGLISH, page 2
FRANÇAIS, page 19
ITALIANO, pagina 53
ESPAÑOL, página 36
PORTUGUÊS, página 87
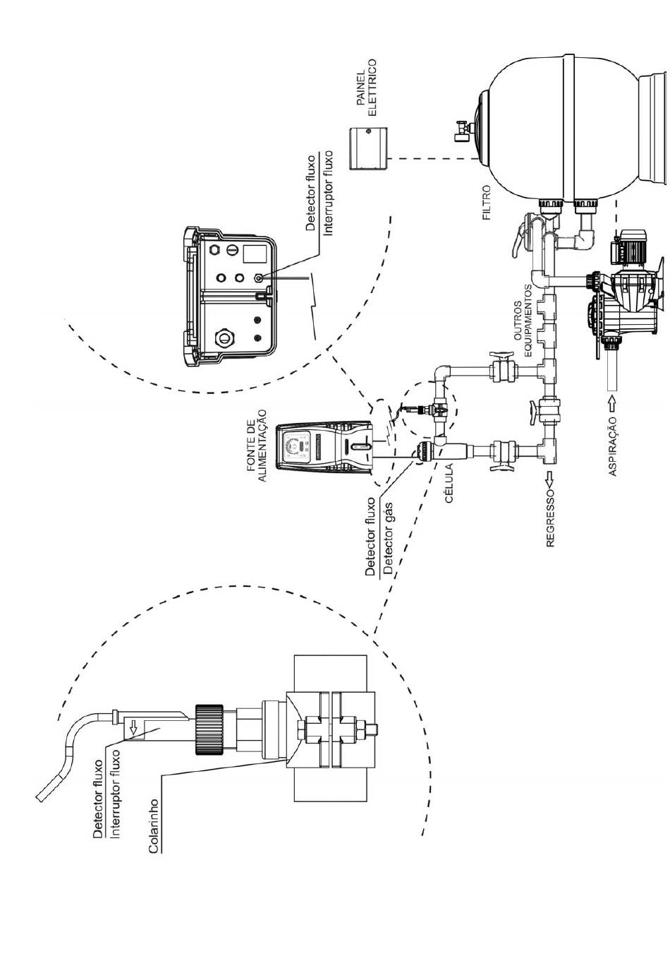
Fig.1 Diagrama de instalação recomendado
3
Inhalt
sverzeichnis
Vorherige
Seite
Nächste
Seite
1
...
86
87
88
89
90
91
92
93
Quicklinks anzeigen
Quicklinks:
Flussalarm-Anzeiger
Einschaltung Kontrolleingang Orp/ Restchlor
Sensorrbedingungen
Quicklinks ausblenden:
Permanent
Temporär
Abbrechen
Inhaltsverzeichnis
Verwandte Anleitungen für Astralpool Smart+ 60
Lichtanlage Astralpool 42350 Montage- Und Wartungshandbuch
(105 Seiten)
Schwimmbadzubehör Astralpool LumiPlus Serie Handbuch Für Die Elektrische Zusammenhang
Monocolour leds (8 Seiten)
Schwimmbadzubehör Astralpool LumiPlus 62328 Montage- Und Wartungshandbuch
(32 Seiten)
Schwimmbadzubehör Astralpool LumiPlus PAR56 DC Handbuch Für Die Elektrische Zusammenhang
(8 Seiten)
Schwimmbadzubehör Astralpool POOL BASIC Bedienungsanleitung
(33 Seiten)
Schwimmbadzubehör Astralpool OPTIMA pH/ORP NEXT Handbuch
(68 Seiten)
Schwimmbadzubehör Astralpool N'CARLIT 24V Installations- Und Bedienungsanleitung
Schwimmbadrollabdeckung oberflur (19 Seiten)
Schwimmbadzubehör Astralpool LUMIPLUS MICRO Einbau- Und Betriebsanleitung
(20 Seiten)
Schwimmbadzubehör Astralpool LUMIPLUS 65315 Montage- Und Wartungshandbuch
(20 Seiten)
Schwimmbadzubehör Astralpool 70870 Montage- Und Wartungshandbuch
(28 Seiten)
Schwimmbadzubehör Astralpool LUMIPLUS FLEXI RGB DMX Einbau- Und Betriebsanleitung
(33 Seiten)
Schwimmbadzubehör Astralpool LUMIPLUS DESIGN Einbau- Und Betriebsanleitung
(25 Seiten)
Schwimmbadzubehör Astralpool LumiPlus Design Einbau- Und Betriebsanleitung
(11 Seiten)
Schwimmbadzubehör Astralpool LumiPlus Flexi-Serie Einbau- Und Betriebsanleitung
Rgb/ einfarbigem 12vac (37 Seiten)
Schwimmbadzubehör Astralpool STANDARD Serie Einbau- Und Betriebsanleitung
(25 Seiten)
Schwimmbadzubehör Astralpool LumiPlus Flexi Einbau- Und Betriebsanleitung
Rgb wireless (37 Seiten)
Verwandte Produkte für Astralpool Smart+ 60
Astralpool 62327
Astralpool 66166
Astralpool 64557
Astralpool 64558
Astralpool 64554
Astralpool 64555
Astralpool LumiPlus 62328
Astralpool LumiPlus 64340
Astralpool LumiPlus 64561
Astralpool LumiPlus 64341
Astralpool LumiPlus 65307
Astralpool LumiPlus 65085
Astralpool LumiPlus 65308
Astralpool LUMIPLUS 65315
Astralpool LUMIPLUS 65314WW
Astralpool LUMIPLUS 65314
Diese Anleitung auch für:
Smart+100
Smart+ 160
Inhaltsverzeichnis
Drucken
Lesezeichen umbenennen
Lesezeichen löschen?
Möchten Sie es aus Ihren Handbüchern löschen?
Anmelden
Anmelden
ODER
Mit Facebook anmelden
Mit Google anmelden
Anleitung hochladen
Von PC hochladen
Von URL hochladen