Herunterladen Inhalt Inhalt Diese Seite drucken

MICRO-EPSILON wireSENSOR WDS Betriebsanleitung Seite 65

Inhaltsverzeichnis
Anhang | Maßzeichnungen und Hinweise für Zubehör
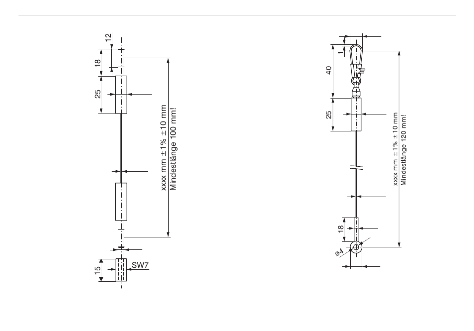
Abb. 39 Seilverlängerung WE-xxxx-M4
wireSENSOR, WDS P60/P96/P115/P200
Lieferumfang:
1 Stück
2 Stück
2 Stück
1 Stück
ø7,5
ø0,54
M4
Abmessungen in mm
Verlängerungsseil
Mutter M4 DIN 934-A2
Zahnscheibe J4.3 DIN 6797
Abstandsbolzen M4 15lg.
9,5
ø7,5
ø0,45
ø3
9
Ringöse 2 mm dick
Abb. 40 Seilverlängerung WE-xxxx-CLIP
Seite 65
Inhaltsverzeichnis
loading

Inhaltsverzeichnis