Anmelden
Hochladen
Herunterladen
Inhalt
Inhalt
Zu meinen Handbüchern
Löschen
Teilen
URL dieser Seite:
HTML-Link:
Lesezeichen hinzufügen
Hinzufügen
Handbuch wird automatisch zu "Meine Handbücher" hinzugefügt
Diese Seite drucken
×
Lesezeichen wurde hinzugefügt
×
Zu meinen Handbüchern hinzugefügt
Anleitungen
Marken
ISA Anleitungen
Kühlvitrinen
CLICK
Installation und wartung
Schaltbilder; Elektrisches Schaltbild Klick M.i - Isa Click Installation Und Wartung
Vorschau ausblenden
1
Inhalt
2
3
4
5
6
7
8
9
10
11
12
13
14
15
16
17
18
19
20
21
22
23
24
25
26
27
28
29
30
31
32
33
34
35
Seite
von
35
Vorwärts
/
35
Inhalt
Inhaltsverzeichnis
Fehlerbehebung
Lesezeichen
Inhaltsverzeichnis
9
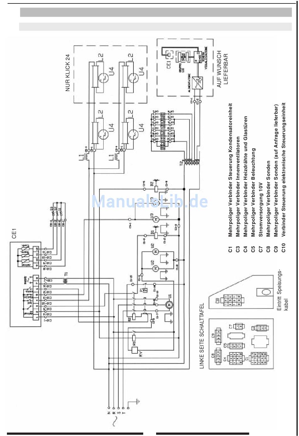
SCHALTBILDER
9.1 Elektrisches Schaltbild Klick M.I.
23
4 280 20238 0AC 04/2000
Inhalt
sverzeichnis
Vorherige
Seite
Nächste
Seite
1
...
20
21
22
23
24
25
26
27
Inhaltsverzeichnis
Verwandte Anleitungen für ISA CLICK
Kühlvitrinen ISA Core Bedienungs- Und Wartungsanleitung
(38 Seiten)
Kühlvitrinen ISA ISABELLA LX Bedienungsanleitung
(34 Seiten)
Kühlvitrinen ISA venus 12 Gebrauchsanweisung
(70 Seiten)
Kühlvitrinen ISA millennium SP 12 Gebrauchsanweisung
(34 Seiten)
Kühlvitrinen ISA millennium 07 Gebrauchsanweisung
(84 Seiten)
Kühlvitrinen ISA CRISTAL TOWER 925 Benutzer- Und Instandhaltungshandbuch
(31 Seiten)
Kühlvitrinen ISA FIJI Serie Gebrauchsanweisung
(66 Seiten)
Kühlvitrinen ISA millennium 07 UL 12 Gebrauchsanweisung
(82 Seiten)
Kühlvitrinen ISA Millennium 07 pas Gebrauchsanweisung
(66 Seiten)
Kühlvitrinen ISA IL CARRETTINO CLASSIC Benutzer- Und Instandhaltungshandbuch
(48 Seiten)
Kühlvitrinen ISA BERMUDA Benutzer- Und Instandhaltungshandbuch
(34 Seiten)
Kühlvitrinen ISA vm Gebrauchsanweisung
(24 Seiten)
Kühlvitrinen ISA SUPERCAPRI Benutzer- Und Instandhaltungshandbuch
(212 Seiten)
Kühlvitrinen ISA Tornado MY23 Bedienungs- Und Wartungsanleitung
(34 Seiten)
Kühlvitrinen ISA MILLENNIUM MY2019 LX Wartungs- Und Gebrauchsanweisung
(38 Seiten)
Verwandte Produkte für ISA CLICK
ISA Core
ISA 100 RV TB/TB
ISA 100 RV TB/TN
ISA 100 RV TN/TN
ISA 40 RS TB
ISA 40 RS TN
ISA 40 RV TN
ISA 50 RV TB
ISA 50 RV TB/TN
ISA 50 RV TN
ISA BERMUDA
ISA CRISTAL TOWER 725
ISA CRISTAL TOWER 925
ISA CRISTAL TOWER 925 LH
ISA FIJI 12
ISA FIJI 120
Inhaltsverzeichnis
Drucken
Lesezeichen umbenennen
Lesezeichen löschen?
Möchten Sie es aus Ihren Handbüchern löschen?
Anmelden
Anmelden
ODER
Mit Facebook anmelden
Mit Google anmelden
Anleitung hochladen
Von PC hochladen
Von URL hochladen