Herunterladen Inhalt Inhalt Diese Seite drucken

Icom iV82 Bedienungsanleitung Seite 97

Transceiver
Inhaltsverzeichnis
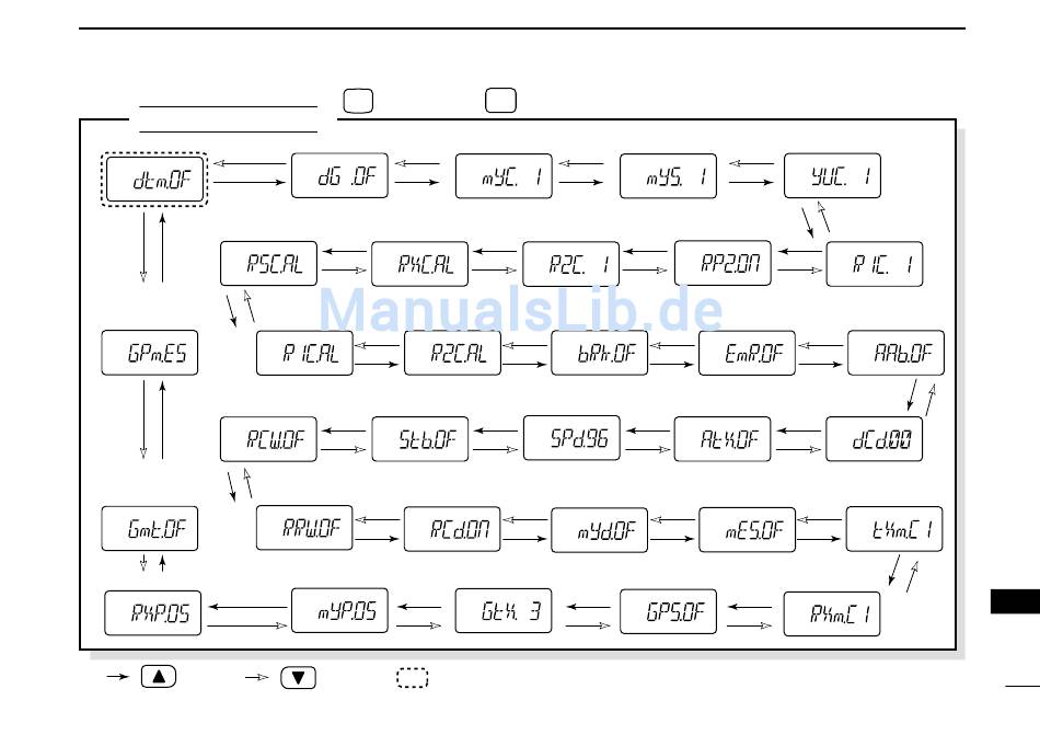
OPTIONS-SET-MODUS
• DTMF-Funktion* (S. 26, 38)
• Digital-Modus (S. 44)
• Rufzeichenzusatz
empfangen (S. 45)
• GPS-Daten
• Repeater-1-Rufzeichen
empfangen (S. 57)
empfangen (S. 45)
• Autom. Speichern empf.
Rufzeichen (S. 53)
• GPS-Daten
• Autom. Speichern von
senden (S. 57)
Repeater-Rufz. (S. 53)
• Positionsanzeige
(S. 56)
• Position empfangen (S. 57)
:
drücken
:
A
0
drücken, danach
FUNC
OPT
• Eigenes Rufzeichen (S. 41) • Rufzeichenzusatz (S. 42)
• Rufzeichen
empfangen (S. 45)
• Repeater-2-Rufzeichen
empfangen (S. 45)
• Standby-Piepton
(S. 53)
• Autom. Anzeige
empf. Rufzeichen (S. 54)
• automatisches Senden
der GPS-Daten (S. 57)
Dieses Menü erscheint nur, wenn keine optionale Einheit eingebaut ist; die anderen Menüs
drücken
erscheinen, wenn eine optionale UT-118
*„PG" oder „CS" sind nur wählbar, wenn ein optionaler UT-108
MENÜ-ORGANISATION
, um den Options-Set-Modus aufzurufen (S. 52).
• Repeater-2-
• Repeater-2-
Rufzeichen (S. 51)
Einstellung (S. 51)
• Break-in-Einstellung
• Notrufeinstellung
(S. 46)
(S. 47)
• Datenübertragungs-
• Automatisches Senden
geschwindigkeit (S. 53)
von Daten (S. 52)
• Autom. Anzeige des
• Meldungen
eigenen Rufz. (S. 54)
übertragen (S. 54)
• GPS-Einstellung (S. 56)
DIGITALEINHEIT
• Stationsrufzeichen (S. 43)
• Repeater-1-
Rufzeichen (S. 51)
• Automatische
Antwort (S. 52)
• Digitalcode
(S. 52)
• Sendemeldung
(S. 54)
• Empfangs-
meldung (S. 55)
installiert ist.
eingebaut ist.
DTMF-DECODER
17
17
85
Inhaltsverzeichnis
loading

Diese Anleitung auch für:

Iu82

Inhaltsverzeichnis