Herunterladen Diese Seite drucken

Roth Touchline SL Montageanleitung Seite 3

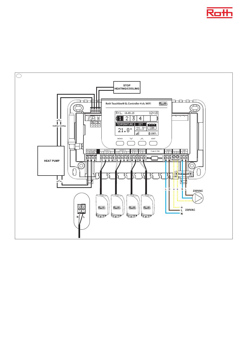
Funk-anschlussmodul wifi-steuerung 4 kanäle
Vorschau ausblenden Andere Handbücher für Touchline SL:
(DE) Dieses Anschlussmodul ist ein eigenständiges Steuergerät, d. h. es kann nicht an Erweiterungsmodule für weitere Kanäle angeschlossen werden.
(EN) The product is a stand-alone controller meaning it can not be connected to extension modules for more channels.
(ES) El producto es un controlador autónomo, lo que significa que no puede conectarse a módulos de ampliación para obtener más canales.
(PL) Produkt jest samodzielnym kontrolerem, co oznacza, że nie można go podłączyć do modułów rozszerzeń w celu uzyskania większej liczby kanałów.
(HU) A termék egy önálló vezérlő, ami azt jelenti, hogy nem csatlakoztatható bővítő modulokhoz további csatornákhoz.
3
(DE) Bei Bedarf können bis zu 4 Stellantriebe an Ausgang 1 oder 2 ange-
schlossen werden. An die Ausgänge 3 und 4 können bis zu 2 Stellantriebe
angeschlossen werden (insgesamt 12 Stellantriebe am Regler)
Bedeutung: An einen Ausgang mit 2 Klemmen können bis zu 4 Stellantriebe
angeschlossen werden, an einen Ausgang mit 1 Klemme können bis zu
2 Stellantriebe angeschlossen werden.
(EN) If required up to 4 actuators can be connected to output 1 og 2.
Up to 2 actuators can be connected to outputs 3 and 4 (12 actuators in
total on the controller)
Meaning: An output with 2 terminals can all be connected with up to
4 actuators, but an output with 1 terminal can be connected with up to
2 actuators.
(ES) En caso necesario se pueden conectar hasta 4 actuadores a las salidas
1 o 2. Se pueden conectar hasta 2 actuadores a las salidas 3 y 4 (12 actua-
dores en total en el controlador)
Bedeutung:
Una salida con 2 terminales puede ser conectada con hasta
4 actuadores, pero una salida con 1 terminal puede ser conectada con
hasta 2 actuadores.
(PL) W razie potrzeby do wyjścia 1 lub 2 można podłączyć do 4 siłowni-
ków. Do wyjść 3 i 4 można podłączyć maksymalnie 2 siłowniki (łącznie
12 siłowników na sterowniku)
Do wyjścia z 2 zaciskami można podłączyć maksymalnie
Bedeutung:
4 siłowniki, ale do wyjścia z 1 zaciskiem można podłączyć maksymalnie
2 siłowniki.
(HU) Szükség esetén az 1. és 2. kimenethez akár 4 működtető is csatlakoz-
tatható. A 3. és 4. kimenetre op-2 működtető csatlakoztatható (összesen
12 működtető a vezérlőn)
Jelentése: Egy 2 kapoccsal rendelkező kimenethez mindegyiket legfeljebb
4 aktuátor csatlakoztatható, de egy 1 kapoccsal rendelkező kimenethez
legfeljebb 2 aktuátor csatlakoztatható.
3
loading