Anmelden
Hochladen
Herunterladen
Inhalt
Inhalt
Zu meinen Handbüchern
Löschen
Teilen
URL dieser Seite:
HTML-Link:
Lesezeichen hinzufügen
Hinzufügen
Handbuch wird automatisch zu "Meine Handbücher" hinzugefügt
Diese Seite drucken
×
Lesezeichen wurde hinzugefügt
×
Zu meinen Handbüchern hinzugefügt
Anleitungen
Marken
Sentiotec Anleitungen
Sauna-Zubehör
Concept RCP-R-090
Gebrauchsanweisung
Sentiotec Concept RCP-R-090 Gebrauchsanweisung Seite 92
Saunaofen
Vorschau ausblenden
1
2
3
4
5
6
7
8
9
10
11
12
13
14
15
16
17
18
19
20
21
22
23
24
25
26
27
28
29
30
31
32
33
34
35
36
37
38
39
40
41
42
43
44
45
46
47
48
49
50
51
52
53
54
55
56
57
58
59
60
61
62
63
64
65
66
67
68
69
70
71
72
73
74
75
76
77
78
79
80
81
82
83
84
85
86
87
88
89
90
91
92
93
94
95
96
97
98
99
100
101
102
103
104
105
106
107
108
109
110
111
112
113
114
115
116
117
118
119
120
121
122
123
124
125
126
127
128
129
130
131
132
133
134
135
136
137
138
139
140
141
142
143
144
145
146
147
148
149
150
151
152
153
154
155
156
157
158
159
160
161
162
163
164
165
166
167
168
169
170
171
172
173
174
175
176
177
178
179
180
181
182
183
184
185
186
187
188
189
190
191
192
193
194
195
196
197
198
199
200
201
202
203
204
205
206
207
208
209
210
211
212
Seite
von
212
Vorwärts
/
212
Inhalt
Inhaltsverzeichnis
Fehlerbehebung
Lesezeichen
Inhaltsverzeichnis
Verfügbare Sprachen
DE
EN
FR
IT
NL
SE
CZ
SI
Mehr
Verfügbare Sprachen
DEUTSCH, seite 1
ENGLISH, page 28
FRANÇAIS, page 54
ITALIANO, pagina 80
DUTCH, pagina 106
SVENSKA, sida 132
ČEŠTINA, strana 158
SLOVENŠČINA, stran 184
Istruzioni di montaggio solo per personale specializzato
P. 14/26
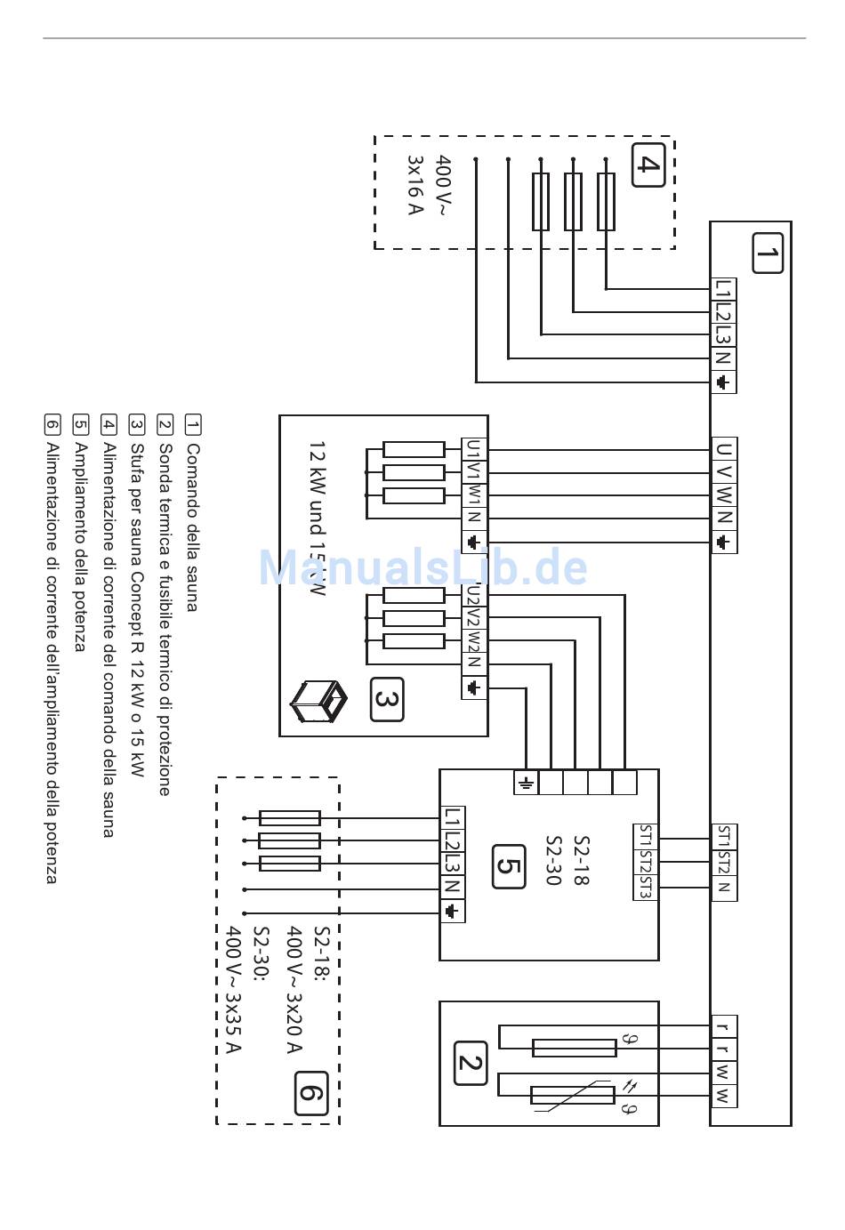
Fig. 4 Schema di cablaggio di Concept R 12 kW e 15 kW
(CP-R-120 / CP-R-150 / CP-RB-120 / CP-RB-150)
N
V2
U2
W2
WORLD OF WELLNESS
Inhalt
sverzeichnis
Vorherige
Seite
Nächste
Seite
1
...
89
90
91
92
93
94
95
96
Kapitel
Deutsch
2
English
28
Français
54
Italiano
80
Dutch
106
Svenska
132
Čeština
158
Slovenščina
184
Inhaltsverzeichnis
Verwandte Anleitungen für Sentiotec Concept RCP-R-090
Saunaöfen Sentiotec Concept R black Serie Montage- Und Gebrauchsanweisung
(252 Seiten)
Saunaöfen Sentiotec CONCEPT R CP-R-090 Montage- Und Gebrauchsanweisung
(27 Seiten)
Sauna-Zubehör Sentiotec K3 NEXT Montage- Und Gebrauchsanweisungen
Sauna- und verdampfer-steuerung (68 Seiten)
Sauna-Zubehör Sentiotec Pro C3 Montage- Und Gebrauchsanweisung
Saunasteuerung (54 Seiten)
Sauna-Zubehör Sentiotec CV 4 Gebrauchsanweisung
Sauna steuerungen (44 Seiten)
Sauna-Zubehör Sentiotec PRO B-Serie Montage- Und Gebrauchsanweisungen
Saunasteuerung (216 Seiten)
Sauna-Zubehör Sentiotec CV 3 Montageanweisung, Gebrauchsanweisung
Saunasteuerung (40 Seiten)
Sauna-Zubehör Sentiotec WC4-B-H Montage- Und Gebrauchsanweisung
Saunasteuerung (168 Seiten)
Sauna-Zubehör Sentiotec PRO-C2 Montage- Und Gebrauchsanweisung
Saunasteuerung (48 Seiten)
Sauna-Zubehör Sentiotec CK 3 Gebrauchsanweisung
(56 Seiten)
Sauna-Zubehör Sentiotec Pro B3 Montage- Und Gebrauchsanweisung
Saunasteuerung (40 Seiten)
Sauna-Zubehör Sentiotec A2-15 Montage- Und Gebrauchsanweisung
Saunasteuerung (32 Seiten)
Sauna-Zubehör Sentiotec K1 NEXT Montage- Und Gebrauchsanweisungen
Saunasteuerung (38 Seiten)
Sauna-Zubehör Sentiotec PRO B2 Montage- Und Gebrauchsanweisungen
Saunasteuerung (268 Seiten)
Sauna-Zubehör Sentiotec A2 Montage- Und Gebrauchsanweisung
Saunasteuerung (116 Seiten)
Sauna-Zubehör Sentiotec A2 Montage- Und Gebrauchsanweisung
Saunasteuerung (116 Seiten)
Verwandte Produkte für Sentiotec Concept RCP-R-090
Sentiotec CONCEPT R CP-R-090
Sentiotec CONCEPT R CP-R-150
Sentiotec RS485 Pro-B2
Sentiotec RS485 Pro-B3
Sentiotec RS485 Pro-C2
Sentiotec RS485 Pro-C3
Sentiotec RB 2,5 kW
Sentiotec RA-350
Sentiotec Concept R mini CP-RM-45
Sentiotec Concept R mini CP-RM-60
Sentiotec Concept R mini CP-RM-35
Sentiotec Concept R mini CP-RM-75
Sentiotec Concept R mini 3
Sentiotec Concept R mini 4
Sentiotec Concept R mini 6
Sentiotec Concept R mini 7
Diese Anleitung auch für:
Concept r cp-r-120
Concept r cp-r-105
Concept r black cp-rb-105
Concept r black cp-rb-120
Concept r black cp-rb-150
Cp-r-150
...
Alle anzeigen
Concept r black cp-rb-090
Inhaltsverzeichnis
Drucken
Lesezeichen umbenennen
Lesezeichen löschen?
Möchten Sie es aus Ihren Handbüchern löschen?
Anmelden
Anmelden
ODER
Mit Facebook anmelden
Mit Google anmelden
Anleitung hochladen
Von PC hochladen
Von URL hochladen