Anmelden
Hochladen
Herunterladen
Inhalt
Inhalt
Zu meinen Handbüchern
Löschen
Teilen
URL dieser Seite:
HTML-Link:
Lesezeichen hinzufügen
Hinzufügen
Handbuch wird automatisch zu "Meine Handbücher" hinzugefügt
Diese Seite drucken
×
Lesezeichen wurde hinzugefügt
×
Zu meinen Handbüchern hinzugefügt
Anleitungen
Marken
Dimplex Anleitungen
Wärmepumpen
SI 6TU
Montage- und gebrauchsanweisung
Dimplex SI 6TU Montage- Und Gebrauchsanweisung Seite 53
Sole/wasserwärmepumpe
Vorschau ausblenden
Andere Handbücher für SI 6TU
:
Montage- und gebrauchsanweisungen
(76 Seiten)
,
Montage- und gebrauchsanweisungen
(160 Seiten)
1
2
3
4
5
6
7
8
9
10
11
12
13
14
15
16
17
18
19
20
21
22
23
24
25
26
27
28
29
30
31
32
33
34
35
36
37
38
39
40
41
42
43
44
45
46
47
48
49
50
51
52
53
54
55
56
57
58
59
60
Seite
von
60
Vorwärts
/
60
Inhalt
Inhaltsverzeichnis
Fehlerbehebung
Lesezeichen
Inhaltsverzeichnis
Verfügbare Sprachen
DE
EN
FR
Verfügbare Sprachen
DEUTSCH, seite 1
ENGLISH, page 17
FRANÇAIS, page 29
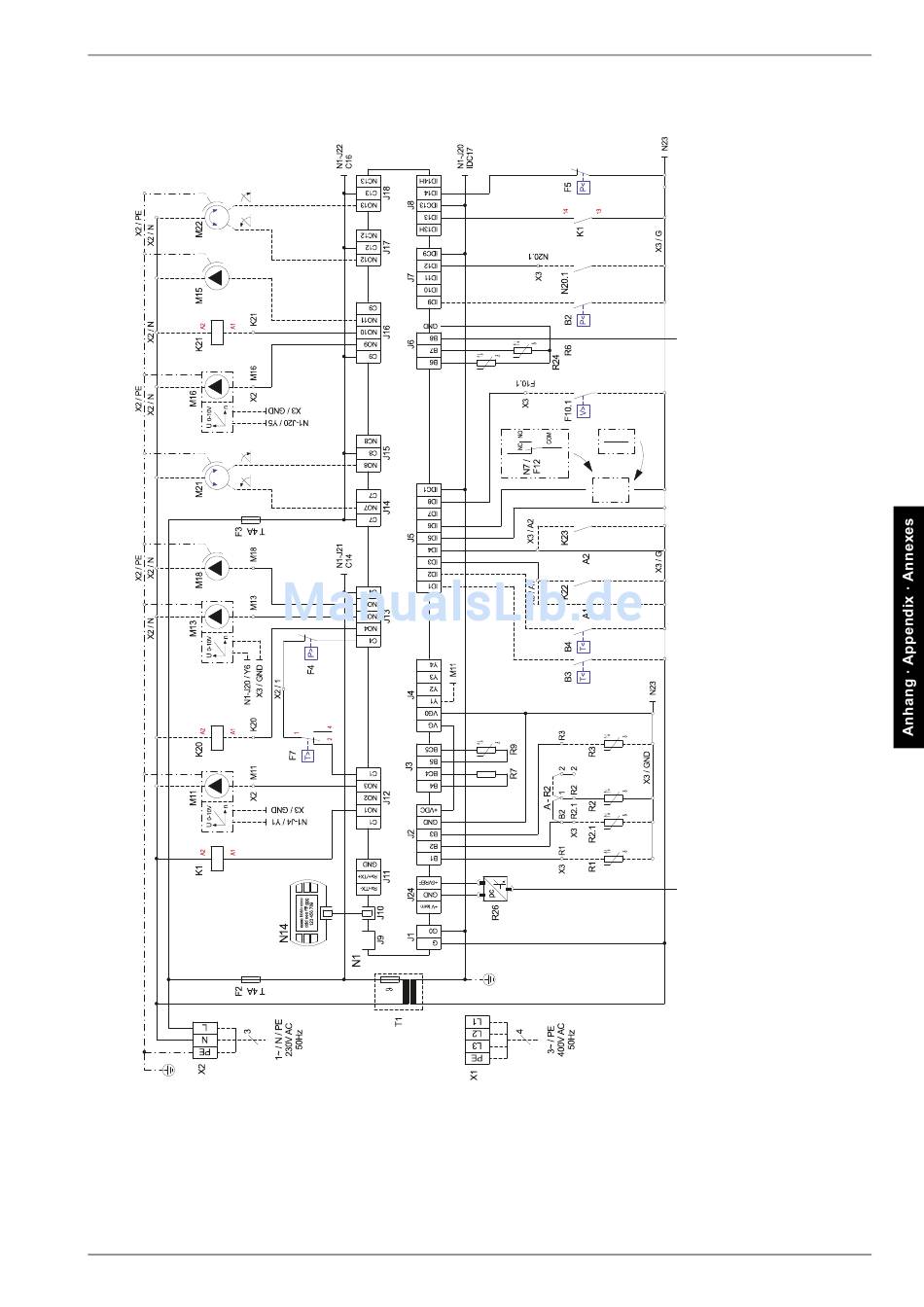
SI 6TU - SI 18TU
3.4 Anschlussplan / Connection Plan /Schéma de connexion
www.dimplex.de
452235.66.05 · FD 9304
A-XIII
Inhalt
sverzeichnis
Vorherige
Seite
Nächste
Seite
1
...
50
51
52
53
54
55
56
57
Quicklinks anzeigen
Quicklinks:
Elektrischer Anschluss
Störungen / Fehlersuche
Geräteinformation
Quicklinks ausblenden:
Permanent
Temporär
Abbrechen
Kapitel
Deutsch
3
English
17
Inhaltsverzeichnis
Verwandte Anleitungen für Dimplex SI 6TU
Wärmepumpen Dimplex SI 6TU Montage- Und Gebrauchsanweisungen
Sole/wasser wärmepumpe für innenaufstellung (160 Seiten)
Wärmepumpen Dimplex SI 6TU Montage- Und Gebrauchsanweisungen
Sole-wasser-wärmepumpe mit innenaufstellung (76 Seiten)
Wärmepumpen Dimplex SI 8TU Montageanleitung
(52 Seiten)
Wärmepumpen Dimplex SI 5CS Montageanweisung Und Gebrauchsanweisung
Sole-wasser-wärmepumpe für innenaufstellung (40 Seiten)
Wärmepumpen Dimplex SI 37TE Montage- Und Gebrauchsanweisungen
(56 Seiten)
Wärmepumpen Dimplex SIH 20TE Montage- & Bedienungsanleitung/Gebrauchsanweisung
(56 Seiten)
Wärmepumpen Dimplex SI 5MSR Gebrauchsanweisung
Sole/wasserwärmepumpe für innenaufstellung (48 Seiten)
Wärmepumpen Dimplex SIK 11 ME Montage- Und Gebrauchsanweisung
Für innenaufstellung (52 Seiten)
Wärmepumpen Dimplex SI 50TUR Montage- Und Gebrauchsanweisung
Reversible sole-wsser-waermepumpe fuer innenaufstellung (68 Seiten)
Wärmepumpen Dimplex SI 70CS Montageanweisung
Sole-wasser-wärmepumpe für innenaufstellung (36 Seiten)
Wärmepumpen Dimplex SI 5TE Montage- Und Gebrauchsanweisung
Sole/wasserwärmepumpe für innenaufstellung (33 Seiten)
Wärmepumpen Dimplex SI 5US Gebrauchsanweisung
(44 Seiten)
Wärmepumpen Dimplex SI 5ME Gebrauchsanweisung
(25 Seiten)
Wärmepumpen Dimplex SI 35TUR Montage- & Bedienungsanleitung/Gebrauchsanweisung
(58 Seiten)
Wärmepumpen Dimplex SI 35TU Montage- Und Gebrauchsanweisungen
Sole/wasserwärmepumpe für innenaufstellung (68 Seiten)
Wärmepumpen Dimplex SI 5BS Montage- Und Gebrauchsanweisungen
(28 Seiten)
Verwandte Produkte für Dimplex SI 6TU
Dimplex SI 11CS
Dimplex SI 30TER+
Dimplex SIH 20TE
Dimplex SI 9MSR
Dimplex SIKH 9 TE
Dimplex SI 22TU
Dimplex SI 100TE
Dimplex SI 70TUR
Dimplex SI 30CS
Dimplex SI 17 TE
Dimplex SI 5ME
Dimplex SI 11ME
Dimplex SIW 6 MU
Dimplex SI 14 KS
Dimplex SIKH9ME
Dimplex SIW 6TES
Diese Anleitung auch für:
Si 8tu
Si 14tu
Si 18 tu
Si 11tu
Inhaltsverzeichnis
Drucken
Lesezeichen umbenennen
Lesezeichen löschen?
Möchten Sie es aus Ihren Handbüchern löschen?
Anmelden
Anmelden
ODER
Mit Facebook anmelden
Mit Google anmelden
Anleitung hochladen
Von PC hochladen
Von URL hochladen