Anmelden
Hochladen
Herunterladen
Inhalt
Inhalt
Zu meinen Handbüchern
Löschen
Teilen
URL dieser Seite:
HTML-Link:
Lesezeichen hinzufügen
Hinzufügen
Handbuch wird automatisch zu "Meine Handbücher" hinzugefügt
Diese Seite drucken
×
Lesezeichen wurde hinzugefügt
×
Zu meinen Handbüchern hinzugefügt
Anleitungen
Marken
SoundCraft Anleitungen
Mischpulte
Notepad 102
Bedienungsanleitung
Blockdiagramm - Soundcraft Notepad 102 Bedienungsanleitung
Vorschau ausblenden
1
2
Inhalt
3
4
5
6
7
8
9
10
11
12
13
14
15
16
17
18
19
20
21
22
23
24
25
26
27
28
29
30
31
32
33
34
35
36
37
38
39
40
41
42
43
44
Seite
von
44
Vorwärts
/
44
Inhalt
Inhaltsverzeichnis
Lesezeichen
Inhaltsverzeichnis
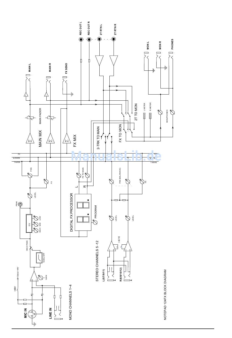
BLOCKDIAGRAMM - NOTEPAD 124FX
16
Soundcraft Notepad Bedienungsanleitung
Inhalt
sverzeichnis
Vorherige
Seite
Nächste
Seite
1
...
13
14
15
16
17
18
19
20
Inhaltsverzeichnis
Verwandte Anleitungen für SoundCraft Notepad 102
Mischpulte SoundCraft Signature 12 Bedienungsanleitung
Signature serie; die mischpulte der signature-serie bieten ein höchstmaß an musikalität, kreativität und technischer leistung. (54 Seiten)
Mischpulte SoundCraft SPIRIT POWERSTATION 600 Handbuch
(53 Seiten)
Mischpulte SoundCraft GB8 Bedienungsanleitung
(40 Seiten)
Mischpulte SoundCraft Compact 4 Bedienungsanleitung
(48 Seiten)
Mischpulte SoundCraft MPMi Bedienungsanleitung
(35 Seiten)
Mischpulte SoundCraft Si Compact Bedienungsanleitung
(20 Seiten)
Mischpulte Soundcraft Si iMPACT Bedienungsanleitung
(132 Seiten)
Mischpulte SoundCraft GB4 Bedienungsanleitung
(40 Seiten)
Mischpulte SoundCraft FX16II Bedienungsanleitung
(48 Seiten)
Mischpulte SoundCraft LX7II Bedienungsanleitung
(32 Seiten)
Mischpulte SoundCraft Si Compact Bedienungsanleitung
V2 (72 Seiten)
Mischpulte SoundCraft Spirit FOLIO Powerpad Bedienungsanleitung
(24 Seiten)
Mischpulte SoundCraft SPIRIT FOLIO Handbuch
(20 Seiten)
Mischpulte SoundCraft Ui16 Schnellstartanleitung
Digitales mischpult mit tablet/smartphone/pc-steuerung (4 Seiten)
Mischpulte SoundCraft SPIRIT M4 Bedienungsanleitung
Spirit m serie (45 Seiten)
Mischpulte SoundCraft SPIRIT FOLIO FX8 Handbuch
(38 Seiten)
Verwandte Inhalte für SoundCraft Notepad 102
FX16ii Blockdiagramm
SoundCraft FX16ii
SPIRIT M4 Blockdiagramm
SoundCraft SPIRIT M4
FX16II Blockdiagramm
SoundCraft FX16II
MPMi Blockdiagramm
SoundCraft MPMi
Diese Anleitung auch für:
Notepad 124
Notepad 124fx
Inhaltsverzeichnis
Drucken
Lesezeichen umbenennen
Lesezeichen löschen?
Möchten Sie es aus Ihren Handbüchern löschen?
Anmelden
Anmelden
ODER
Mit Facebook anmelden
Mit Google anmelden
Anleitung hochladen
Von PC hochladen
Von URL hochladen