Anmelden
Hochladen
Herunterladen
Inhalt
Inhalt
Zu meinen Handbüchern
Löschen
Teilen
URL dieser Seite:
HTML-Link:
Lesezeichen hinzufügen
Hinzufügen
Handbuch wird automatisch zu "Meine Handbücher" hinzugefügt
Diese Seite drucken
×
Lesezeichen wurde hinzugefügt
×
Zu meinen Handbüchern hinzugefügt
Anleitungen
Marken
Scheppach Anleitungen
Bandsägen
DECO MAX
Original bedienungsanleitung
Scheppach DECO MAX Original Bedienungsanleitung Seite 136
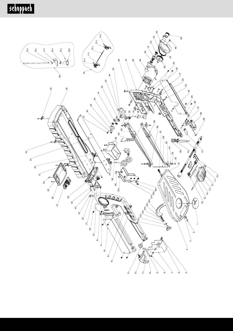
Dekupiersäge mit fußpedal und flexibler welle
Vorschau ausblenden
Andere Handbücher für DECO MAX
:
Originalbetriebsanleitung
(128 Seiten)
,
Original bedienungsanleitung
(312 Seiten)
,
Original bedienungsanleitung
(136 Seiten)
1
2
3
4
5
6
7
8
9
10
11
12
13
14
15
16
17
18
19
20
21
22
23
24
25
26
27
28
29
30
31
32
33
34
35
36
37
38
39
40
41
42
43
44
45
46
47
48
49
50
51
52
53
54
55
56
57
58
59
60
61
62
63
64
65
66
67
68
69
70
71
72
73
74
75
76
77
78
79
80
81
82
83
84
85
86
87
88
89
90
91
92
93
94
95
96
97
98
99
100
101
102
103
104
105
106
107
108
109
110
111
112
113
114
115
116
117
118
119
120
121
122
123
124
125
126
127
128
129
130
131
132
133
134
135
136
137
138
139
140
Seite
von
140
Vorwärts
/
140
Inhalt
Inhaltsverzeichnis
Fehlerbehebung
Lesezeichen
Inhaltsverzeichnis
Verfügbare Sprachen
DE
EN
PL
CZ
HU
SK
SI
HR
Mehr
Verfügbare Sprachen
DEUTSCH, seite 1
ENGLISH, page 28
POLSKI, strona 89
ČEŠTINA, strana 43
MAGYAR, oldal 73
SLOVENČINA, strana 58
SLOVENŠČINA, stran 121
HRVATSKI, stranica 106
www.scheppach.com
136
Inhalt
sverzeichnis
Vorherige
Seite
Nächste
Seite
1
...
135
136
137
138
Kapitel
Deutsch
10
English
29
Čeština
44
Slovenčina
59
Magyar
74
Polski
90
Hrvatski
107
Slovenščina
122
Inhaltsverzeichnis
Fehlerbehebung
Störungsabhilfe
25
Troubleshooting
42
Verwandte Anleitungen für Scheppach DECO MAX
Bandsägen Scheppach DECO SWITCH Original Bedienungsanleitung
Dekupiersäge mit fußpedal (312 Seiten)
Sägen Scheppach DECO MAX Original Bedienungsanleitung
Dekupiersäge mit fußpedal und flexibler welle (136 Seiten)
Sägen Scheppach 5901411901 Originalbetriebsanleitung
Dekupiersäge mit fußpedal und flexibler welle (128 Seiten)
Bandsägen Scheppach DECO-XL Originalbetriebsanweisung
(152 Seiten)
Bandsägen Scheppach deco-flex Originalbetriebsanweisung
(33 Seiten)
Bandsägen Scheppach DECO-XLS Original Bedienungsanleitung
(124 Seiten)
Bandsägen Scheppach HBS20 Originalbetriebsanleitung
(60 Seiten)
Bandsägen Scheppach HBS261 Original Bedienungsanleitung
(176 Seiten)
Bandsägen Scheppach MBS1100 Originalbetriebsanleitung
Metallbandsäge (136 Seiten)
Bandsägen Scheppach MBS1200 Serie Original Bedienungsanleitung
Metallbandsäge (52 Seiten)
Bandsägen Scheppach 5901513901 Originalbetriebsanleitung
(120 Seiten)
Bandsägen Scheppach Basa 5.0 Originalanleitung
(149 Seiten)
Bandsägen Scheppach 5901504901 Original Bedienungsanleitung
(140 Seiten)
Bandsägen Scheppach BASA3 Original Bedienungsanleitung
(388 Seiten)
Bandsägen Scheppach HBS400 Original Bedienungsanleitung
(164 Seiten)
Bandsägen Scheppach BASA3 Original Bedienungsanleitung
(172 Seiten)
Verwandte Produkte für Scheppach DECO MAX
Scheppach ds 405v
Scheppach deco-flex
Scheppach deco 401
Scheppach deco 402
Scheppach deco-tronic
Scheppach DECO-XLS
Scheppach DECO SL
Scheppach DECO FLEX SL
Scheppach deco 405
Scheppach DECO XLST
Scheppach DECO-XL
Scheppach Wox D 700
Scheppach DM460T
Scheppach DS930
Scheppach DI1050
Scheppach DH1600Max
Diese Anleitung auch für:
5901411901
Inhaltsverzeichnis
Drucken
Lesezeichen umbenennen
Lesezeichen löschen?
Möchten Sie es aus Ihren Handbüchern löschen?
Anmelden
Anmelden
ODER
Mit Facebook anmelden
Mit Google anmelden
Anleitung hochladen
Von PC hochladen
Von URL hochladen