Herunterladen Inhalt Inhalt Diese Seite drucken

Dimplex VWU 65 Montage- Und Gebrauchsanweisungen Seite 17

Externes 4-wege-umschaltventil fuer reversible warmepumpe
Inhaltsverzeichnis
Verfügbare Sprachen

Verfügbare Sprachen

VWU 65 - VWU 80
ATTENTION!
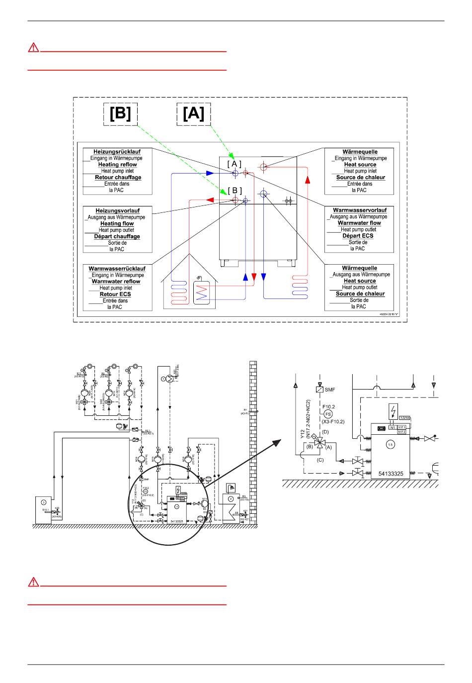
Fig. 4:•shows the position of connections (A) ; (B) on the heat exchanger
of the heat pump.
Fig. 4:•Schematic view / heat pump connections (label affixed inside the heat pump)
Fig. 5:• Sample view of complete hydraulic assembly (example)
ATTENTION!
Provision of a dirt trap (mesh size 0.6 mm) is recommended at a suitable
location (see Fig. 5:•).
All manuals and user guides at all-guides.com
452163.66.30 · FD 9801
English
EN-5

Quicklinks ausblenden:

Inhaltsverzeichnis
loading

Diese Anleitung auch für:

Vwu 80

Inhaltsverzeichnis