Anmelden
Hochladen
Herunterladen
Inhalt
Inhalt
Zu meinen Handbüchern
Löschen
Teilen
URL dieser Seite:
HTML-Link:
Lesezeichen hinzufügen
Hinzufügen
Handbuch wird automatisch zu "Meine Handbücher" hinzugefügt
Diese Seite drucken
×
Lesezeichen wurde hinzugefügt
×
Zu meinen Handbüchern hinzugefügt
Anleitungen
Marken
Scheppach Anleitungen
Holzhäcksler
biostar 3000
Betriebsanleitung
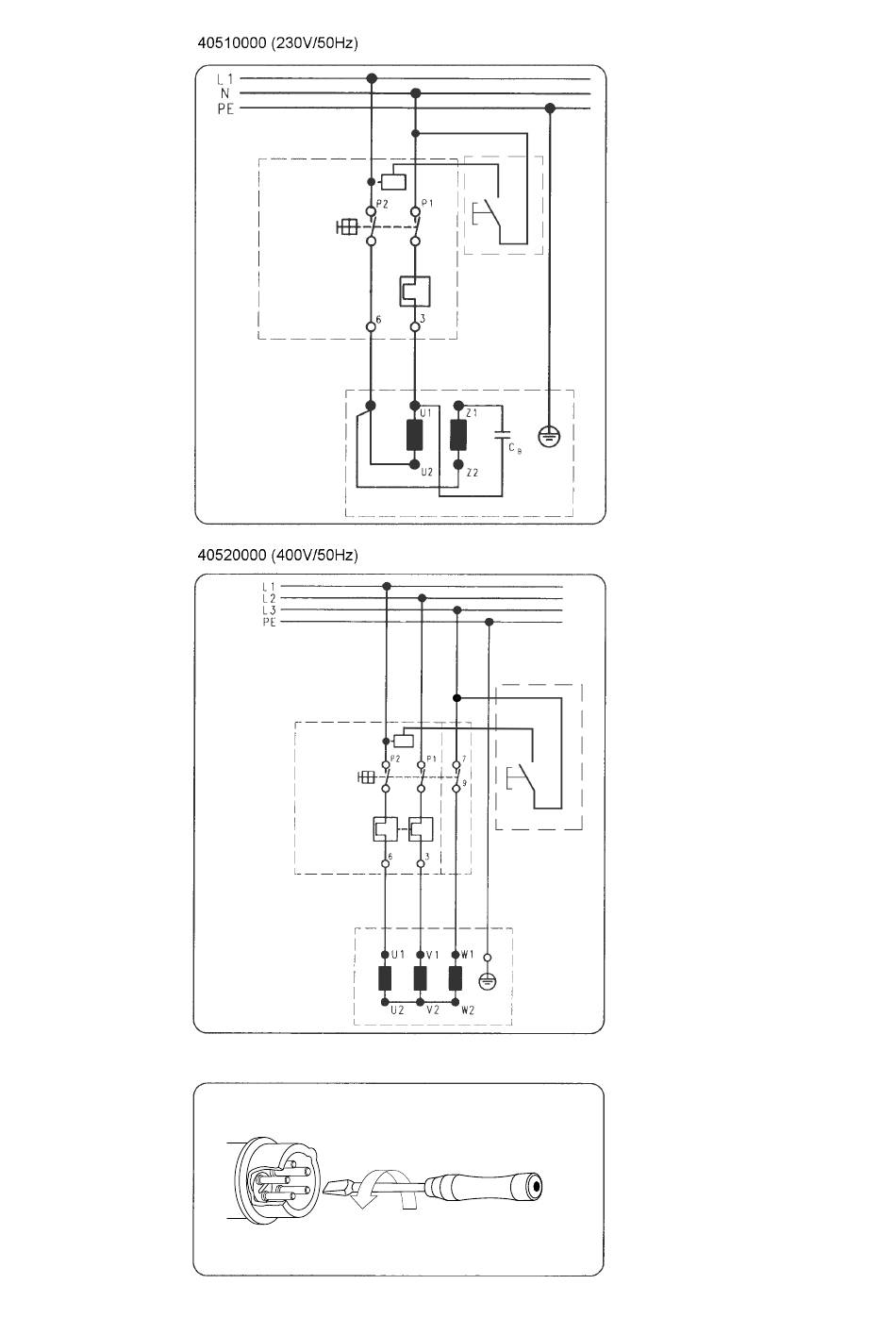
Electrical Circuit Diagram; Schéma Électrique; Schema Elettrico; Elektrisch Schema - Scheppach Biostar 3000 Betriebsanleitung
Vorschau ausblenden
Andere Handbücher für Biostar 3000
:
Originalbetriebsanleitung
(96 Seiten)
,
Bedienungsanweisung
(78 Seiten)
,
Originalbetriebsanleitung
(24 Seiten)
1
2
3
4
5
6
7
8
9
10
11
12
13
14
15
16
17
18
19
20
21
22
23
24
25
26
27
28
29
30
31
32
33
34
35
36
37
38
39
40
41
42
43
44
45
46
47
48
49
50
51
52
53
54
55
56
57
58
59
60
61
62
63
64
65
66
67
68
69
70
71
72
73
74
Seite
von
74
Vorwärts
/
74
Inhalt
Inhaltsverzeichnis
Fehlerbehebung
Lesezeichen
Inhaltsverzeichnis
Verfügbare Sprachen
DE
EN
FR
IT
NL
HU
SI
Mehr
Verfügbare Sprachen
DEUTSCH, seite 4
ENGLISH, page 13
FRANÇAIS, page 22
ITALIANO, pagina 32
DUTCH, pagina 42
MAGYAR, oldal 52
SLOVENŠČINA, stran 61
1
Abb./Fig. "K"
international 71
Inhalt
sverzeichnis
Vorherige
Seite
Nächste
Seite
1
...
68
69
70
71
72
73
74
Quicklinks anzeigen
Quicklinks:
Inhaltsverzeichnis
Elektrischer Anschluss
Montage
Fehlersuchplan
Quicklinks ausblenden:
Permanent
Temporär
Abbrechen
Kapitel
Deutsch
4
English
13
Français
22
Italiano
32
Dutch
42
Magyar
52
Slovenščina
61
Inhaltsverzeichnis
Verwandte Anleitungen für Scheppach Biostar 3000
Holzhäcksler Scheppach biostar 3000 Originalbetriebsanleitung
(96 Seiten)
Holzhäcksler Scheppach Biostar 3000 Bedienungsanweisung
(78 Seiten)
Holzhäcksler Scheppach Biostar 3000 Originalbetriebsanleitung
Elektro-messerhäcksler (24 Seiten)
Holzhäcksler Scheppach GS60 Original Bedienungsanleitung
Leisehäcksler (64 Seiten)
Holzhäcksler Scheppach GS55 Original Bedienungsanleitung
(60 Seiten)
Holzhäcksler Scheppach gh 450s Originalanleitung
(16 Seiten)
Holzhäcksler Scheppach rs 350 Betriebsanweisung
(25 Seiten)
Holzhäcksler Scheppach GS50 Originalbetriebsanleitung
Leisehäcksler (164 Seiten)
Holzhäcksler Scheppach GS70 Originalbetriebsanleitung
Leisehäcksler (96 Seiten)
Holzhäcksler Scheppach WCP4800 Original Bedienungsanleitung
(120 Seiten)
Holzhäcksler Scheppach GS60 Originalbetriebsanleitung
Leisehäcksler (140 Seiten)
Holzhäcksler Scheppach 5904404901 Original Bedienungsanleitung
(60 Seiten)
Holzhäcksler Scheppach 5904403901 Originalbetriebsanleitung
Leisehäcksler (104 Seiten)
Holzhäcksler Scheppach GS55 Originalbetriebsanleitung
Elektro-messerhäcksler (104 Seiten)
Verwandte Inhalte für Scheppach Biostar 3000
biostar 3000 Electrical Circuit Diagram
Scheppach biostar 3000
GS70 Electrical Safety
Scheppach GS70
5904403901 Electrical Connection
Scheppach 5904403901
5904403901 Electrical Connection
Scheppach 5904403901
GS55 Electrical Safety
Scheppach GS55
GS70 Electrical Safety
Scheppach GS70
GS60 Electrical Connection
Scheppach GS60
5904404901 Electrical Connection
Scheppach 5904404901
SPECIAL EDITION GSH3400-20K Electrical Connection
Scheppach SPECIAL EDITION GSH3400-20K
GS50 Electrical Connection
Scheppach GS50
GS55 Electrical Connection
Scheppach GS55
GS60 Electrical Connection
Scheppach GS60
Inhaltsverzeichnis
Drucken
Lesezeichen umbenennen
Lesezeichen löschen?
Möchten Sie es aus Ihren Handbüchern löschen?
Anmelden
Anmelden
ODER
Mit Facebook anmelden
Mit Google anmelden
Anleitung hochladen
Von PC hochladen
Von URL hochladen