Herunterladen Inhalt Inhalt Diese Seite drucken

Ochrona Przed Przegrzaniem; Zamawianie Części Zamiennych; Konserwacja; Schemat Elektryczny - Einhell Rt-Ew 150 Bedienungsanleitung

Inhaltsverzeichnis
Verfügbare Sprachen
  • DE

Verfügbare Sprachen

  • DEUTSCH, seite 1
Anleitung_RT_EW_150_SPK5:_

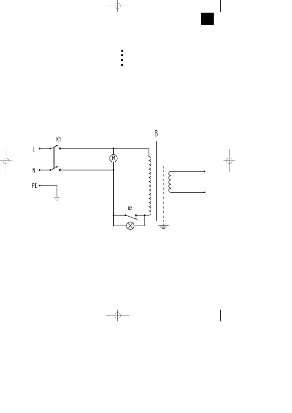
8. Ochrona przed przegrzaniem

Spawarka wyposażona jest w zabezpieczenie przed
przegrzaniem, które chroni trasformator spawalniczy
przed przegrzaniem. Kiedy zadziała zabezpieczenie
przed przegrzaniem, zapala się równocześnie
lampka kontrolna (5) na urządzeniu. Spawarkę
należy pozostawić przez pewien czas do
ostudzenia.

9. Konserwacja

Regularnie usuwać z maszyny pył i
zanieczyszczenia. Czyszczenie najlepiej wykonać
delikatną szczotką lub szmatką.

11. Schemat elektryczny

09.03.2009
14:22 Uhr
Seite 13
10. Zamawianie części zamiennych
Zamawiając części zamienne, należy podać
następujące informacje:
Typ urządzenia
Nr wyrobu
Nr identyfikacyjny urządzenia
Nr wymaganej części zamiennej
Aktualne ceny i informacje znajdą Państwo na
stronie www.isc-gmbh.info
PL
13
Inhaltsverzeichnis
loading

Diese Anleitung auch für:

15.441.40

Inhaltsverzeichnis