Anmelden
Hochladen
Herunterladen
Inhalt
Inhalt
Zu meinen Handbüchern
Löschen
Teilen
URL dieser Seite:
HTML-Link:
Lesezeichen hinzufügen
Hinzufügen
Handbuch wird automatisch zu "Meine Handbücher" hinzugefügt
Diese Seite drucken
×
Lesezeichen wurde hinzugefügt
×
Zu meinen Handbüchern hinzugefügt
Anleitungen
Marken
alpha innotec Anleitungen
Wärmepumpen
SWP
Betriebsanleitung
Trennspeicher - Alpha Innotec Swp Betriebsanleitung
Sole/wasser-wärmepumpen
Vorschau ausblenden
1
2
Inhalt
3
4
5
6
7
8
9
10
11
12
13
14
15
16
17
18
19
20
21
22
23
24
25
26
27
28
29
30
31
32
33
34
35
36
37
38
39
40
41
42
43
44
45
46
47
48
49
50
51
52
53
54
55
56
57
58
59
60
Seite
von
60
Vorwärts
/
60
Inhalt
Inhaltsverzeichnis
Lesezeichen
Inhaltsverzeichnis
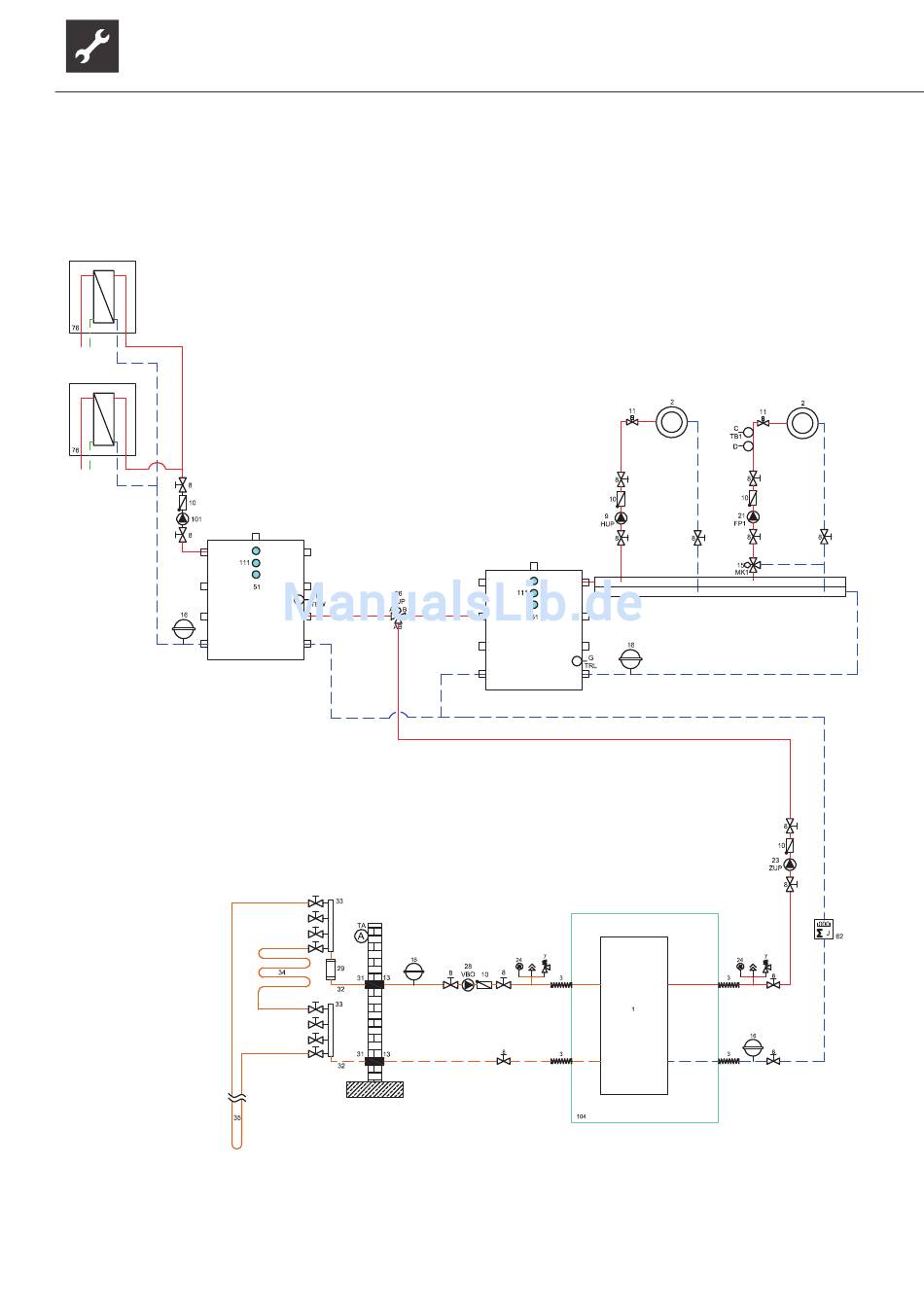
SWP 371 – 691 / SWP 291H – 561H
Trennspeicher
44
Technische Änderungen vorbehalten | 83053700hDE – Originalbetriebsanleitung | ait-deutschland GmbH
Inhalt
sverzeichnis
Vorherige
Seite
Nächste
Seite
1
...
41
42
43
44
45
46
47
48
Quicklinks anzeigen
Quicklinks:
Druckverlust Wärmepumpe
Quicklinks ausblenden:
Permanent
Temporär
Abbrechen
Inhaltsverzeichnis
Verwandte Anleitungen für alpha innotec SWP
Wärmepumpen Alpha-InnoTec SWP 430 EKZ Betriebsanleitung
(80 Seiten)
Wärmepumpen alpha innotec SWP-series Betriebsanleitung
(60 Seiten)
Wärmepumpen alpha innotec SWP Serie Betriebsanleitung
(60 Seiten)
Wärmepumpen alpha innotec SW 232H3 Betriebsanleitung
(40 Seiten)
Wärmepumpen ALPHA INNOTEC SW 302H3 Betriebsanleitung
Sole/wasser-wärmepumpen (40 Seiten)
Wärmepumpen alpha innotec SW 302H3 Betriebsanleitung
Sole/wasser-wärmepumpen (20 Seiten)
Wärmepumpen Alpha innotec SWC Betriebsanleitung
V-serie (48 Seiten)
Wärmepumpen alpha innotec SWC-Serie Betriebsanleitung
Sole/wasser-wärmepumpen (60 Seiten)
Wärmepumpen Alpha innotec SWC V-Serie Betriebsanleitung
(52 Seiten)
Wärmepumpen alpha innotec SW 42K3 Betriebsanleitung
Sole/wasser-wärmepumpen (60 Seiten)
Wärmepumpen alpha innotec SW-Serie Betriebsanleitung
Sole/wasser-wärmepumpen (20 Seiten)
Wärmepumpen alpha innotec SW H1 Serie Betriebsanleitung
(20 Seiten)
Wärmepumpen alpha innotec SW H1 Serie Betriebsanleitung
(40 Seiten)
Wärmepumpen alpha innotec SWCV Series Betriebsanleitung
(52 Seiten)
Wärmepumpen alpha innotec SWCV H1 Serie Betriebsanleitung
Sole/wasser-wärmepumpen (48 Seiten)
Wärmepumpen alpha innotec SW 302H3 DS01 Betriebsanleitung
Sole/wasser-wärmepumpen (36 Seiten)
Verwandte Inhalte für alpha innotec SWP
LW 140A Trennspeicher
alpha innotec LW 140A
PWZSV H2 Serie Trennspeicher
alpha innotec PWZSV H2 Serie
LW 161H/V Trennspeicher
alpha innotec LW 161H/V
PWZS H1 Serie Trennspeicher
alpha innotec PWZS H1 Serie
LW 140 Trennspeicher
alpha innotec LW 140
LW 140A Trennspeicher
alpha innotec LW 140A
LW 161H-A/V Trennspeicher
alpha innotec LW 161H-A/V
LW 161H Trennspeicher
alpha innotec LW 161H
alira LW-Serie Trennspeicher
alpha innotec alira LW-Serie
LW 300A Trennspeicher
alpha innotec LW 300A
HMD 2/SE Trennspeicher Und Gerätevariante R (Kühlung)
alpha innotec HMD 2/SE
LWV serie Lwv Mit Trennspeicher
alpha innotec LWV serie
LWAV+ series Lwav+ Mit Trennspeicher
alpha innotec LWAV+ series
WWC H/X Serie Trennspeicher
alpha innotec WWC H/X Serie
WWC H/X Series Trennspeicher
alpha innotec WWC H/X Series
LW 161H/V Trennspeicher
alpha innotec LW 161H/V
Inhaltsverzeichnis
Drucken
Lesezeichen umbenennen
Lesezeichen löschen?
Möchten Sie es aus Ihren Handbüchern löschen?
Anmelden
Anmelden
ODER
Mit Facebook anmelden
Mit Google anmelden
Anleitung hochladen
Von PC hochladen
Von URL hochladen