Herunterladen Inhalt Inhalt Diese Seite drucken

Elektrisches Verdrahtungsschema; Steuergerät; Photowiderstand; 7-Poliger Stecker - Riello Rg2F Tl Montage- Und Bedienungsanleitung

Inhaltsverzeichnis
Verfügbare Sprachen
  • DE

Verfügbare Sprachen

  • DEUTSCH, seite 17

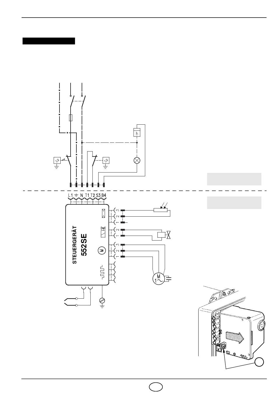
3.5 ELEKTRISCHES VERDRAHTUNGSSCHEMA

WICHTIGER HINWEIS
NULLEITER NICHT MIT DER PHASE VERWECHSELN
~
50/60Hz 220/230V
PE L
Sicherheitstempera-
turbegrenzer
7–poliger Stecker
7–polige Steckdose
D1913
Zündelektroden
STEUERGERÄT (Siehe Abb. 9)
Um das Steuergerät vom Brenner abnehmen zu können, müssen die
Steckverbindungen zu allen Komponenten, der 7– polige Stecker
sowie das Erdungskabel, die Schraube (A) gelöst werden.
Das Steuergerät nach hinten wegziehen.
Falls das Steuergerät ausgebaut wird, die Schraube (A) mit einem
Anziehmoment von 1 ÷ 1,2 Nm wieder anschrauben.
N
Hauptschalter
T6A
Begrenzungs-
thermostat
Braun
Blau
Schwarz
Weiß
Blau
Brenner-Erdung
ANMERKUNGEN:
– Leiterdurchmesser: min. 1 mm
(Außer im Falle anderslautender Angaben
durch Normen und örtliche Gesetze).
– Die vom Installateur ausgeführten elektrischen
Verbindungen müssen den lokalen Bestim-
mungen entsprechen.
PRÜFUNG
Die Regelabschaltung des Brenners kann
man überprüfen, indem man die Thermostate
öffnet. Die Störabschaltung kann man über-
prüfen, indem man den Photowiderstand ab-
deckt.
Betriebsstundenzähler
(230V - 0,1A max.)
Störabschaltung-Fernmeldung
(230V - 0,5A max.)

Photowiderstand

Ölventil
Kondensator
Motor
20039769
7
D
2
.
VOM INSTALLATEUR
AUSZUFÜHREN
WERKSSEITIGE
EINSTELLUNG
Abb. 9
S7217
A
Inhaltsverzeichnis
loading

Inhaltsverzeichnis