Anmelden
Hochladen
Herunterladen
Inhalt
Inhalt
Zu meinen Handbüchern
Löschen
Teilen
URL dieser Seite:
HTML-Link:
Lesezeichen hinzufügen
Hinzufügen
Handbuch wird automatisch zu "Meine Handbücher" hinzugefügt
Diese Seite drucken
×
Lesezeichen wurde hinzugefügt
×
Zu meinen Handbüchern hinzugefügt
Anleitungen
Marken
HOMCOM Anleitungen
Eismaschinen
800-139
Bedienungsanleitung
Circuit Diagram - Homcom 800-139 Bedienungsanleitung
Vorschau ausblenden
Andere Handbücher für 800-139
:
Bedienungsanleitung
(66 Seiten)
1
2
3
4
5
6
7
8
9
10
11
12
13
14
15
16
17
18
19
20
21
22
23
24
25
26
27
28
Inhalt
29
Seite
von
29
Vorwärts
/
29
Inhalt
Inhaltsverzeichnis
Lesezeichen
Inhaltsverzeichnis
Verfügbare Sprachen
DE
EN
IT
Verfügbare Sprachen
DEUTSCH, seite 11
ENGLISH, page 2
ITALIANO, pagina 20
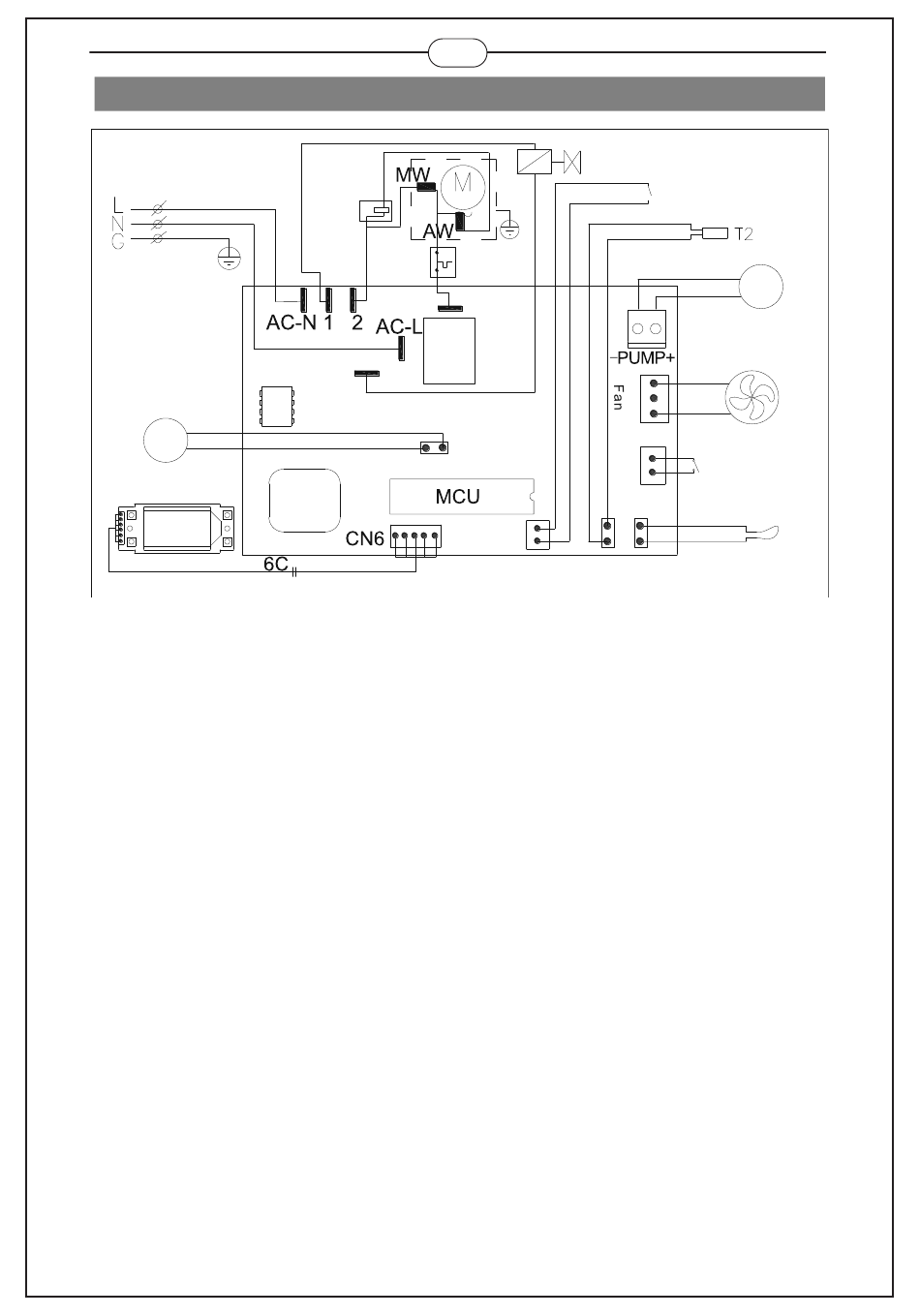
CIRCUIT DIAGRAM
ELECTRICAL DIAGRAM
FOR ICE-MAKER
POWER SUPPLY
DC Water valve
Control panel
LCD
EN
Start
Relay
COMPRESSOR
Overload
Protector
Relay
VALVE
WATERV
T1
9
Solenoid Valve
Sensor for water temp
COMP
-
+
1
Water
CKKG
LNSR
ROOM
Magneticcontrol switch
DC-Water pump
DC-fan motor
Liquid Level
Switch
T1
Sensor for
rom temp
Inhalt
sverzeichnis
Vorherige
Seite
Nächste
Seite
1
...
7
8
9
10
11
12
13
14
Quicklinks anzeigen
Quicklinks:
Kennenlernen des Geräts
Reinigung und Wartung der Eismaschine
Benutzung Ihrer Eismaschine
Automatisches Selbstreinigungsprogramm
Quicklinks ausblenden:
Permanent
Temporär
Abbrechen
Inhaltsverzeichnis
Verwandte Anleitungen für HOMCOM 800-139
Speiseeisbereiter HOMCOM 800-139 Bedienungsanleitung
(66 Seiten)
Eismaschinen HOMCOM 800-115 Bedienungsanleitung
(20 Seiten)
Eismaschinen HOMCOM 800-116V70 Bedienungsanleitung
Kompakt-eiscrememacher (34 Seiten)
Eismaschinen HOMCOM 800-116V70 Bedienungsanleitung
(81 Seiten)
Eismaschinen HOMCOM 800-063V70 Bedienungsanleitung
Tragbare automatische eiswürfelmaschine (55 Seiten)
Eismaschinen HOMCOM 800-163V90 Bedienungsanleitung
Tragbare automatische eiswürfelmaschine (45 Seiten)
Eismaschinen HOMCOM 800-157V90 Bedienungsanleitung
(47 Seiten)
Eismaschinen HOMCOM 800-154V70 Bedienungsanleitung
(56 Seiten)
Eismaschinen HOMCOM 800-141V70 Bedienungsanleitung
Mit automatischem eiswürfelspender und wasserspender (32 Seiten)
Eismaschinen HOMCOM 800-183V70 Bedienungsanleitung
Tragbare automatische eismaschine (44 Seiten)
Eismaschinen HOMCOM FDZ12-8010S Anleitungen
(40 Seiten)
Eismaschinen HOMCOM 800-254V70 Bedienungsanleitung
Automatischer eiswürfelbereiter (148 Seiten)
Eismaschinen HOMCOM 800-293V70 Bedienungsanleitung
Automatischer eisbereiter (148 Seiten)
Diese Anleitung auch für:
800-139v70
Inhaltsverzeichnis
Drucken
Lesezeichen umbenennen
Lesezeichen löschen?
Möchten Sie es aus Ihren Handbüchern löschen?
Anmelden
Anmelden
ODER
Mit Facebook anmelden
Mit Google anmelden
Anleitung hochladen
Von PC hochladen
Von URL hochladen