Herunterladen Inhalt Inhalt Diese Seite drucken

Raccordements Electriques - Riello Rg2D Montage- Und Bedienungsanleitung

Zweistufiger betrieb
Inhaltsverzeichnis
Verfügbare Sprachen
  • DE

Verfügbare Sprachen

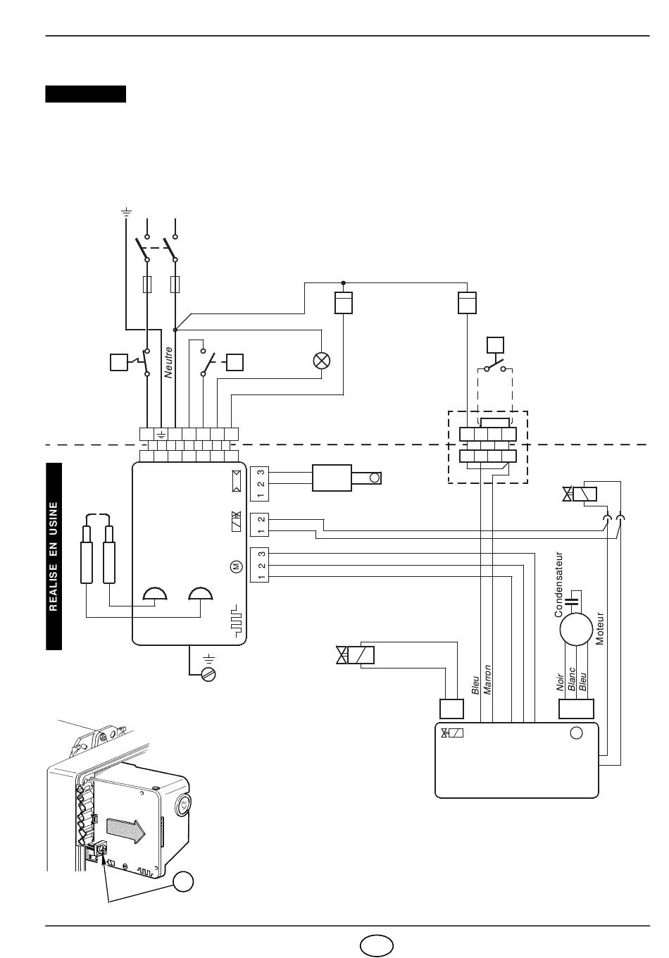
3.4 RACCORDEMENTS ELECTRIQUES

ATTENTION
NE PAS INVERSER LE
NEUTRE AVEC LA PHASE
~
50Hz 230V
L
N
Thermostat
T
maxi avec
réarmement manuel
Fiche 7 pôles
L1
N
Prise 7 pôles
Electrodes
BOITE
d'allumages
DE CONTROLE
552SE
D5336
Fig. 10
S7217
1914
Interrupteur
avec fusible
6A max.
Thermostat de
réglage
T
T1
T2
S3
B4
Marron
Bleu
Marron
Bleu
Noir
Blanc
Bleu
Terre brûleur
Pour enlever la boîte de contrôle du brûleur, dévisser la vis (A, fig. 10) après
avoir débranché tous les composants, la fiche 7 pôles et le fil de terre.
Au remontage, revisser la vis (A) avec une couple de serrage de 1
A
NOTES:
– Section conducteurs 1 mm 2 .
– Les branchements électriques exécutés par l'installateur
doivent respecter le règlement en vigueur dans le Pays.
■ Connecter le thermostat 2 ème allure entre T6 et T8 en
enlevant le pont.
VERIFICATION:
Vérifier l'arrêt du brûleur à l'ouverture des thermostats et la
mise en sécurité en occultant la cellule photorésistance.
Compteur horaire
h
ère
1
allure
(230V - 0,1A max.)
Signalisation de
sécurité extérieure
(230V - 0,5A max.)
Cellule photorésistance
ème
Vanne fioul 2
allure
5
F
Compteur horaire
ème
2
allure
h
(230V - 0,1A max.)
■ Thermostat
T
ème
2
allure
Fiche 4 pôles
B5
T6
T7
T8
Prise 4 pôles
Vanne fioul
ère
1
allure
2 1
3 2 1
RETARDATEUR
ELECTRONIQUE
M
~
M
÷
1,2 Nm.
Inhaltsverzeichnis
loading

Diese Anleitung auch für:

Rg2d tl380t1373805020052620R12300118

Inhaltsverzeichnis