Anmelden
Hochladen
Herunterladen
Inhalt
Inhalt
Zu meinen Handbüchern
Löschen
Teilen
URL dieser Seite:
HTML-Link:
Lesezeichen hinzufügen
Hinzufügen
Handbuch wird automatisch zu "Meine Handbücher" hinzugefügt
Diese Seite drucken
×
Lesezeichen wurde hinzugefügt
×
Zu meinen Handbüchern hinzugefügt
Anleitungen
Marken
Mark Anleitungen
Heizgeräte
Infra
Technisches handbuch
Mark INFRA LINE Technisches Handbuch Seite 41
Vorschau ausblenden
Andere Handbücher für INFRA LINE
:
Technisches handbuch
(57 Seiten)
,
Montageanleitung
(24 Seiten)
,
Technisches handbuch
(52 Seiten)
1
2
3
4
5
6
7
8
9
10
11
12
13
14
15
16
17
18
19
20
21
22
23
24
25
26
27
28
29
30
31
32
33
34
35
36
37
38
39
40
41
42
43
44
45
46
47
48
49
50
51
52
53
54
55
56
57
58
59
60
61
62
63
64
Seite
von
64
Vorwärts
/
64
Inhalt
Inhaltsverzeichnis
Lesezeichen
Inhaltsverzeichnis
1.6
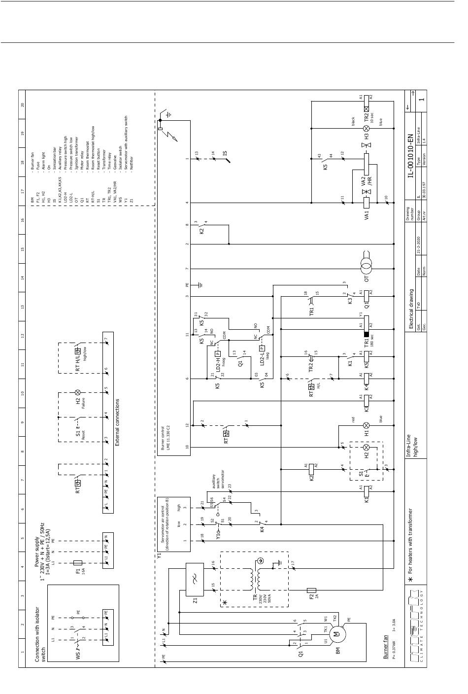
Electrical diagram Infra Line high/low
41
Vorherige
Seite
Nächste
Seite
1
...
38
39
40
41
42
43
44
45
Inhaltsverzeichnis
Verwandte Anleitungen für Mark INFRA LINE
Heizgeräte MARK INFRA LINE Technisches Handbuch
Das flexibale strahlungsheizungsystem (57 Seiten)
Heizgeräte Mark INFRA Technisches Handbuch
(52 Seiten)
Heizgeräte Mark Infra Mono Technisches Handbuch
(36 Seiten)
Lichtanlage Mark INFRA Montageanleitung
(24 Seiten)
Heizgeräte Mark INFRA 10-3+ Montageanleitung
(20 Seiten)
Heizgeräte Mark INFRA Montageanleitung
(20 Seiten)
Heizgeräte Mark INFRA Montageanleitung
(20 Seiten)
Heizgeräte Mark INFRA Montageanleitung
(20 Seiten)
Heizgeräte Mark INFRA MONO Montageanleitung
(16 Seiten)
Heizgeräte Mark INFRA 15-5 Montageanleitung
Dunkelstrahler (16 Seiten)
Heizgeräte Mark INFRA 50-12 Montageanleitung
(20 Seiten)
Heizgeräte Mark INFRA 30-9+ Montageanleitung
(24 Seiten)
Heizgeräte Mark INFRA AQUA ECO Technisches Handbuch
(52 Seiten)
Heizgeräte Mark GS+ 15 Technisches Handbuch
Lufterhitzer (40 Seiten)
Heizgeräte Mark GSE Technisches Handbuch
(40 Seiten)
Heizgeräte mark GS+ 35 Technisches Handbuch
(104 Seiten)
Verwandte Produkte für Mark INFRA LINE
Mark INFRA 10-3+
Mark Infra Mono
Mark INFRA 15-5
Mark INFRA 30-9+
Mark INFRA 40-9+
Mark INFRA 50-12
Mark INFRA 30-6+
Mark INFRA 10-3
Mark INFRA 20-6
Mark INFRA 30-6
Mark INFRA 30-
Mark INFRA 40-9
Mark INFRA 30-12 MONO
Mark INFRA 50-18 MONO
Mark INFRA AQUA ECO
Mark INFRA Serie
Inhaltsverzeichnis
Drucken
Lesezeichen umbenennen
Lesezeichen löschen?
Möchten Sie es aus Ihren Handbüchern löschen?
Anmelden
Anmelden
ODER
Mit Facebook anmelden
Mit Google anmelden
Anleitung hochladen
Von PC hochladen
Von URL hochladen